Схема предохранителей ниссан микра к12 на русском



Схема предохранителей ниссан микра к12 на русском
Схема предохранителей на ниссан нв 200 - фото - АвтоМастер Инфо
Схема предохранителей ниссан микра к12 на русском
Реле и предохранители ниссан марч к12 LkbAuto.ru
Схема предохранителей ниссан микра к12 на русском
Японский - Nissan March (K11), 1 л, 1993 года электроника DRIVE2
Схема предохранителей ниссан микра к12 на русском
Вся система предохранителей и реле - Nissan March (K11), 1 л, 1998 года электрон
Схема предохранителей ниссан микра к12 на русском
Японский - Nissan March (K11), 1 л, 1993 года электроника DRIVE2

Схема предохранителей ниссан микра к12 на русском
Схема предохранителей ниссан марч к13 - фото - АвтоМастер Инфо
Схема предохранителей ниссан микра к12 на русском
Предохранители Nissan Micra / March K12. Василий Столярчук Дзен
Схема предохранителей ниссан микра к12 на русском
Заметки по переделанной оптике - Nissan Note (1G), 1,4 л, 2012 года электроника
Схема предохранителей ниссан микра к12 на русском
Назначение предохранителей - Nissan March (K11), 1,3 л, 2000 года электроника DR
Схема предохранителей ниссан микра к12 на русском
Fuse box diagram Nissan Micra K11 K12 and relay with assignment and location
Схема предохранителей ниссан микра к12 на русском
Спецыфікацыі бартавога электраабсталявання (Нісан Мікра 3, Micra K12, бензін, 20
Схема предохранителей ниссан микра к12 на русском
Схема предохранителей ниссан марч к13 - фото - АвтоМастер Инфо
Схема предохранителей ниссан микра к12 на русском
Схемы электрооборудования Nissan Micra (K12) " Схемы предохранителей, электросхе
Схема предохранителей ниссан микра к12 на русском
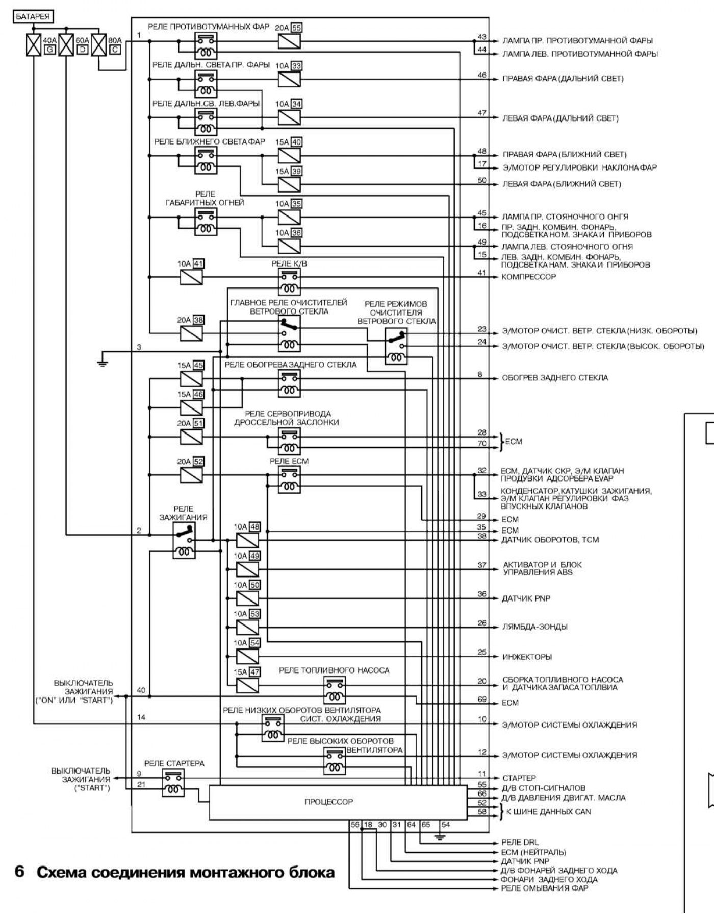
Схема злучэння мантажнага блока (Нісан Мікра 3, Micra K12, бензін, 2002-2010) -
Схема предохранителей ниссан микра к12 на русском
Схема предохранителей ниссан марч к13 - фото - АвтоМастер Инфо
Схема предохранителей ниссан микра к12 на русском
Вся система предохранителей и реле - Nissan March (K11), 1 л, 1998 года электрон
Схема предохранителей ниссан микра к12 на русском
предохранители=) - Nissan March (K12), 1,3 л, 2003 года своими руками DRIVE2
Схема предохранителей ниссан микра к12 на русском
Схема предохранителей и реле Nissan Micra (2002-2010) " Схемы предохранителей, э
Схема предохранителей ниссан микра к12 на русском
Блок ipdm реле - Nissan March (K12), 1,2 л, 2004 года электроника DRIVE2
Схема предохранителей ниссан микра к12 на русском
Русификация предохранителей) - Nissan March (K11), 1 л, 1999 года своими руками
Схема предохранителей ниссан микра к12 на русском
Предохранители и реле Nissan Micra/March K11 1992-2002 год выпуска. Василий Стол
Схема предохранителей ниссан микра к12 на русском
Вся система предохранителей и реле - Nissan March (K11), 1 л, 1998 года электрон
Схема предохранителей ниссан микра к12 на русском
K12 Tvah Calendar - Floral Printable Calendar
Схема предохранителей ниссан микра к12 на русском
Fuse box diagram Nissan March K11 K12 and relay with assignment and location
Схема предохранителей ниссан микра к12 на русском
Fuse box diagram Nissan Micra K11 K12 and relay with assignment and location
Схема предохранителей ниссан микра к12 на русском
Предохранители Ниссан Микра/Марч К12, 2002 - 2010
Схема предохранителей ниссан микра к12 на русском
Блок предохранителей и реле Nissan Micra Nissan March K11
Схема предохранителей ниссан микра к12 на русском
Nissan March (2003 - 2010) - fuse box diagram - Carknowledge.info
Схема предохранителей ниссан микра к12 на русском
Подскажите! - Nissan March (K12), 1,2 л, 2002 года поломка DRIVE2
Схема предохранителей ниссан микра к12 на русском
Fuse box diagram Nissan March K11 K12 and relay with assignment and location
Схема предохранителей ниссан микра к12 на русском
Блок предохранителей и реле Nissan Micra Nissan March K11
Схема предохранителей ниссан микра к12 на русском
Предохранители Ниссан Микра/Марч К12, 2002 - 2010
Схема предохранителей ниссан микра к12 на русском
Предохранители марч к12: найдено 82 изображений
Схема предохранителей ниссан микра к12 на русском
Nissan March (2003 - 2010) - fuse box diagram - Carknowledge.info
Схема предохранителей ниссан микра к12 на русском
Блок предохранителей Nissan March K11 купить в Новосибирске по цене: 178 ₽ - объ
Схема предохранителей ниссан микра к12 на русском
Подскажите! - Nissan March (K12), 1,2 л, 2002 года поломка DRIVE2
Схема предохранителей ниссан микра к12 на русском
Блок предохранителей и реле Nissan Micra Nissan March K11
Схема предохранителей ниссан микра к12 на русском
Блок предохранителей Nissan March 2001 K11 CG10 купить в Кемерово по цене: 180 ₽
Схема предохранителей ниссан микра к12 на русском
Fuse box diagram Nissan March K11 K12 and relay with assignment and location
Схема предохранителей ниссан микра к12 на русском
Электрика Nissan Micra/ Блоки предохранителей и реле. Body Control Module (BCM)