Смотреть видео: Схема подключения усилителя антенны мерседес бенц w202

Помогите внести ясность с антенной. - Mercedes-Benz S-Class (W126), 5 л, 1984 го
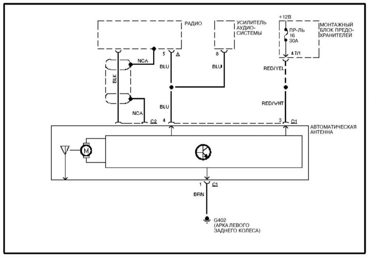
Электропривод антенны (модели с аудиосистемой Bose) (Мерседес-Бенц W140 1991-199
Электропривод антенны (кроме моделей со встроенным сотовым телефоном и аудиосист
Автозапчасти Мерседес. Оригинальный каталог mercedes - Легковые автомобили
Оригинальные запчасти Mercedes 210.070 E 430 - купить оптом и в розницу с подбор
Mercedes-Benz W168 Антенны Мерседес W168
схема разъемов Comand 2.0 - Mercedes-Benz C-class (W203), 1,8 л, 2003 года элект
Нештатная магнитола в Mercedes c Harman Kardon - Mercedes-Benz C-class (W203), 1
#12 прошу помощи! электрика. - Mercedes-Benz C-class (W202), 1,8 л, 1993 года по
FG 202.033 - СИСТЕМА ЦЕНТРАЛЬНОЙ БЛОКИРОВКИ ЗАМКОВ - Mercedes EPC Online - Drive
Как подключить Воse!(Решил всё работает) - Mercedes-Benz M-Class (W163), 3,2 л,
Электрические схемы проводки мерседес, цвета и маркировка зависят от года выпуск
Не найдется ли у вас звука поделиться или фантастические твари и где они обитают
Электросхема мерседес 124 - КарЛайн.ру
Антэна - зняцце і ўстаноўка (Мэрсэдэс-Бенц W202 1993-2000: Электраабсталяванне:
Mercedes-Benz W202 (C Class) ее компоненты - снятие и установка Мерсе
Элементы адзінага замка (Мэрсэдэс-Бенц W220 1998-2005: Электраабсталяванне: Абст
Запись #30 Ремонт компрессора центрального замка 1298000448 - Mercedes-Benz SL-C
Замена COMAND на ANDROID - Mercedes-Benz M-Class (W164), 5,5 л, 2008 года автозв
Купить MERCEDES BENZ A 211 828 00 82 - Антенна в Минске
Помогите! проблемы с приемом радио на W140 - Страница 5 - Мерседес клуб (Форум М
#5 Антенна - Mercedes-Benz C-class (W202), 1,8 л, 1994 года своими руками DRIVE2
Вакуумны ўзмацняльнік - здыманне, праверка і ўстаноўка (Мэрсэдэс-Бенц W220 1998-
Штатная магнитола Becker Special BE2210 - Mercedes-Benz E-class (W124), 2,8 л, 1
Mercedes-Benz 300SE (1990) - wiring diagrams - audio - Carknowledge.info
Схема 19. Щиток приборов (Мерседес-Бенц W168 1997-2004: Электрооборудование: Эле
Тормозные трубки на Mercedes-Benz 190 - Mercedes-Benz 190 (W201), 2 л, 1984 года
Вопрос про магнитолу Audi Backer 10 - Mercedes-Benz C-class (W203), 2,6 л, 2001
Размяшчэнне кампанентаў антыпрабуксовачнай сістэмы ASR/ETS (Мэрсэдэс-Бенц W140 1
6. Реализация. Электрика мотора - Mercedes-Benz 190 (W201), 2,3 л, 1993 года сво
Как подключить усилитель антенны мерседес - Сообщество "Mercedes-Benz Life Style
Штатная магнитола Becker Special BE2210 - Mercedes-Benz E-class (W124), 2,8 л, 1
Руководство по ремонту Mercedes-Benz W220 (Мерседес Бенц 220) 1998-2005 г.в. 14.
Схема магистралей ЦЗ - Mercedes-Benz E-class (W124), 2 л, 1992 года просто так D
#5 Антенна - Mercedes-Benz C-class (W202), 1,8 л, 1994 года своими руками DRIVE2
Схема 10. Шклопад'ёмнікі (Мэрсэдэс-Бенц W168 1997-2004: Электраабсталяванне: Эле
Дилема с огнями на приборке - Mercedes-Benz 190 (W201), 2 л, 1988 года электрони
Автозапчасти Мерседес. Оригинальный каталог mercedes - Легковые автомобили
Вопрос про магнитолу Audi Backer 10 - Mercedes-Benz C-class (W203), 2,6 л, 2001
Помогите! проблемы с приемом радио на W140 - Страница 5 - Мерседес клуб (Форум М