Смотреть видео: Схема датчиков на хендай соната тагаз

Вторая запись. Установка климат-контроля. День 1 - Hyundai Sonata IV (EF), 2 л,
Engine Diagram Simple Excel Engine Diagram Simple Excel - engine diagram simple
Электросхема аудиосистемы Hyundai Sonata YF Хундай Соната УФ
Почему у Sonat такой большой ДМРВ? - Hyundai Sonata III (Y3), 2 л, 1997 года наб
Ogólny opis układu wtrysku paliwa (MPI) (Hyundai Elantra 1 1990-1995: Silnik i s
Нужны схемы на дорестайл, цветные - Hyundai Sonata V (NF), 2,4 л, 2008 года элек
Sonata III Принципиальная схема. ETACS Hyundai Sonata - Форум AutoPeople
Датчыкі паліўнай сістэмы (Hyundai Elantra 3 2000-2006: Сілавы агрэгат: Паліўная
Контент Master911 - Страница 24 - Автомобильный Портал oktja.ru
Замена свечей + вытеканее в головняк - Hyundai Sonata IV (EF), 2 л, 2003 года пл
Автокорректор СиличЪ "Зенит" и датчик скорости Sonata YF USA - Hyundai Sonata VI
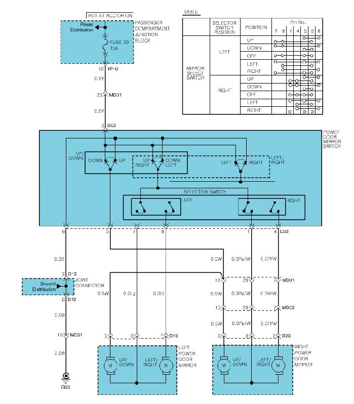
Ищу разъем для подключения штатного зеркала Hyundai sonata ef
Распиновка ЭБУ (hyundai sonata, kia magentis) Siemens SIM2K-140 - KIA Magentis I
Sonata III DOHC Принципиальная схема. Система зажигания. Hyundai Sonata - Форум
Вывод привода топливного насоса - как выгляит? - Hyundai Sonata II (Y-2), 2 л, 1
Sonata III Принципиальная схема. Датчик скорости. Hyundai Sonata - Форум AutoPeo
Схема 9. Система безопасности (начало) - Центр корейских авто!
Панель приборов Hyundai Sonata NF 2008-2009 - не работают указатели уровня топли
Вторая запись. Установка климат-контроля. День 1 - Hyundai Sonata IV (EF), 2 л,
Датчики Хендай Соната - АвтоКорея52
Вторая запись. Установка климат-контроля. День 1 - Hyundai Sonata IV (EF), 2 л,
Запчасти HYUNDAI SONATA 02 (RUSSIA) (2004-), 4 DR SEDAN, HIGH GRADE, 2700 CC, MP
Датчик дождя и датчик света (автосвет) штатные установка - Hyundai i30 (2G), 1,6
Обрезать или нет коричневый провод Сонаты с двигателем Betta? - Hyundai Sonata I
Ремонт Хендай Соната: Схемы электрооборудования Hyundai Sonata Описание, схемы,
Схема 12. Ручное управление 2 вентилятором и кондиционером - Центр корейских авт
Wiring diagram of the engine management system G4JP and G4JS (Hyundai Sonata 4 2
Подсветка зоны ног. - Hyundai Sonata IV (EF), 2 л, 2006 года тюнинг DRIVE2
Электросхема аудиосистемы Hyundai Sonata YF Хундай Соната УФ
Электросхема наружного освещения и поворотов Hyundai Sonata Хундай Соната
Sonata III Принципиальная схема. Система заряда Hyundai Sonata - Форум AutoPeopl
Попытка найти причину неработающего спидометра - Hyundai Elantra (3G), 2 л, 2003
Датчики Хендай Акцент - АвтоКорея52
Подсветка зоны ног. - Hyundai Sonata IV (EF), 2 л, 2006 года тюнинг DRIVE2
Электросхема наружного освещения и поворотов Hyundai Sonata Хундай Соната
Так сколько же датчиков то? О_о - Hyundai Sonata IV (EF), 2,7 л, 2007 года друго
Проблема! Не работает бензонасос. - Hyundai Tucson (JM), 2 л, 2008 года электрон
Авто свет своими руками - Hyundai Solaris, 1,4 л, 2012 года электроника DRIVE2
Тюнинг настройка АКПП Хундай A4AF3 / A4BF2 часть 1 датчики - Hyundai Matrix, 1,6
Emission control system - general information (Hyundai Sonata 4 2001-2012, petro