Смотреть видео: Схема датчика коллектора тойота камри 40

Вопрос к знатокам 4S/3S - Toyota Camry (V40), 1,8 л, 1997 года другое DRIVE2
Ремонт Тойота Камри : Противоугонная система Toyota Camry
Тойота Камри. Впускной коллектор. Toyota Camry (1996) / ef1f3f
Wiring diagram for starting, radio and sunroof (Toyota Camry XV10, 1991-1996) -
Electronic automatic transmission control system (Toyota Camry XV10, 1991-1996)
Ремонт Тойота Камри : Датчики Toyota Camry
Нет дальнего! HELP! - DRIVE2
Глушим EGR своими силами и чистим дросель 3S-FE - Toyota RAV4 (I), 2 л, 1999 год
Электрика диагностика свап swap, легковые автомобили в Омске
Induction air supply system to the engine (ACIS) - replacement (Toyota Camry XV1
Ремонт Тойота Камри : Электросхема радио Toyota Camry
установка автоматической выдвижной антенны для радио - Toyota Mark II Qualis, 2,
Toyota Rav4 Датчики системы управления двигателем Тойота Рав4 - Русское сообщест
Купить Toyota 250510H130 (25051-0H130) Converter Sub-Assy, Exhaust Manifold для
Lighting wiring diagram (Toyota Camry XV10, 1991-1996) - "Electrical equipment:
General information about the toxicity control system (Toyota Camry XV10, 1991-1
Электрасхема кіравання рухавіком 4S-FE (Таёта Камры Віста V40, 1994-1998) - "Эле
Замена ЭБУ на camry sxv20 USA нужен совет! - DRIVE2
Схема подключения магнитолы - Toyota Camry (XV20), 2,2 л, 1998 года другое DRIVE
Starting, charging and ignition systems (Toyota Camry XV20, 1996-2001) - "Electr
Engine control system diagram (1AZ-FE, 2AZ-FE) (Toyota Camry XV30, 2001-2006) -
Engine control system diagram (1AZ-FE, 2AZ-FE) (Toyota Camry XV30, 2001-2006) -
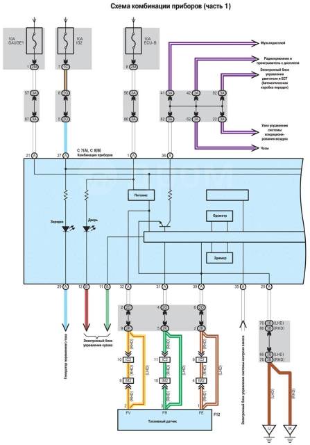
Проводка Тойота Камри 40: электросхема
Купить Toyota 821213H860 (82121-3H860) Wire, Engine. Цены, быстрая доставка, фот
Wiring & Clamp для Toyota CAMRY/ VISTA/ AURION ACV40, год: 2006 - 2011. OEM запч
Тойота Камри. Впускной коллектор. Toyota Camry (1996) / ef1f3f
Схема на антиблокираща спирачна система (Toyota Camry XV30, 2001-2006) - "Електр
Ответы Mail.ru: Куда подключить провод тахометра от сигнализации в Камри SV 41 1
Передние и задние держатели для чашек в автомобиле Toyota Camry 2001 - 2006
Купить Toyota 2505128150 (25051-28150) Коллектор Выпускной для Toyota Avensis. Ц
Ремонт Тойота Камри : Индукционная система подачи воздуха в двигатель (ACIS) Toy
Самодиагностика Toyota Camry ACV40 - Сообщество "Полезные Советы DRIVE2" на DRIV
Engine control system diagram (1AZ-FE, 2AZ-FE) (Toyota Camry XV30, 2001-2006) -
4-cylinder engine management system (Toyota Camry XV20, 1996-2001) - "Electrical
Air Bag для Toyota CAMRY/ VISTA/ AURION ACV40, год: 2007 - 2011. OEM запчасти -
Тойота Камри. Впускной коллектор. Toyota Camry (1996) / ef1f3f
Парктроник тойота венза схема - фото - АвтоМастер Инфо
Scheme of an automatic air conditioner (Toyota Camry XV30, 2001-2006) - "Electri
Проводка Тойота Камри 40: электросхема
Ответы Mail.ru: Куда подключить провод тахометра от сигнализации в Камри SV 41 1