Смотреть видео: 7812 блок питания схема

Power Switch Basics - Page 1
Схемы блоков питания 3 вольта - найдено 89 картинок
Сигнализация\сирена Jablotron OS-200 - Электроника
Tda2003 - Печатные платы для других УМЗЧ - Форум по радиоэлектронике
Лабораторный БП на TL431 - Страница 53 - Аналоговые блоки питания и стабилизатор
Форум РадиоКот * Просмотр темы - Lm7812 Не Тянет Кулер?
Компьютерная неонка в автомобиль проблема / Форум АДСЛ Клуба - сообщество пользо
Схема стерео усилителя на TDA1552Q с темброблоком на TDA1524A 22Вт на 4 Ом. Ради
Форум РадиоКот * Просмотр темы - Нужна схема БП для маломощного УНЧ.
Переделка подсветки - Страница 2 - Световые эффекты и LED - Форум по радиоэлектр
Схема стерео усилителя на TDA1552Q с темброблоком на TDA1524A 22Вт на 4 Ом. Ради
АКТИВНАЯ ДВУХПОЛОСНАЯ АКУСТИЧЕСКАЯ СИСТЕМА
short circuit - Need safe power supplies for beginner class with indicator light
Sheet_1 Resources
Регулируемый стабилизатор напряжения на 7812 схема - Basanova.ru
Стабилизатор напряжения для парковочной камеры - УАЗ 315195 Hunter, 2,7 л, 2016
Pin on DC power supply
Lm7812 характеристики: Стабилизатор LM7812: Схема включения и характеристики - П
Zoll Geschäft Pelmel spannungsregler 7812 schaltung amazon Ohne Zweifel Liter Sc
Ответы Mail.ru: аналог стабилизатора напряжения kia7809 для блока питания телеви
The dual-polarity symmetric stable power supply (LM7812 and LM7912) - Power_Supp
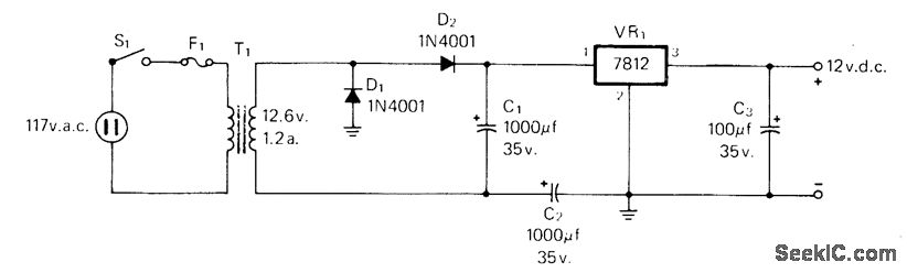
12_V_AT_1_A - Power_Supply_Circuit - Circuit Diagram - SeekIC.com
How to make a split-supply from a single supply by using two linear regulators l
Fonte simétrica 12v regulada por integrado 7812 7912 - TE1 Esquemas eletrônicos,
stabiles, längsgeregeltes Netzteill selber bauen - #12 by HotSystems - Deutsch -
Блок питания на lm7812 схема
Форум РадиоКот * Просмотр темы - Вопрос по стабилизаторам напряжения
10+ 12V Power Supply Circuit Using 7812 Robhosking Diagram
Spectroheliograph - basic electronics
Стабилизатор L7812 Электротехника
Building a small guitar amp - Page 2
Decrease a voltage from 24-27VDC into 18VDC using a 7812 and a bunch of other ho
Контент Borodach - Страница 922 - Форум по радиоэлектронике
Electronic schematics, Electronic circuit projects, Electronics circuit
dual voltage power supply 12 volt under Repository-circuits -31752- : Next.gr
Блок питания 5 вольт схема: Схема адаптера питания на 5 вольт - Производство и п
دنیای ولتاژها از نگاه رگولاتور ها - سیسوگ
IC 7812, 7805 Current Booster Circuit Battery charger circuit, Power supply circ
Стабилизатор напряжения мощный фото - DelaDom.ru
Как Из 19V Получить 12V, 5V И 3V? - Начинающим - Форум по радиоэлектронике