Смотреть видео: 7388 усилитель схема включения

Купить TDA7388 Усилитель звука класса AB УНЧ 4х41Вт
Ответы Mail.ru: работа микросхемы tda 7388
Конденсатор на проводниках (отводах) - Ремонт - Форум по радиоэлектронике
Не Работает Усилитель Tda7688 - Песочница (Q&A) - Форум по радиоэлектронике
Схемотехника, Усилитель, Автомобильная аудиосистема
Tda7388 аналоги замена фото - Сервис Левша
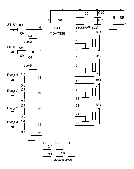
Микросхема TDA7788 УНЧ 4х25w, в помощь немощу, АртРадиоЛаб, Белецкий А. И., г Ва
Контент vas320 - Страница 5 - Форум по радиоэлектронике
Тда 7384: E-TDA7384A, Усилитель низкой частоты 4х35Вт Flexiwatt-25, ST Microelec
Схема китайской автомагнитолы tda7388 - фото - АвтоМастер Инфо
Распиновка усилителя звука: найдено 86 изображений
Схема китайской автомагнитолы tda7388 - фото - АвтоМастер Инфо
TDA7388 AMP Resources
Tda7388 аналоги замена фото - Сервис Левша
Контент Смит - Страница 5 - Форум по радиоэлектронике
Купить TDA7388 Усилитель звука класса AB УНЧ 4х41Вт
Нет выходного сигнала на TDA7388 - Песочница (Q&A) - Форум по радиоэлектронике
Ответы Mail.ru: Как подключить линейный сигнал к нелинейному усилителю?
Усилитель на ta8215 " радиобука
car four channel TDA7388 amplifier board 4X41W car amplifier fever class DC12V -
Головные устройства Ownice C500 - Обсуждение - 4PDA
Ответы Mail.ru: tda7394 схема детали
Проект Black Angel-2
2din китайская магнитола с GPS (Замена TDA) - Nissan Liberty, 2 л, 2001 года эле
TDA7388 4.1 amplifier circuit schematic diagram - YouTube
Усилитель в авто на TDA7388
Форум РадиоКот * Просмотр темы - Линейный преобразователь акустических выходов в
Ответы Mail.ru: привет! помогите найти картинки дна и верха усилителя TDA7388 ил
Tda7388 аналоги замена фото - Сервис Левша
Контент mopss - Форум по радиоэлектронике
Форум РадиоКот :: Просмотр темы - Мелкие вопросы по УНЧ.
Подскажите Простой И Хороший Усилитель ! - Страница 11 - Усилители мощности - Фо
Контент nvju1967 - Страница 14 - Форум по радиоэлектронике
Новые мощные УНЧ класса Hi-Fi NM2042 и NM2043
Контент multik2911 - Страница 5 - Форум по радиоэлектронике
TDA 1552 burczenia na jednym kanale - elektroda.pl
KED20170116036 от Renault Duster 2017 года. Шасси: kr-r16d-mb-v03 - DRIVE2
Ответы Mail.ru: как правельно подключить микросхему CD7388CZ
IC201 Комплект проводов зажигания JAPANPARTS Запчасти на DRIVE2
Форум РадиоКот :: Просмотр темы - как проверить tda7384