Смотреть видео: Узип условное обозначение на схеме

Буквенное обозначение опн на схеме
Применение УЗИП класса I - ЭнергоБеларусь
Энергетическая координация УЗИП и защищаемого оборудования - ЭнергоБеларусь
Где найти схему подключения устройства защиты от импульсных перенапряжений?
АО "Хакель" - российский производитель электротехнической продукции
Применение УЗИП класса I - ЭнергоБеларусь
Устройство защиты Хакель ГСВ3 C - ПроПриборы.ру
Буквенное обозначение опн на схеме
Устройство защиты Хакель ГСВ2 2+0 С - ПроПриборы.ру
Грозозащита своими руками оригинально
Информация для заказа комбинированного и ограничивающего типа NU6 УЗИП CHINT Низ
Узип - схема подключения и установка
Хакель
Устройство защиты Хакель ГСВ2 2+0 С - ПроПриборы.ру
Грозозащита и заземление - разработка, монтаж и обслуживание в Иваново, Кинешме,
Расшифровка зно - Вопросы и ответы
HAKEL --- грозозащита, УЗИП, устройства для защиты от импульсных перенапряжений
HAKEL --- грозозащита, УЗИП, устройства для защиты от импульсных перенапряжений
Молниезащита, грозозащита, защита от импульсных перенапряжений и защита от элект
Защита электроустановок от импульсных грозовых и коммутационных перенапрежений -
B20, B20M :: СВ-Технология
Ответы Mail.ru: Как на принципиальных эл.схемах обозначается ограничитель перена
УЗИП: полноценная молниезащита частного дома
Узип на электрической схеме - TouristMaps.ru
"Изменение N 4 к СП 256.1325800.2016 "Электроустановки жилых и общественных здан
B20, B20M :: СВ-Технология
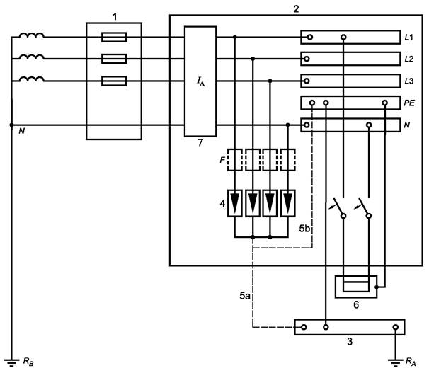
Защита электрических цепей от перенапряжений
Способы защиты от перенапряжений в электрических сетях
Узип условное обозначение на схеме - 91 фото
Как обозначается реле напряжения на однолинейной схеме Электрик в доме Дзен
Ограничитель перенапряжения: устройство, виды, технические характеристики Равенн
Установка ограничителей перенапряжения на объектах
Варисторы, разрядники, узип, опн - всё про защиту от импульсных перенапряжений.(
Ограничитель импульсных перенапряжений схема подключения: Ограничитель импульсны
Электроустановки зданий. Часть 5. Выбор и монтаж электрооборудования. Раздел 534
Обозначение опн на однолинейной схеме - TouristMaps.ru
"Изменение N 4 к СП 256.1325800.2016 "Электроустановки жилых и общественных здан
Назовите состав элегаза. Опишите свойства элегаза. Поясните принцип гашения дуги
Защита от молний в частном доме
Устройство защиты Хакель ГСГ2 С - ПроПриборы.ру