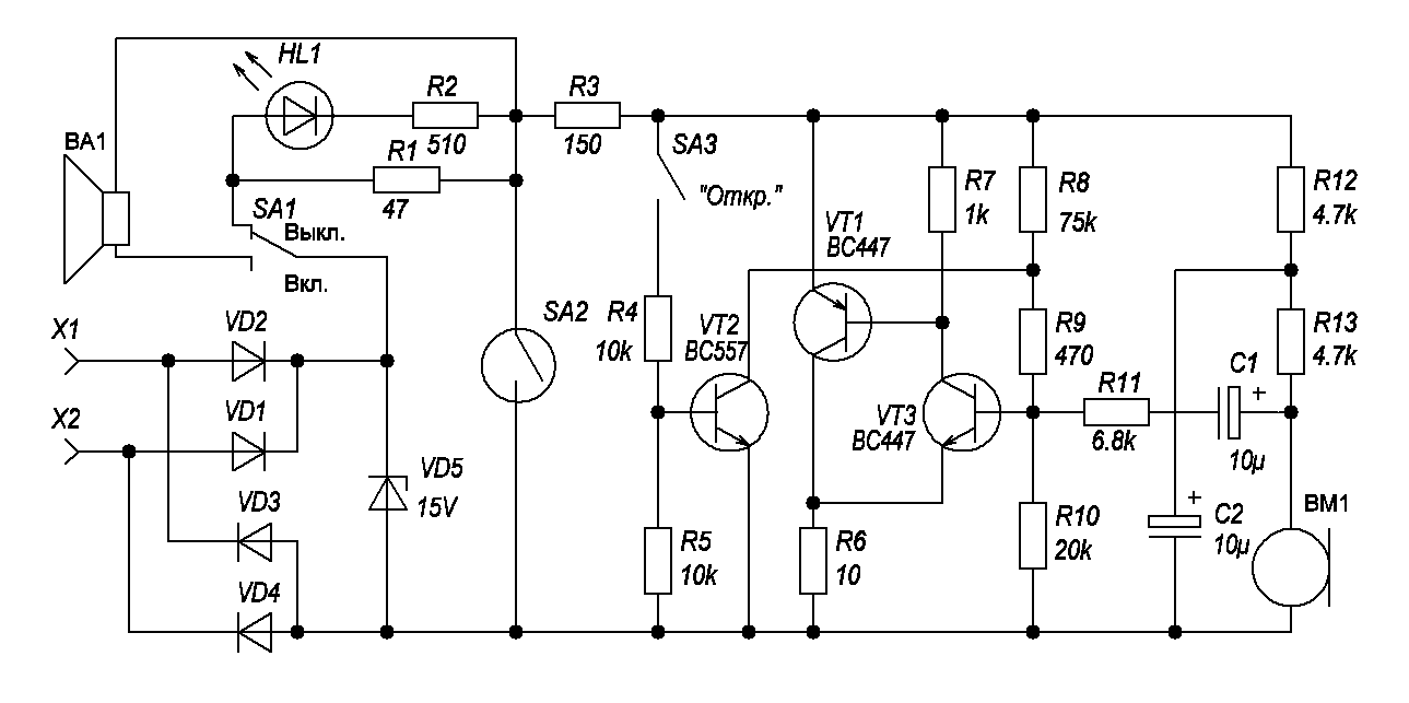
Укп 12 схема принципиальная электрическая

Укп 12 схема принципиальная электрическая
Принципиальная схема трубка
Укп 12 схема принципиальная электрическая
Устройство домофона УКП-8SM, небольшой ремонт и подгонка
Укп 12 схема принципиальная электрическая
Устройство и ремонт трубки домофона. Часть 2. Для дома, для семьи Для дома, для
Укп 12 схема принципиальная электрическая
Раритетный домофон Hi-Tech Селдон Новости
Укп 12 схема принципиальная электрическая
Однокласники Math, Math equations, Equation

Укп 12 схема принципиальная электрическая
Всё о домофонах: Схемы домофонных трубок
Укп 12 схема принципиальная электрическая
Ремонт домофона Cyfral - DRIVE2
Укп 12 схема принципиальная электрическая
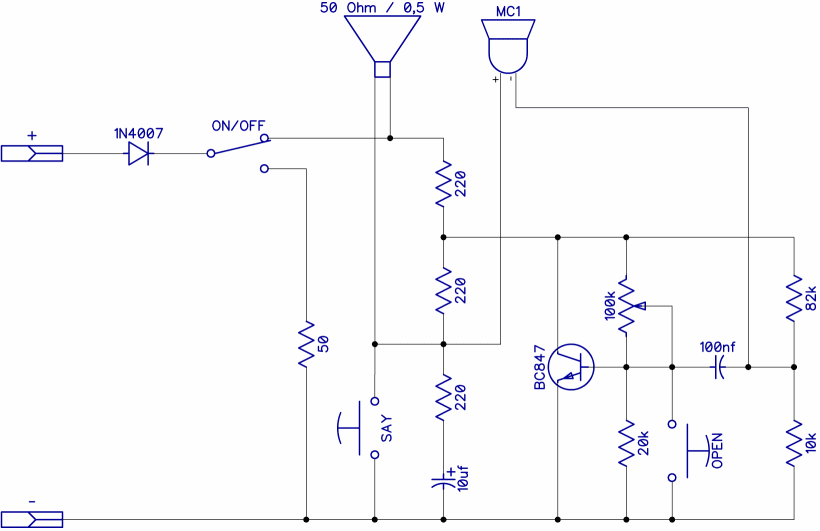
Автооткрытие домофона с голосовым оповещением. Аппаратная платформа Arduino
Укп 12 схема принципиальная электрическая
узел подъёма трубки ТА на транзисторах Техническая библиотека lib.qrz.ru
Укп 12 схема принципиальная электрическая
Простой домофон для частного дома - Конструкции средней сложности - Схемы для на
Укп 12 схема принципиальная электрическая
Домофон из телефона. - ЯПлакалъ
Укп 12 схема принципиальная электрическая
Электронные новости от Мастер Кит (tech.masterkit) : Рассылка : Subscribe.Ru
Укп 12 схема принципиальная электрическая
6. Схемотехника телефонных устройств.
Укп 12 схема принципиальная электрическая
Создание умного домофона с автоответчиком и Интернет-соединением - Версия для пе
Укп 12 схема принципиальная электрическая
Блок вызова домофона VIZIT БВД-SM100R
Укп 12 схема принципиальная электрическая
Ответы Mail.ru: Поломка домофона Визит.
Укп 12 схема принципиальная электрическая
Трубка домофона VIZIT UKP-12-1 - купить в интернет-магазине по низкой цене на Ян
Укп 12 схема принципиальная электрическая
Доработка домофона протоколом MQTT для управления с телефона (версия 2.0) / Habr
Укп 12 схема принципиальная электрическая
Форум РадиоКот * Просмотр темы - домофон - вариант схемы питания и усилителя к э
Укп 12 схема принципиальная электрическая
Ukp
Укп 12 схема принципиальная электрическая
Автооткрывание аналогового домофона Аппаратная платформа Arduino
Укп 12 схема принципиальная электрическая
Домофон укп 9м схема подключения 57 фото - wForm.ru
Укп 12 схема принципиальная электрическая
Координатная трубка VIZIT УКП-12 белого цвета с регулировкой громкости - купить
Укп 12 схема принципиальная электрическая
Купить БПЗУ-24 Блок переключения питания с зарядным устройством в СПб. ТД "Бик"
Укп 12 схема принципиальная электрическая
VRTP - "Мой любимый жучок"
Укп 12 схема принципиальная электрическая
Аудиодомофон, Трубка для домофона VIZIT Safe Home УКП 7М купить по низким ценам
Укп 12 схема принципиальная электрическая
Купить vizit укп-12-1 для дома по выгодной цене 2500 руб. в Новосибирске от пров
Укп 12 схема принципиальная электрическая
Схемы электрические принципиальные домофонов Shtampik.com
Укп 12 схема принципиальная электрическая
Торговая марка VIZIT (Визит): домофоны, видеодомофоны, системы контроля доступа
Укп 12 схема принципиальная электрическая
Схема вызывной аудиопанели AVC-105
Укп 12 схема принципиальная электрическая
Торговая марка VIZIT (Визит): домофоны, видеодомофоны, системы контроля доступа
Укп 12 схема принципиальная электрическая
Схема вызывной аудиопанели AVC-105
Укп 12 схема принципиальная электрическая
УКП-7 трубка для домофонов VIZIT, Элтис - купить в Санкт-Петербурге по разумной
Укп 12 схема принципиальная электрическая
Укп 12 подключение AnikStroy.ru
Укп 12 схема принципиальная электрическая
Принципиальные схемы домофонов - Схемы 2
Укп 12 схема принципиальная электрическая
УКП-12 трубка для домофонов VIZIT, Элтис - купить в Санкт-Петербурге по разумной
Укп 12 схема принципиальная электрическая
Контент mitya1698 - Страница 6 - Форум ELECTRONIX
Укп 12 схема принципиальная электрическая
Схемы электрические принципиальные домофонов
Укп 12 схема принципиальная электрическая
VIZIT Group Forum Powered by Invision Power Board
Укп 12 схема принципиальная электрическая
Купить координатный коммутатор БК-10 в Киеве, Украине Интернет-магазин Smartel.u