Топ-7 финансовых привычек, которые сделают вас богаче в этом году

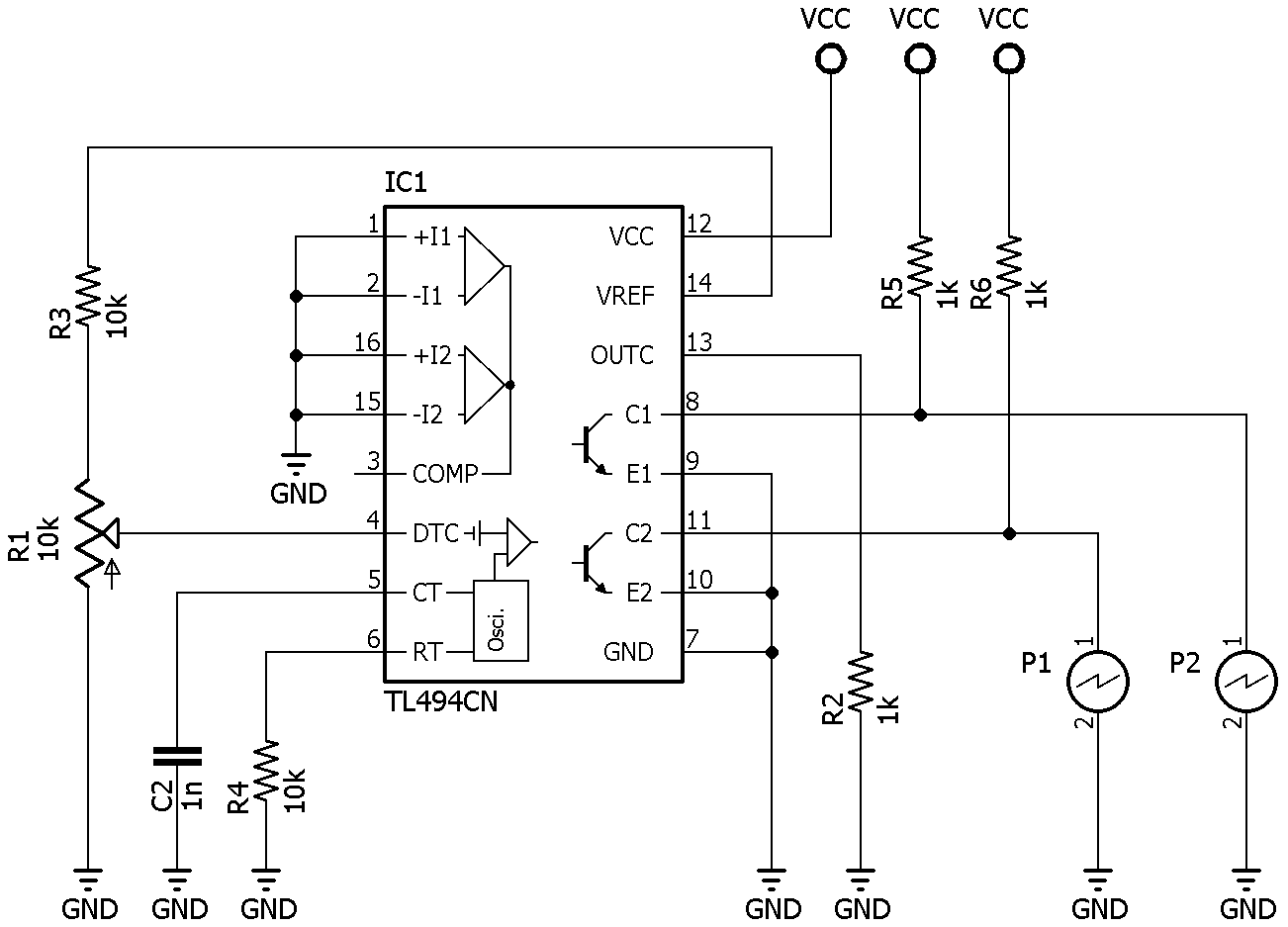
Микросхема TL494CN (торги завершены #249697094)
Правильное зарядное устройство для аккумуляторов с десульфатацией (DIY) - Сообще
VRTP - Мощный БП на основе компьютерного
Лабораторный генератор ШИМ с широким диапазоном частот для проектирования высоко
Tl494 схема включения, datasheet
TL494 Datasheet, Pinout, Application Circuits - Homemade Circuit Projects Circui
Схема преобразователя напряжения 12 в 220 в на TL494 Инверторы, Принципиальная с
Pin on Electronics circuit
Форум РадиоКот :: Просмотр темы - Генератор меандра на микросхеме TL494
Шим-контроллер TL494. Схемотехника
TL494 схема включения, datasheet, TL494CN Электроника, Преобразователь, Разное
A complete step by step tutorial on Introduction to TL494 Electronic circuit pro
Импульсный лабораторный источник питания. Дипломная (ВКР). Информатика, ВТ, теле
Tl494 схема включения - Схемы 1
Схемы электронных устройств
Circuito PWM - Controle de velocidade de motor 12Vdc Esquemas eletrônicos, Circu
TL494 PWM IC Inverter Circuit 50Hz 12V DC to 220V AC - YouTube
Светодиодный стробоскоп (светодиодный маяк) на TL494
Микросхема TL494CN - купить в интернет-магазине по низкой цене на Яндекс Маркете
Tool Electric: Простой инвертор 12-220 вольт 1000 Ватт на микросхеме TL494 Инвер
Форум РадиоКот * Просмотр темы - Генератор меандра на микросхеме TL494
TL494, что это за "зверь" такой? - Начинающим - Теория - В помощь радиолюбителю
Рассмотрим принцип работы двухтактной полумостовой схемы.
Помогите Запараллелить Мосфеты - Импульсные источники питания, инверторы - Форум
TL494 схема включения, datasheet, TL494CN Трансформаторы, Электроника, Радио
Модернизация компьютерного БП
LED accent light that slowly dims when removed from power source - Electrical En
Tl494 питание микросхемы
494 схемы на TL494 - Страница 7 - Импульсные источники питания, инверторы - Фору
TL494 Power Supply for Amplifier 500W 12V to +40V 0 40V - YouTube Eletrônica, Nu
Модернизация компьютерного БП
buck-boost (инвертирующий) на TL494 - Импульсные источники питания, инверторы -
494 схемы на TL494 - Страница 7 - Импульсные источники питания, инверторы - Фору
TL494 Power Supply for Amplifier 500W 12V to +40V 0 40V Electronic circuit proje
Правила 494 от 03.12 2020
Схема подключения tl494 - 83 фото
TL494 Datasheet - PWM Control Circuit Controller - TI
ШИМ контроллер на микросхеме TL494 с большой токовой нагрузкой Принципиальная сх
Tl494 описание на русском: TL494 схема включения, datasheet, TL494CN - Производс
Pin on pwm Diagram, Floor plans, Electronics