Смотреть видео: Типовые схемы включения микросхем 1006ви1



Типовые схемы включения микросхем 1006ви1

Типовые схемы включения микросхем 1006ви1
4.5. Триггерное управление светодиодными лампами по двум проводам . Современные
Типовые схемы включения микросхем 1006ви1
Тест автохолодильника Shiver 30-12V
Типовые схемы включения микросхем 1006ви1
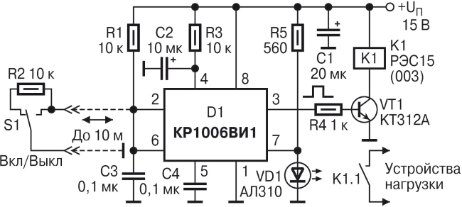
2.2. Устройство дистанционного управления электролампами. Занимательная электрон
Типовые схемы включения микросхем 1006ви1
2.1.1. Как сделать необычным управление "обычным" таймером на микросхеме КР1006В
Типовые схемы включения микросхем 1006ви1
Кр597Са2 схема включения: , , 5972 8 ( ), 5442 - Производство и поставка электро

Типовые схемы включения микросхем 1006ви1
2.1.1. Как сделать необычным управление "обычным" таймером на микросхеме КР1006В
Типовые схемы включения микросхем 1006ви1
Читать книгу Прикладная аквариумистика А. Э. Мюллера : онлайн чтение - страница
Типовые схемы включения микросхем 1006ви1
Таймер на кр1006ви1 схемы
Типовые схемы включения микросхем 1006ви1
Музей электронных раритетов, редкие экземпляры редкие микросхемы, транзисторы, м
Типовые схемы включения микросхем 1006ви1
КР(Ф)1006ВИ1 - программируемый таймер
Типовые схемы включения микросхем 1006ви1
Четырехканальный шифратор с частотным кодированием на таймере КР1006ВИ1
Типовые схемы включения микросхем 1006ви1
Мультивибратор на таймере КР1006ВИ1 - Лекциопедия
Типовые схемы включения микросхем 1006ви1
Многоканальный шифратор на таймерах КР1006ВИ1
Типовые схемы включения микросхем 1006ви1
Развязка аналогового сигнала.
Типовые схемы включения микросхем 1006ви1
Интегральный таймер КР1006ВИ1 (NE555) - Справочные материалы - Теория - Каталог
Типовые схемы включения микросхем 1006ви1
ЛР № 1 (Фомичёв)
Типовые схемы включения микросхем 1006ви1
Микросхема 1006ви1 аналог - TouristMaps.ru
Типовые схемы включения микросхем 1006ви1
Регулятор мощности с широтноимпульсным управлением на основе таймера КР1006ВИ1
Типовые схемы включения микросхем 1006ви1
Интегральный таймер. Расчет основных параметров мультивибратора и одновибратора
Типовые схемы включения микросхем 1006ви1
6.3. Регулятор работы стеклоочистителя . В помощь радиолюбителю. Выпуск 7
Типовые схемы включения микросхем 1006ви1
СТОРОЖ НАПРЯЖЕНИЯ МОДЕЛИСТ-КОНСТРУКТОР
Типовые схемы включения микросхем 1006ви1
Кр1006ви1 аналог зарубежный - TouristMaps.ru
Типовые схемы включения микросхем 1006ви1
Таймер на кр1006ви1 схемы
Типовые схемы включения микросхем 1006ви1
Электропривод с перестраиваемой частотой. Схема, описание
Типовые схемы включения микросхем 1006ви1
Мультивибратор на основе интегрального таймера кр1006ви1
Типовые схемы включения микросхем 1006ви1
КР1006ВИ1 - времязадающее устройство (таймер) - DataSheet
Типовые схемы включения микросхем 1006ви1
Преобразование релейно-контактной схемы управления асинхронным двигателем с фазн
Типовые схемы включения микросхем 1006ви1
РЕГУЛЯТОР МОЩНОСТИ НА КР1006ВИ1 - Регуляторы мощности - Источники питания - Ката
Типовые схемы включения микросхем 1006ви1
Таймер КР1006ВИ1 в управлении освещением
Типовые схемы включения микросхем 1006ви1
IRTC - решение для недорогих спутниковых коллективных систем
Типовые схемы включения микросхем 1006ви1
Электропривод дверных замков(актуатор) в качестве водяного клапана - Форум про р
Типовые схемы включения микросхем 1006ви1
Таймер на кр1006ви1 схемы
Типовые схемы включения микросхем 1006ви1
РЕГУЛЯТОР МОЩНОСТИ НА КР1006ВИ1 - Регуляторы мощности - Источники питания - Ката
Типовые схемы включения микросхем 1006ви1
IRTC - решение для недорогих спутниковых коллективных систем
Типовые схемы включения микросхем 1006ви1
Таймер КР1006ВИ1 в управлении освещением
Типовые схемы включения микросхем 1006ви1
Электроника и схемотехника (Ерёменко В.Т - Стр 16
Типовые схемы включения микросхем 1006ви1
n1 - Стр 9
Типовые схемы включения микросхем 1006ви1
Устройство таймера КР1006ВИ1 (NE555)
Типовые схемы включения микросхем 1006ви1
Функциональные узлы РЭА, несколько полезных схем
Типовые схемы включения микросхем 1006ви1
Таймер 555: схемы (микросхемы) на ne555, интегральный таймер