Смотреть видео: Стабилизатор напряжения на мс кр142ен2б схема включения

Блок питания кр142ен2а схема
Приложение 2.
СТАБИЛИЗАТОРЫ НАПРЯЖЕНИЯ С МИКРОСХЕМОЙ КР142ЕН19А Биполярный транзистор, Электри
К142ен2б схема включения фото
Стабилизаторы напряжения HamLab
Стабилизатор б2 3 схема
К142ЕН1(А-Г), КР142ЕН1(А-Г), К142ЕН2(А-Г), КР142ЕН2(А-Г) - DataSheet
К142ЕН1(А-Г), КР142ЕН1(А-Г), К142ЕН2(А-Г), КР142ЕН2(А-Г) - DataSheet
Кр142ен2а характеристики схема подключения
142ен2б характеристики схема подключения
Стабилизаторы напряжения на микросхемах серии КР142 - Радио для всех
Интегральные стабилизаторы серии К142 (КР142) " Вот схема! - Электронные схемы
Блок питания кр142ен2а схема
Стабилизатор напряжения: для чего он нужен. Что такое стабилизатор напряжения Ко
Схема стабилизатора с высоким коэффициентом стабилизации
Кр142ен14 характеристики схема подключения
142ен2б схема включения микросхема
Схема блока питания на кр142ен3, ен4, и типовая схема включения блок питания из
Блок питания кр142ен2а схема
Тема 4. Стабилизаторы напряжения и тока
Простой стабилизатор напряжения на ИМС 142ЕН1Г
15.5. Электронные стабилизаторы постоянного напряжения
9.3. Интегральные стабилизаторы напряжения с фиксированным выходным напряжением
6.2. Микросхемы аналоговые
Применение микросхем крен - radiobyte
Мощный стабилизатор напряжения (5..30V / 5A)
Стабилизаторы напряжения на микросхемах серии КР142 - Радио для всех
К142ЕП1А, К142ЕП1Б, КР142ЕП1А, КР142ЕП1Б - rcl-radio.ru
схема
142ен2б характеристики схема подключения
Радиосхемы. - Простой лабораторный регулируемый источник питания 3- 33 V
К142ЕН1(А-Г), КР142ЕН1(А-Г), К142ЕН2(А-Г), КР142ЕН2(А-Г) - DataSheet
Контент He3haika - Страница 120 - Форум по радиоэлектронике
142ен2б схема включения микросхема
Схема блока питания на кр142ен1, ен2, и типовая схема включения из запчастей с х
Полезные схемы для радиолюбителей Радиолюбитель, Электронная схема, Книги
Стабилизатор б2 3 схема
К142ен2б схема включения фото
Блок питания кр142ен2а схема
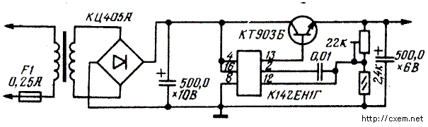
Простой стабилизатор напряжения на 142ЕН1Г+КТ903 (9В/0,5А)