Смотреть видео: Спидола 232 схема электрическая принципиальная

Форум РадиоКот * Просмотр темы - Ищу карту напряжений Spidola 252
Форумы сайта
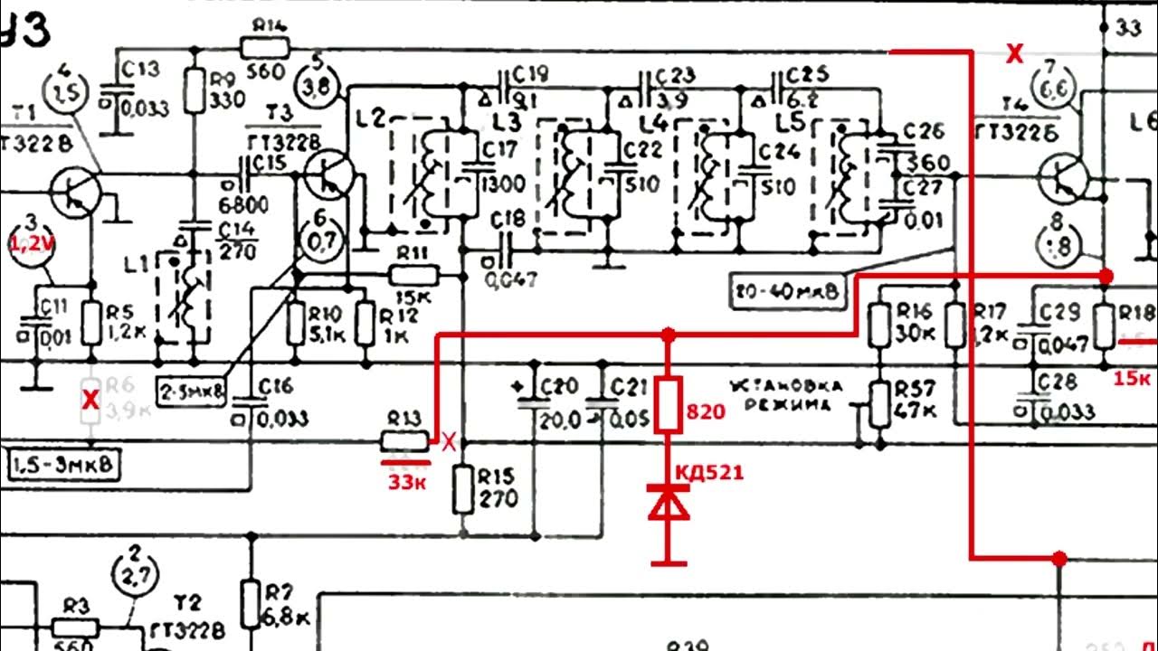
ВЭФ-Спидола 232 (ВЭФ 201-206). Помогите рассчитать (изменить) АРУ
Радиоприемника "Vef Spidola, реставрация и восстановление, с нестандартным добав
Fm Диапазон В Приемнике Spidola 231 - КВ и УКВ радиосвязь - Форум по радиоэлектр
Кто разбирается в Спидолах? Все никак не доведу до ума свою 230-1. УНЧ сделал. А
Контент kunnapuu - Страница 22 - Форум по радиоэлектронике
Форум РадиоКот :: Просмотр темы - Спидола 231
Контент Xorochii - Страница 52 - Форум по радиоэлектронике
For 7$ got this kind of apparatus. Although the ad listed SPIDOLA 230-1. The sca
Spidola 240 Radio VEF Radio Works Valst Elektrotechniska Fabrika, ВЕ Radiomuseum
вэф-202 ремонт
ИЗ "СПИДОЛЫ" - ЛАБОРАТОРИЯ! МОДЕЛИСТ-КОНСТРУКТОР
Планка ФМ на Спидолу . Проблемы с подключением . - Доска объявлений сайта "Отече
Fido - SU.HARDW.SCHEMES - Порвать тельняшку за VEF
Форум РадиоКот * Просмотр темы - Сломалась Spidola 231, что делать
14. Настройка и регулировка усилителя нч
Вэф спидола 232 схема фото и видео - avRussia.ru
Схема электрическая радиоприемника " Спидола 232" (торги завершены #74171946)
VEF SPIDOLA-10 1962 RUS. Service Manual download, schematics, eeprom, repair inf
Форум РадиоКот * Просмотр темы - Сломалась Spidola 231, что делать
14. Настройка и регулировка усилителя нч
TESLA SPIDOLA-240-TR Service Manual download, schematics, eeprom, repair info fo
Радиоприемная бытовая аппаратура. Экспериментальное производство мебели
Spidola 232 схема фото
Ставим FM, а планки нет! Что делать? - смотреть видео онлайн от "Фитнесс Расписа
VEF ПЧ AM настройка с помощю NWT : Клуб любителей радиотехники 20-го в
Стр. 45 журнала "Радио" № 11 за 1966 год (крупно)
Доработка УВЧ УНЧ детектор Спидола 232. VEF-Spidola 232 update - YouTube
Схема vef спидола 232 фото - PwCalc.ru