Смотреть видео: Силовая схема источника питания электролизной установки

2253701 - Устройство управления для формирования газового потока электролизно-во
Электрооборудование электролизных производств - ОСНОВЫ ЭЛЕКТРОТЕХНИКИ, МИКРОЭЛЕК
Принципиальная схема работы электролизной установки скачать
Электролизер для пайки : Мастерская
Электролиз. Электролизные технологии. Электрохимическая обработка.
Форум РадиоКот * Просмотр темы - Источник питания для электролизной установки.
Абдрашитов Я.М., Горин В.Н., Дмитриев Ю.К. - Способ регулирования напряжения на
3.2Схемы электролизных установок.
Лекция № 1. Введение. Энергоэффективность - презентация, доклад, проект скачать
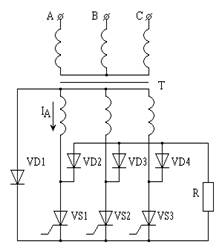
Типовые схемы источников питания электролизных установок
Электролизер для гальванопластики - принцип работы, схема и описание
Решение задачи № 10. Гидроксид рубидия. Команда "Карбораны" - презентация онлайн
Воздуходувка, барбатер, мешалка, насыщение кислородом Аэратор BM promtehvod.ua
БОРТОВАЯ ЭЛЕКТРОЛИЗНАЯ УСТАНОВКА КОСМИЧЕСКОГО АППАРАТА
Энциклопедия Технологий и Методик - Портативный газосварочный электролизный аппа
Газы Производство источников света Освещение
Электролиз воды в промышленных генераторах водорода - Статьи компании "АГС"
3.2. Электролиздің физикалық негіздері
Электростатические установки. Электрофильтры.
Электрохимические и электрофизические установки, Электролизные установки - Элект
Мощные высоковольтные источники питания. Часть 1 Силовая электроника
Фото Схема силовых цепей электровоза ВЛ80С., Схемы электровоза ВЛ80С, - Фото@Mai
Принципиальные схемы силовых цепей
Проектирование систем обеззараживания воды хлорреагентами - технические характер
Электролиз. Электролизные технологии. Электрохимическая обработка.
Как сделать водород из воды HeatProf.ru
Как работает выпрямитель
Сборник принципиальных электрических производственного обурудования
вот такая интересная вещь! - DRIVE2
Функциональная схема ибп - TouristMaps.ru
Функциональная схема ибп - TouristMaps.ru
УСТРОЙСТВО, СИСТЕМА И СПОСОБ ИСТОЧНИКА БЕСПЕРЕБОЙНОГО ПИТАНИЯ
Сборник принципиальных электрических производственного обурудования
Силовая схема электровоза ВЛ80Р
Power-Vision 3F - трехфазный источник бесперебойного питания
Производство водорода - презентация, доклад, проект скачать
Электролизные установки
Диагностирование выпрямительно-инверторных преобразователей, Принцип действия вы
ПОЛУЧЕННАЯ ЭЛЕКТРОЛИЗОМ ВОДА, СОДЕРЖАЩАЯ РАСТВОРЕННЫЙ ВОДОРОД, СПОСОБ ПОЛУЧЕНИЯ
Блоки питания для светодиодного оборудования