Смотреть видео: Схемы жгутов ваз 2110

Жгуты проводов салона ВАЗ-2110 (Чертеж № 218: список деталей, стоимость запчасте
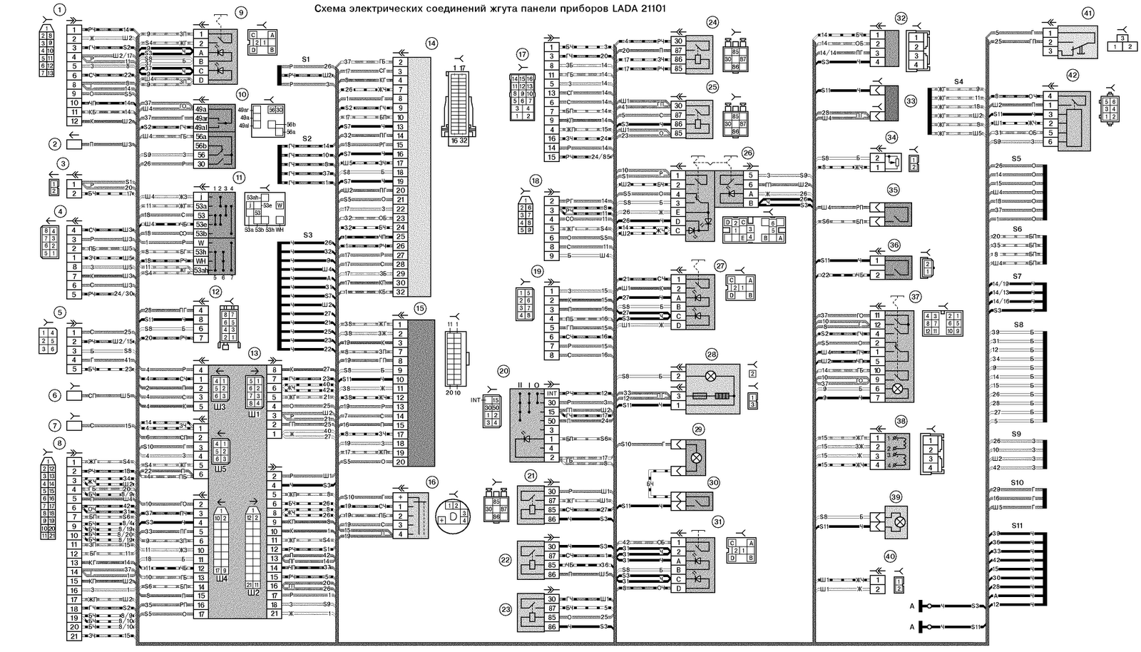
Схема электрических соединений жгута проводов панели приборов 11170 - 3724030-00
Жгуты проводов моторного отсека ВАЗ-2110 (Чертеж № 217: список деталей, стоимост
Схема электрических соединений жгута проводов дополнительного (комплектация "люк
Жгуты проводов салона ВАЗ-2110 (Чертеж № 227: список деталей, стоимость запчасте
Стабилизация напряжения на Модуль Зажигания.Часть 2. Подключение МЗ к главному р
Десятка - пустые разъёмы или почти детектив. - Сообщество "Лада 2110, 2111, 2112
Подключение жгута ваз
Схема ВАЗ-2111
Общая схема электрооборудования ВАЗ-2110 карбюратор
Шумоизоляция торпеды и замена подпанельного жгута и не только) часть 2 - Lada 21
Жгуты проводов панели приборов ВАЗ-2110 (Чертеж № 230: список деталей, стоимость
Жгуты проводов салона ВАЗ . Каталог запчастей с ценами 2110, 2111, 2112 (изд. 20
Жгуты проводов ВАЗ-2111 (Чертеж № 191: список деталей, стоимость запчастей)
Ваз 2110 подключение инжектора
Жгуты проводов салона ВАЗ 2111
Жгуты проводов панели приборов ВАЗ-2110 (Чертеж № 219: список деталей, стоимость
Система зажигания ВАЗ-2110 (Чертеж № 201: список деталей, стоимость запчастей).
MasteraVAZa " ВАЗ 2110: замена проводки своими силами
Блок-фара ВАЗ Лада 2110 Киржач аналог левая 21103711011 Автоваз. Продажа оптом и
Как подключить ручной тормоз к сигнализации starline a93. / Самостоятельная уста
Схема соединения жгутов
Доработка цепи питания ИКЗ - Lada Приора хэтчбек, 1,6 л, 2010 года электроника D
Электрическая схема ВАЗ 21102 - Lada 21102, 1,5 л, 2003 года электроника DRIVE2
Прылада вонкавага асвятлення, светлавы і гукавы сігналізацыя (ВАЗ-2110 "LADA" 19
Схема ВАЗ-2112
Подключение люстры на ваз 4х4(продолжение темы хорошая машина-новая машина) - DR
Схема электрооборудования 2110 Shtampik.com
Жгуты проводов моторного отсека ВАЗ-2110 (Чертеж № 228: список деталей, стоимост
Приборная панель - Lada Калина седан, 2007 года запчасти DRIVE2