Смотреть видео: Схемы установки противовыбросового оборудования

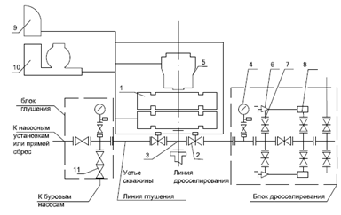
Типовые схемы обвязки противовыбросового оборудования
Схема монтажа ПВО при ИПТ - Чертежи, 3D Модели, Проекты, Добывающая, горная пром
Схема пво - Схемы 1
Гнвп легче предупредить, чем ликвидировать!
Схемы обвязки устья скважин противовыбросовым оборудованием при проведении работ
Технология и техника строительства нефтяной эксплуатационной скважины № 240 мест
Схема пво оп 10
Схема пво оп 2 фото
Монтаж ПВО - Студопедия
Завод РОСНЕФТЕМАШ * Полезное - Как происходит монтаж противовыбросового оборудов
рд:153-39.0-062-00:раздел_6
Типовые схемы обвязки противовыбросового оборудования
Схема обвязки устья - Чертежи, 3D Модели, Проекты, Нефть и Газ
Скачать ГОСТ 13862-90 Оборудование противовыбросовое. Типовые схемы, основные па
Устье скважины схема
Схемы пво при крс
Схемы монтажа противовыбросового оборудования
Разработка технологического регламента на строительство наклонно-направленной ск
Схема пво оп 10
Обязка устья скважины во время бурения - Чертежи, 3D Модели, Проекты, Нефть и Га
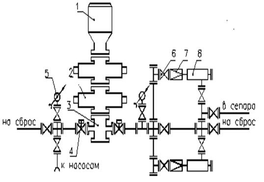
Противовыбросовое оборудование ОП - Новый Арматурный Завод
Схема обвязки устья скважин при освоении - Чертежи, 3D Модели, Проекты, Нефть и
Какое количество схем предусмотрено для обвязки устья бурящихся скважин - 95 фот
Схема устья скважины
Скважина оборудование схема монтажа
Превентор универсальный ПУГ 230-350 чертеж
УПРАВЛЕНИЕ ПРОТИВОВЫБРОСОВЫМ ОБОРУДОВАНИЕМ.
Типовые схемы обвязки противовыбросового оборудования
ООО "Станкотехника"
Противовыбросовое оборудование