Смотреть видео: Схемы управления электрическим освещением



Схемы управления электрическим освещением

Схемы управления электрическим освещением
Схема управления уличным освещением с фотореле в 2024 г Уличное освещение, Освещ
Схемы управления электрическим освещением
Ящики управления освещением ЯУО 9601 и ЯУО 9602 * ТД Пермский электротехнический
Схемы управления электрическим освещением
Схема шкафа управления уличным освещением - фото
Схемы управления электрическим освещением
Однолинейные схемы ящиков управления освещением серии ЯУО9600 Тесла
Схемы управления электрическим освещением
Ящики управления освещением ЯУО

Схемы управления электрическим освещением
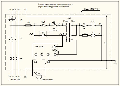
Ящик управления освещением ЯУО 9601, 9602
Схемы управления электрическим освещением
Щит управления освещением с фотореле щуоф-25 - Москва: Щит предназначен для авто
Схемы управления электрическим освещением
Схема освещения HeatProf.ru
Схемы управления электрическим освещением
Двухступенчатое управление с помощью фотореле и реле времени - Студопедия
Схемы управления электрическим освещением
Картинки СХЕМЫ БЛОКОВ УПРАВЛЕНИЯ ОСВЕЩЕНИЕМ
Схемы управления электрическим освещением
Управление наружным освещением Проектирование электроснабжения
Схемы управления электрическим освещением
Купить Схема управления освещением по сигналам таймера
Схемы управления электрическим освещением
Схема подключения уличного освещения HeatProf.ru
Схемы управления электрическим освещением
Схема шкафа управления уличным освещением - Наша недвижка, наш дом, наша квартир
Схемы управления электрическим освещением
Продукция DEKraft - Ящик управления освещения ЯУО
Схемы управления электрическим освещением
Шкаф электрический управления освещением купить в Севастополе, Крыму - СевТехнол
Схемы управления электрическим освещением
Схемы управления светом, которые должен знать каждый электрик Лампа Электрика Дз
Схемы управления электрическим освещением
Управляем освещением при помощи Android устройства - смотреть видео онлайн от "K
Схемы управления электрическим освещением
Ящики управления освещением ЯУО 9601 цена и характеристики
Схемы управления электрическим освещением
Вводно распределительное устройство ВРУ 1 цена
Схемы управления электрическим освещением
Автоматическое включение / отключение наружного освещения и архитектурной подсве
Схемы управления электрическим освещением
Установка наружного освещения фото, видео - 38rosta.ru
Схемы управления электрическим освещением
Рекомендации по выполнению электрического освещения. Управление светотехникой.
Схемы управления электрическим освещением
Схема управления освещением с двух мест фото - DelaDom.ru
Схемы управления электрическим освещением
Схемы дистанционного управления наружным освещением
Схемы управления электрическим освещением
Шкаф уличного освещения типа И-710. Электрощитовое оборудование.
Схемы управления электрическим освещением
УПРАВЛЕНИЕ ЭЛЕКТРИЧЕСКИМ ОСВЕЩЕНИЕМ, Основные принципы организации и схемы управ
Схемы управления электрическим освещением
Шкаф наружного освещения ШНО цена в Минске Купить шкаф ШНО
Схемы управления электрическим освещением
Щит освещения ЩО-МЕС-33-101-25-65У3.1
Схемы управления электрическим освещением
Ящики управления освещением серии ЯУО 9600 - KazElectroSnab