Смотреть видео: Схемы материнских плат для boardviewer



Схемы материнских плат для boardviewer

Схемы материнских плат для boardviewer
ASUS TUSI-M REV 1.04 - BoardView (.ASC) - Gerenciador de arquivos - EletrônicaBR
Схемы материнских плат для boardviewer
Boardviewer схемы материнских плат
Схемы материнских плат для boardviewer
Dell Alienware Aurora R6 Pegatron IPKBL-SC BoardView.CAD - MotherBoards PC - Dev
Схемы материнских плат для boardviewer
Как запустить BoardViewer в OS ubuntu
Схемы материнских плат для boardviewer
Wistron Odin ADL-P 203128-SC BoardView (.gr) СервисКомп форум по ремонту радиоэл

Схемы материнских плат для boardviewer
ASUS B360M-DRAGON 1.04 BoardViewer СервисКомп форум по ремонту радиоэлектронной
Схемы материнских плат для boardviewer
K42DR Rev 2.3 Boardview ASUS BDV - YouTube
Схемы материнских плат для boardviewer
Boardview схемы материнских плат
Схемы материнских плат для boardviewer
Boardviewer схемы фото и видео - avRussia.ru
Схемы материнских плат для boardviewer
Схема HP Compaq Presario CQ57 Foxconn Chicago CP_HPC boardview (TSICT) СервисКом
Схемы материнских плат для boardviewer
Схема Boardview ASUS A507M, X507M, X507MA
Схемы материнских плат для boardviewer
Boardview схемы материнских плат фото и видео - avRussia.ru
Схемы материнских плат для boardviewer
Схемы материнских плат. Где искать. Чем смотреть. Материнская плата, Ремонт
Схемы материнских плат для boardviewer
Premium - Lenovo THINKPAD T570 - LTS-1 - 16820-1 Boardview Forum Teknisi Laptop
Схемы материнских плат для boardviewer
Gigabyte GV-N307TAORUS M-8GD Boardview (.tvw) СервисКомп форум по ремонту радиоэ
Схемы материнских плат для boardviewer
Boardview ASRock B450M PRO4-F r1.00 70-MXBAB0-A01 - YouTube
Схемы материнских плат для boardviewer
Boardviewer схемы фото и видео - avRussia.ru
Схемы материнских плат для boardviewer
Файлообменник Схемы и Service Manual Другая аппаратура - Материнские платыСтрани
Схемы материнских плат для boardviewer
Schemat GIGABYTE GeForce RTX 3080 GAMING OC 10G (GV-N3080GAMING-OC-10GD) * Forum
Схемы материнских плат для boardviewer
x553ma schematicCheap Sell - OFF66
Схемы материнских плат для boardviewer
Premium - DL-H87M REV1.05 Boardview Forum Teknisi Laptop Indonesia
Схемы материнских плат для boardviewer
Схемы материнских плат для boardviewer
Схемы материнских плат для boardviewer
Genius Mind Laptop Repair Kandy Sri Lanka : January 2023
Схемы материнских плат для boardviewer
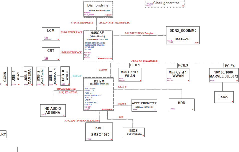
IDF: Kommender Dual-Core-Atom D510 für Nettops mit 13 Watt TDP heise online
Схемы материнских плат для boardviewer
Вычислительный модуль "E8C-uATX" - Галфвинд
Схемы материнских плат для boardviewer
Dell Precision T3610 DELL Bells 3 Bell 3 Schematic.PDF and BoardView.CAD/.PDF/.B
Схемы материнских плат для boardviewer
Cellula somatica progressivo Consecutivo asus x555ld hdd board rev 3.3 torneo ta
Схемы материнских плат для boardviewer
Boardviewer 2.1.0.8 for all board view extension. - HISAH TECH LIMITED
Схемы материнских плат для boardviewer
Схемы материнских плат для boardviewer
Схемы материнских плат для boardviewer
RAICHU GL 18754-1M SCHEMATIC ACER ASPIRE 3 A314-33 - YouTube
Схемы материнских плат для boardviewer
Принципиальная схема материнской платы JV71- M V - Схемы КТ - Компьютеры/Телефон
Схемы материнских плат для boardviewer
Схема Boardview HP SlateBook x2 10-h series
Схемы материнских плат для boardviewer
Board схемы
Схемы материнских плат для boardviewer
Schemat Acer Aspire 5730 5330 Wistron Cathedral Peak CP 07261 48.4J501.001 * For
Схемы материнских плат для boardviewer
zvonček arašidy rozjarený compaq cq57 motherboard sledovať Dovolenka neaktívne
Схемы материнских плат для boardviewer
MS-9656 схема и BoardViewer СервисКомп форум по ремонту радиоэлектронной аппарат
Схемы материнских плат для boardviewer
Dell Inspiron 3153/3158/7353/7359/7553/7568 Wistron Cottonwood 14275-1 Schematic
Схемы материнских плат для boardviewer
Boardviewer схемы - TouristMaps.ru
Схемы материнских плат для boardviewer
Premium - MSI X79A-GD65 (8D) - MS-7760 Rev 2.0 BoardView Forum Teknisi Laptop In
Схемы материнских плат для boardviewer
Промышленная материнская плата D3543-S3