Смотреть видео: Схемы электрооборудования и проводов вольво внл америка

Электросхема вольво 670 Sarma-Auto.ru
Апартаменты веста 60 фото - KubZap.ru
Схемы электрооборудования Volvo 740 и 760 2.0, 2.3, 2.3 турбо, 2.8л " Схемы пред
Semi Truck Wiring Diagram - Semi Truck Trailer Plug Wiring Diagram Page 1 Line 1
Электросхемы VOLVO FM Euro 5 - Автозапчасти и автоХитрости
электрическая схема вольво 340 - Volvo 340, 1,7 л, 1989 года фотография DRIVE2
Электросхемы VOLVO EURO 6 - Автозапчасти и автоХитрости
Схема проводки вольво 850 - фото - АвтоМастер Инфо
Схема кондиционера вольво внл - фото - АвтоМастер Инфо
Коды ошибок тахографа вольво fh13 - фото - АвтоМастер Инфо
Схема проводки вольво 850 - фото - АвтоМастер Инфо
Электросхема вольво 670 Sarma-Auto.ru
Схема кондиционера вольво внл - фото - АвтоМастер Инфо
Электрические схемы - Volvo S60 (2G), 2,4 л, 2012 года электроника DRIVE2
Volvo 960 (1995) - wiring diagrams - retained accessory power - Carknowledge.inf
Схема кондиционера вольво внл - фото - АвтоМастер Инфо
Схема проводки вольво 740 60 фото - KubZap.ru
Схема проводки вольво 850 - фото - АвтоМастер Инфо
VOLVO FM, FH Схема соединений (структурная) - статьи по ремонту автомобилей - ст
Volvo 740 (1986 - 1987) - wiring diagrams - fuel controls - Carknowledge.info
Электрическая схема вольво: найдено 88 изображений
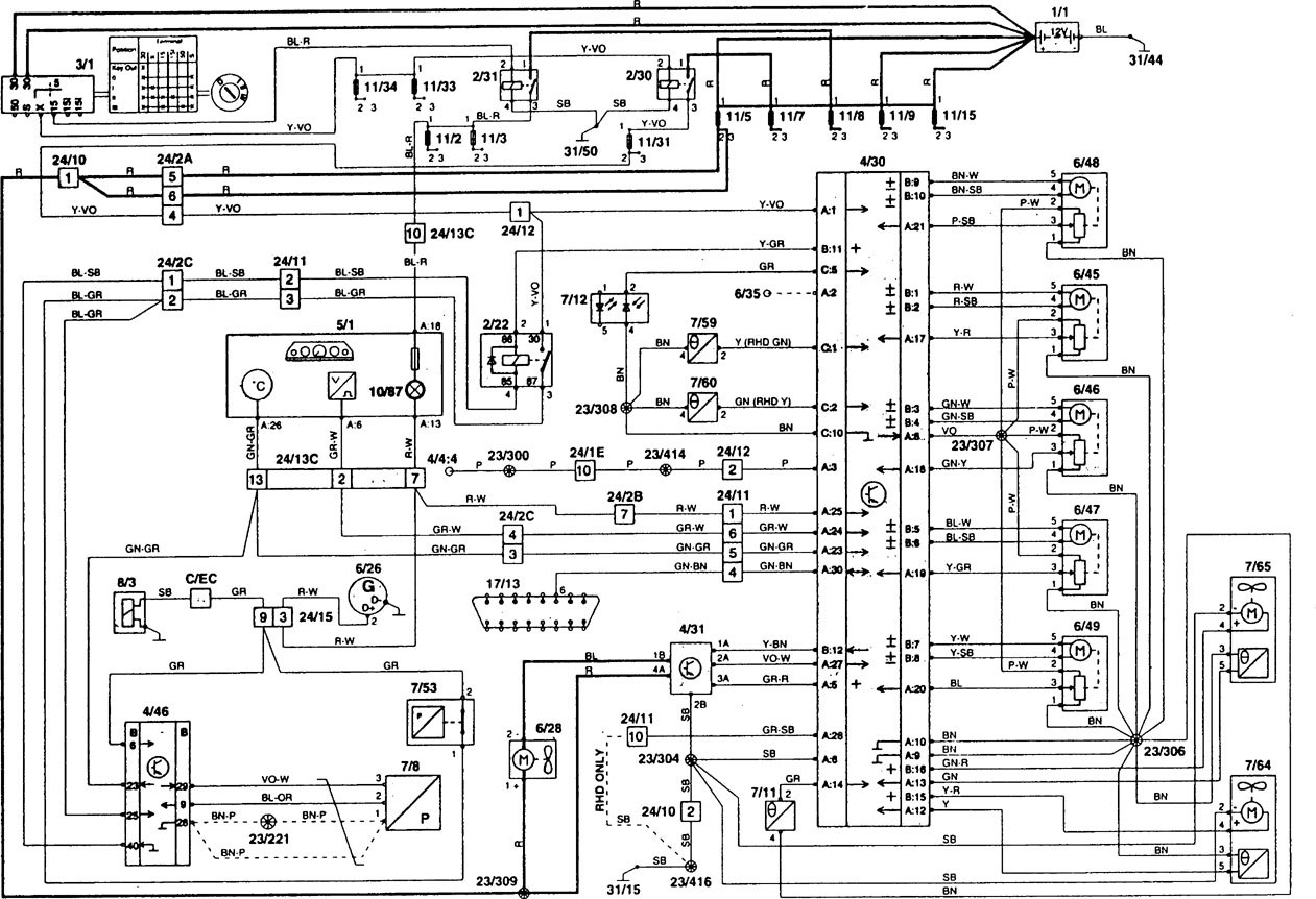
Volvo 850 (1997) - wiring diagrams - HVAC controls - Carknowledge.info
VOLVO (ВОЛЬВО) FH 12 электрические схемы EDC управления двигателем D12А - Информ
Электросхема volvo fmx LkbAuto.ru
Схема электропроводки fh12 вольво - КарЛайн.ру
VOLVO FM, FH Схема соединений (структурная) - статьи по ремонту автомобилей - ст
VOLVO FM9 FM12 FH12,электрическая схема Tridem - статьи по ремонту - автомануалы
VOLVO (ВОЛЬВО) FH 12\FH 16 электрические схемы-стеклоочеститель,омыватель и омыв
VOLVO FM9, FM12, FH12, FH16, NH12 второй версии электрическая схема силовой цепи
Электросхема на вольво fh12 русском - КарЛайн.ру
Электросхемы VOLVO FM9, FM12, FH12, FH16, NH12 - Автозапчасти и автоХитрости
Volvo 850 (1997) - wiring diagrams - HVAC controls - Carknowledge.info
Volvo 740 (1986 - 1987) - wiring diagrams - fuel controls - Carknowledge.info
Hayes/BrakeSmart/MaxBrake Controllers Heavy Haulers RV Resource Guide
Схема проводки вольво 850 - фото - АвтоМастер Инфо
VOLVO (ВОЛЬВО) FH 12 электрические схемы EDC управления двигателем D12А - Информ
Электрическая схема вольво: найдено 88 изображений
Вольво Вольво Фотографии. Дополнения к автомобильным отзывам.
VOLVO FM9, FM12, FH12, FH16, NH12 второй версии электрическая схема освещения -
Схемы электрооборудования Volvo 740 / 760 с 1982-1988 " Схемы предохранителей, э