Смотреть видео: Схемы dc dc преобразователей на транзисторах

Ответы Mail.ru: Какой резистор надо заменить на этой схеме на подстроечный чтобы
power supply - Can this boost converter circuit work? - Electrical Engineering S
Как работает повышающий преобразователь DC-DC Дмитрий Компанец Дзен
Dc - dc преобразователь напряжения с 12 на 5 вольт. схема и описание
MC34063 С ВНЕШНИМ КЛЮЧОМ НА ТРАНЗИСТОРЕ Электронная схема, Электроника, Инвертор
DC-DC преобразователь напряжения 12В в 40В на таймере серии 555
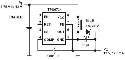
Re: I'd bet on a bad power supply: Photographic Science and Technology Forum: Di
Преобразователь Для 6 Светодиодов От 1,5В. - Питание LED и источников света - Фо
Преобразователь 12-24Вольт - DRIVE2
Простой Powerbank своими руками Каталог самоделок Electronic circuit projects, E
Форум РадиоКот :: Просмотр темы - "Преобразователь питания на MC34063"
Схемы для радио начинающих. Принципиальные электрические радиосхемы. Преобразова
Напряжение питания 5 в
High Voltage DC DC Power Supply - YouTube
Ответы Mail.ru: Выдерит ли магнитолу данная схема
Ответы Mail.ru: Преобразователь на mc34063
Pin auf Technika Elektronische schaltung, Elektronische schaltpläne, Elektronik
Index of /im/TI/dc-dc/pwm
Эффективный двуполярный преобразователь напряжения шины USB
Паноптикум микросхем - Страна советов! Общий раздел - Форум журнала практической
Преобразователь повышающий на MT3608
Форум РадиоКот * Просмотр темы - простой повышающий преобразователь - вопрос кпд
Datasheet и схемы: Как умощнить выход микросхемы импульсного DC-DC понижающего п
Преобразователь напряжения Мастер-Кит PW842, повышающий DC/DC, 8A KIT PW842 - ку
Контент V_ZnT - Страница 2 - Форум по радиоэлектронике
dc-dc своими руками,импульсный преобразователь,понижающий импульсный dc-dc,isl65
MC34063 схема Электронная схема, Радиолюбитель, Принципиальная схема
Transistor DC/DC Converter Circuit - Basic_Circuit - Circuit Diagram - SeekIC.co
повышающий преобразователь DC-DC с 5 на 12 вольт. - YouTube
Yarfischer (yarfischer) - Profile Pinterest
Микросхемы преобразователей напряжения dc. Преобразователь напряжения dc dc схем
Повышающий DC-DC преобразователь 5В/15В rcl-radio.ru Преобразователь, Электронна
Ответы Mail.ru: дайте схему преобразователя напряжения с 4.5 в до 9 в и 12 в! ес
dc_to_dc_CONVERTER_II - A-D_D-A_Converter_Circuit - Circuit Diagram - SeekIC.com
Простой импульсный преобразователь напряжения из 6В в 12В (BC547, BD679)
MOSFET resonant DC-DC converter circuit diagram with high efficiency - Power_Sup
Стабилизатор для глазок - BMW 5 series (E34), 2,5 л, 1995 года электроника DRIVE
12v 19v 3a - Страница 43 - Импульсные источники питания, инверторы - Форум по ра
Прошу помощи с DC-DC stepUP - Сообщество "Электронные Поделки" на DRIVE2
Building a SMPS based on the MC34063 - Part 3: Revisiting and testing with a con