Смотреть видео: Схемы блоков питания e141940 94v 0

Форум РадиоКот * Просмотр темы - Шим PR8238T и аналоги из увлажнителя Polaris.
Импульсный блок питания Behinger V-Verb Pro - Импульсные источники питания, инве
GRUNDIG Vision 4 - нет дежурного режима
PCBA Schematics Design for Your Production in China - QualityInspection.org
Блок питания плата схема
Монитор philips 170s включается и гаснет - Форум по электронике
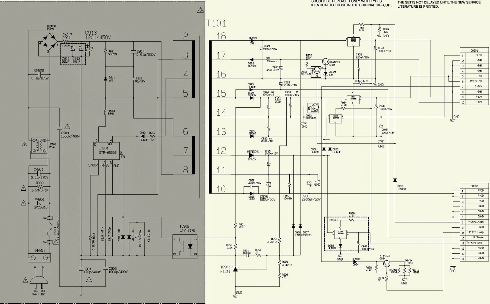
45.006.399-002 REV 02 - OSHWLab
Crossword puzzle, Post, Months
Подскажите По Ибп Rd-125-2412. - Разное - Форум по радиоэлектронике
Electro help: H-BUSTER - HBTV 3204HD - LCD TV - POWER - SCHEMATIC CIRCUIT DAGRAM
Ответы Mail.ru: помогите найти схему. asus x200m материнка ml 94v-0 e251244 схем
Power Supply 94V0 Circuit Board Diagram
LG M208WА-BZ не включается Ремонт Лайфхаки по ремонту электроники Дзен
LG EAX40409101 W1942S CHASSIS LM57G PSU SCH Service Manual download, schematics,
Electro help: LG POWER SUPPLY - EAY62810801 - SCHEMATIC - LED LCD TV
12v 19v 3a - Страница 47 - Импульсные источники питания, инверторы - Форум по ра
Схемотехника и типовые неисправности источников питания мониторов SAMSUNG
Распознавание радиодеталей и устройств - Страница 437 - Справочная радиоэлементо
Неисправность DVD BBK-965s ( РЕШЕНО
russian по низкой цене! russian с фотографиями, картинки на схема инвертор photo
E89382 Hannstar J Mv 4 94V 0 Schematics Pdf
LG OEM LGIT PLDE-P007A SCH Service Manual download, schematics, eeprom, repair i
In Схема торговля, купить Схема напрямую с завода производящего In на Alibaba.co
BEKO Z1J194-11 POWER SUPPLY SCH Service Manual download, schematics, eeprom, rep
Схема tci a7s d 94v 0 фото
Блок питания MeanWell IRM-60-24ST, шестой из шести
E323980 94v 0 схема - TouristMaps.ru
Toshiba a300 resetuje się - elektroda.pl
Electro help: LG HT202SF-0 (SH22SF-S SH22SF-W) SMPS POWER AMPLIFIER_SCHEMATICS
94v 0 плата схема
Схема блока питания yk-018a2 94v0 cem-1 - Дайте схему! - Форум по радиоэлектрони
Схема блока питания NB-90B19-AAA 90W Принципиальная схема, Материнская плата, Ре
Ck77 94v 0 Wiring Diagram - Your Ultimate Guide to Wiring Diagrams!
E141940 BSDP2206001AK Мощность доска BSFT-003 1034C 5V 12V
TPS51120RH Original supply, US $ 0.5-1 , TI Texas Instruments, TPS51120RH Suppli
ASAL1048A01 V: 1,0 E141940 CEM-1 ZD-95(G)F плата питания поставляется с постоянн
ASAL1048A01 V: 1,0 E141940 CEM-1 ZD-95(G)F плата питания поставляется с постоянн
Pin on Electronic circuits
Схема gdp-003 94v-0 - 27 Января 2024
Зарядное устройство из любого БП компьютера - Lada 21099, 1,5 л, 2000 года элект