Смотреть видео: Схемы блока питания на 13 5в 25а

Блок питания B2L060ESB ECOLA пульсирует напряжение Ремонт Лайфхаки по ремонту эл
Мощный лабораторный источник питания для ремонта электрооборудования и зарядки а
Прототипы схем стабилизаторов для ДЗ по ИЭЭВС
Установка китайской магнитолы 7652D
Простые схемы блоков питания. Для начинающих. Часть 2 -импульсный. Лайфхаки по р
Блок питания трансивера
Делаем сами - своими руками.: Блок питания с регулируемым выходным напряжением о
Принципиальная схема мощного блока питания с защитой и напряжением 5-15В, ток 20
Простой, импульсный блок питания на IR2153
Бюджетный блок питания Аппаратная платформа Arduino
Ответы Mail.ru: Скажите на сколько вольт должен быть конденсатор С2 в этой схеме
Logic PSU with Overvoltage Protection
Блок питания 1,5в, 3,3в, 5в, 12в, 24в, самому собрать из подручных деталей мощны
Pin by Валентин Осадчий on измерения Zdroje, Led tv, Math
Блок питания 12в 15а - CormanStroy.ru
Форум РадиоКот :: Просмотр темы - Щелкает блок питания
Трансформаторный Простой блок питания 12 В 1,25А. Схема блока питания. Источники
Блок питания с регулировкой напряжения и тока Retro radios, Power supply circuit
Ответы Mail.ru: Электроника и электротехника
Импульсный маломощный источник питания 5V 0.5A
Возможно ли улучшить БП 12В 3А - Песочница (Q&A) - Форум по радиоэлектронике
Схемы универсальных блоков питания для ноутбуков - на 12В, 15В, 18В, 19В, 20В, 2
Блок питания для часов 1,5В Все своими руками
Источники питания на 12 Вольт с защитными стабилитронами и диодом Шоттки - как у
Імпульсний блок живлення 24В 4А XK-2412-24
Блока питания 12в 5а схема в 2020 г Электротехника, Электронная схема, Электрони
Ответы Mail.ru: Помогите пожалуйста мне электрическую принципиальную схему заряд
Блок питания 3 вольта фото - DelaDom.ru
эллл.JPG- Viewing image -The Picture Hosting
Ответы Mail.ru: вопрос про бп
Схемы блоков питания для трансиверов - TouristMaps.ru
Радиосхемы. - Блок питания 13V, 20A
Блок питания 12 10 схему - Схемы 2
Источник питания для автомобильного трансивера 13В 20А
Блок питания для трансивера 13В
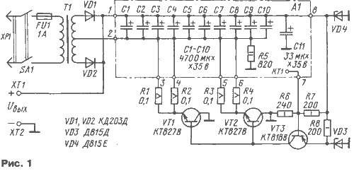
Блок питания для трансивера 13,8В 25А
Контент KRAB - Страница 425 - Форум по радиоэлектронике
Блок питания для гаража, shema
Мощный источник питания
Блок Питания 13.8В 30А - Аналоговые блоки питания и стабилизаторы напряжения - Ф