Смотреть видео: Схема включения вентилятора шевроле ланос

Eliminate excess pressure in the cooling system Chevrolet Lanos 2005 - 2009
Не включается вентилятор охлаждения на Шевроле Ланос
К.З. в схеме эл. вентилятора радиатора. Где может коротить? - Сообщество "Union
Схема дэу ланос - КарЛайн.ру
Поломка доп. вентилятора (вентилятор кондиционера) - Chevrolet Lacetti Sedan, 1,
Снятие и установка термостата автомобиле Ланос и Сенс
Шевроле ланос не работает вентилятор охлаждения двигателя что делать
Установка кондиционера завершена. - Daewoo Lanos, 1,5 л, 2006 года тюнинг DRIVE2
Chevrolet Lanos / Daewoo Lanos. Руководство - часть 155
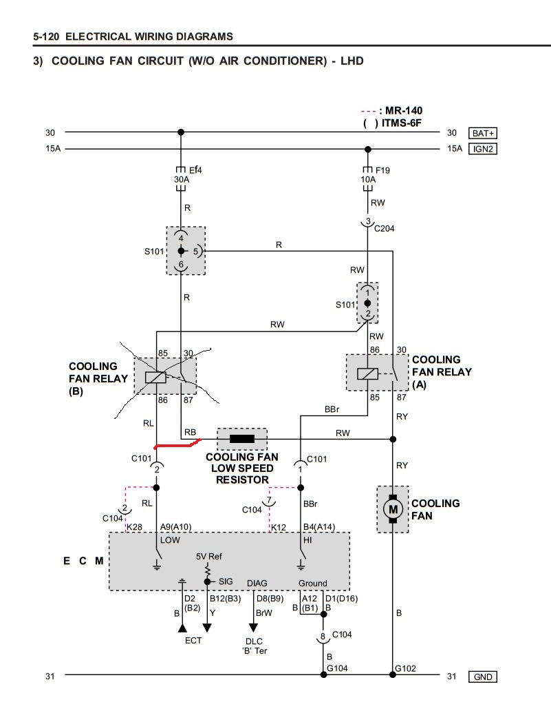
Схема электрооборудования Chevrolet Lanos
Неправильная работа переключателя отопителя. Нужна помощь советом. - Chevrolet L
История благодарностей участнику - Форум Шевроле Lanos/ЗАЗ Chance/Sens клуба
Форум Шевроле Lanos/ЗАЗ Chance/Sens клуба Русская версия Invision Power Board
Установка дополнительного вентилятора - Chevrolet Lacetti SW, 1,6 л, 2011 года т
Ланос электросхемы, часть 1 - DRIVE2
Дэу Матиз 1 1998-2005, бензин: Схема включения кондиционера и вентилятора (двига
Scheme of switching on the fan of the engine cooling system (Chevrolet Lacetti 1
Схема включения вентиляторов ланос
Установка кондиционера. Кто как подключал дополнительный вентилятор? - Chevrolet
Схема электрооборудования Chevrolet Lanos
Не включається кондиціонер?! - Daewoo Lanos, 1,5 л, 2007 года своими руками DRIV
Ланос схема включения вентилятора охлаждения
Пропайка косы моторного отсека. - Daewoo Lanos, 1,5 л, 2008 года своими руками D
Схема включения вентилятора шевроле ланос - 94 фото
Электрика ( схемы ) - Daewoo Lanos, 1,5 л, 2008 года просто так DRIVE2
Руководство по ремонту Chevrolet Aveo (Шевроле Авео) 2003-2008 г.в. 10.8. Электр
Схема электрооборудования Chevrolet Lanos
Схема электрооборудования Chevrolet Lanos
Электросхемы и электрооборудование daewoo sens
Схема chevrolet lanos
Электрическая схема ланос Shtampik.com
Кондиционер Шевроле Ланос,шевроле ланос кондиционер, схема кондиционера шевроле
Схема ланос схема кондиционер - фото
Когда включается вентилятор охлаждения двигателя на дэу матиз - 95 фото
Схемы электропитания ч2. - DRIVE2
Электрика ( схемы ) - Daewoo Lanos, 1,5 л, 2008 года просто так DRIVE2
Электросхема шанс
Электросхемы автомобиля Chevrolet Lanos - Chevrolet Lanos, 1,5 л, 2009 года элек
Схема вентилятора охлаждения заз шанс
Резистор низкой скорости вентилятора. Где он? - Chevrolet Lanos, 1,5 л, 2006 год