Смотреть видео: Схема управления шаговым двигателем

Управление шаговым двигателем Электронная схема, Двигатель, Ардуино
Форум РадиоКот * Просмотр темы - Шаговый двигатель STH-39D118
555 схем на таймере - Страница 66 - Схемотехника для начинающих - Форум по радио
Управление шаговым двигателем
Драйвер шаговый двигатель униполярный схема Спец Рем Info Постила
Ответы Mail.ru: возможно ли запустить такой двигатель?
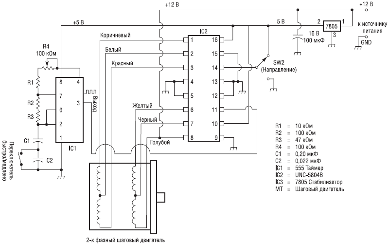
Другая жизнь LPT порта (часть 3) Лучшие радиолюбительские схемы
Простая схема обеспечивает равномерное управление шаговым двигателем Двигатель,
Читать онлайн книгу Создаем робота-андроида своими руками - Джон Ловин бесплатно
AFE - Автономный контроллер униполярного шагового двигателя.
Простая схема управления шаговым двигателем - AD9833
Шаговые двигатели: особенности и практические схемы управления. Часть 2
Управление воздушной заслонкой - DRIVE2
Stepper Motor Driver Circuit Stepper motor, Circuit diagram, Motor
Контент Yuriy.pv - Страница 2 - Форум по радиоэлектронике
Контент Borodach - Страница 788 - Форум по радиоэлектронике
Контент ВячеславЛ - Страница 5 - Форум по радиоэлектронике
Ответы Mail.ru: как подключить такой моторчик? нужен для микро дрели
Схема платы управления для мощного биполярного шагового двигателя
Драйвер шагового двигателя USB на микроконтроллере AVR своими руками - схема сво
Драйвера для шаговых двигателей: Что такое драйвер шагового двигателя, принцип р
FAQ о шаговых двигателях - Роботы и модели на дистанционном управлении - Форум п
Интерфейс позволяет микропроцессору управлять шаговым двигателем
Подключение униполярных шаговых двигателей к биполярному драйверу.
Шаговые двигатели - типы, устройство и принцип работы, подключение и управление
Index of /Power/- PowerControl/- StepperControl/B-101-BipolarStepperControl
Драйвер шагового двигателя Схемотехника, Драйвер, Двигатель
Контроллер биполярного шагового двигателя на ATtiny24 " ALIOT - Лабораторія Прак
Паяльник & Отвертка TEAM part II - Форум onliner.by
Шаговые двигатели: особенности и практические схемы управления. Часть 2