Смотреть видео: Схема стерео усилителя на микросхемах тда

Радиоконструктор 074 - Стереофонический усилитель на TDA7297 Maks Puzanov Дзен
Родной мафон - FIAT Marea, 1,6 л, 1997 года автозвук DRIVE2
схема усилителя звука изготовленного своими руками Усилитель, Усилители звука, П
Стереоусилитель на TDA1518BQ Function generator, Diy guitar amp, Design basics
Вторая жизнь Бумбокса LG CD-372AX - Lada 4x4 3D, 1,8 л, 1999 года электроника DR
Усилитель для планшета - Lada Калина универсал, 1,6 л, 2009 года другое DRIVE2
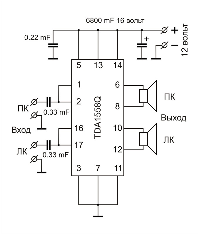
Усилитель низкой частоты 22Вт+22Вт на микросхеме TDA1557Q. Электронные схемы Дзе
Схема Колонок Sven Ms-230 - Дайте схему! - Форум по радиоэлектронике
схема усилителя на микросхеме tda2004 Электротехника, Усилитель, Электроника
Транзисторный усилитель класса а своими руками. Мощный и качественный самодельны
Мостовой усилитель 20 Вт на TDA2005
Стереоусилитель на микросхеме TDA1517 (6-18В, 5Вт) Принципиальная схема, Электро
Ответы Mail.ru: Посоветуйте схемы усилителей
DIY TDA2005 stereo amplifier with komitart LAY6
Ответы Mail.ru: TDA 7294
Стерео усилитель звука на микросхемах TDA2050 с регулятором ВЧ и НЧ
Купил TDA7297 за 30 рублей и собрал МОЩНЫЙ услитель
Tda7297 Power Amplifier Board Dc 12v Digital Power Amplifier 2.0 Kit 2-channel D
Усилитель НЧ на TDA7056 своими руками Мастер Винтик. Всё своими руками! Усилител
Схема стерео УНЧ на микросхеме ВА5412 (6-16В, 5Вт)
Усилитель мощностью 100 ватт на TDA7294 Усилитель, Принципиальная схема, Электро
Сабвуфер Hand made и такой же усилитель к нему) - Lada 11113 Ока, 0,8 л, 2005 го
усилители на микросхемах - Сообщество "Автозвук" на DRIVE2
Усилитель 2.1 на TDA7377 Surround sound systems, Surround sound, Sound system
Усилитель на TDA2822 (3-15В, 2Вт) Усилитель, Схемотехника, Принципиальная схема
Ответы Mail.ru: Tda7294 cхема фото внутри усилитель помогите срочно пожалуйса
Картинки ТДА СТЕРЕО
TDA7269 усилители сигнала, мощности
Ответы Mail.ru: Есть старые колонки на 15 вт, 4 oм, скажите на какой плате лучше
7297 tda схема - Basanova.ru
Усилитель на tda2822
Схема включения TDA2005
Ответы Mail.ru: Посоветуй схему усилителя на тда2005
Фильтр бортового питания автомобиля - Дайте схему! - Форум по радиоэлектронике
Как сделать усилитель звука для колонок дома своими руками: схема для аудио
Форум РадиоКот * Просмотр темы - Все о УЗЧ на TDA7265 (помогите его собрать)
Типовая схема включения микросхемы TDA2005 Усилитель, Усилители звука, Принципиа
Pin on Circuits
Hi-Fi УМЗЧ на TDA7294 แ อ ม ป, ล ำ โ พ ง
Project 169