Смотреть видео: Схема проводов мицубиси делика грузовик

Delica свап 4d56t на 4g64 - Mitsubishi Delica (P35W), 2,4 л, 1993 года своими ру
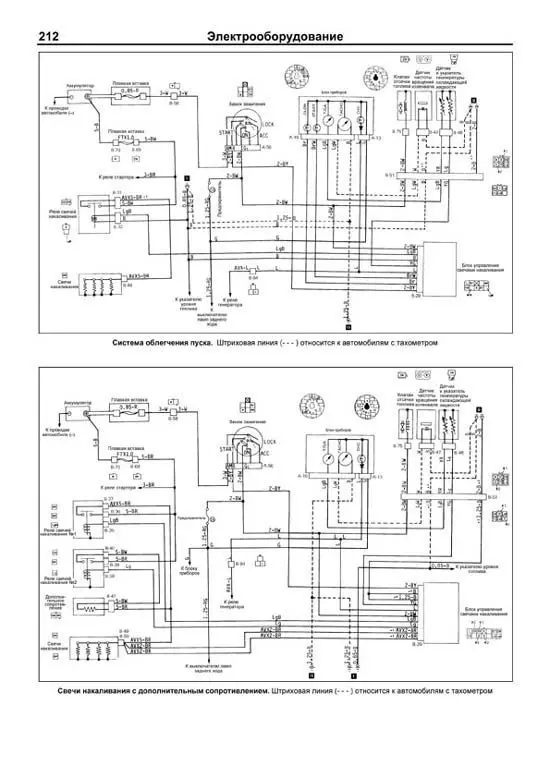
Книга - Mitsubishi L300 / Delica. Модели с 1986 по 1998 год. ISBN: 5-88850-013-5
Схема мицубиси делика Sarma-Auto.ru
Освещение салона - Страница 2 - Электрика - Клуб любителей Delica - DelicaClub.R
Электрика \ Установка проводки до топливных датчиков и мелочи - Mitsubishi Delic
Электросхемы - Клуб любителей микроавтобусов и минивэнов
ПРОВЕРКА ТАХОМЕТРА MITSUBISHI PAJERO SPORT1 - DRIVE2
Руководство по ремонту Мицубиши Паджеро - купить автокнигу "Книга MITSUBISHI PAJ
Контент Саш - Страница 2 - Клуб любителей Delica - DelicaClub.Ru // НАМ 17 ЛЕТ!
Руководство по эксплуатации, техническому обслуживанию и ремонту Mitsubishi Cant
Контент Garre_kiv - Страница 103 - Клуб любителей Delica - DelicaClub.Ru // НАМ
Вопрос по вакууму - Mitsubishi Delica (L400), 2,8 л, 1997 года наблюдение DRIVE2
Электронная система управления АКПП Mitsubishi Pajero - Форум AutoPeople
Купить б/у Mitsubishi Delica III 2.0 MT (91 л.с.) 4WD бензин механика в Химках:
электрическая схема кольт/лансер - Mitsubishi Colt III, 1,2 л, 1985 года электро
Двигатели Mitsubishi 6D14, 6D14-T, 6D15-T, 6D16, 6D17. Hyundai D6BR. Устройство,
Club Delica: Mitsubishi L-300 y Space Gear (L-400) Furgo, Volkswagen t3, Toyota
Чиню отключение переднего моста. Планы работ на будущее. Попытки восстановить ко
Электрическая схема Паджеро Пинин (Pajero iO)
Club Delica: Mitsubishi L-300 y Space Gear (L-400) Furgo, Volkswagen t3, Vw comb
motorangs Mitsubishi L300 4x4 - das Ausbaukonzept Wohnmobil bus, Camper umbau, C
INSTRUMENT PANEL RHD
Купить книгу по ремонту и эксплуатации Mitsubishi Delica, Space Gear, Cargo, L40
Rear axle gearbox - removal and installation (Mitsubishi Pajero 1 and 2, 1982-19
Delica Star Wagon 4WD Super Exceed `92 (Model Car) Assembly guide8
Электраабсталяванне рухавіка 2,6 л (1989-1990 гг.) (Міцубісі Паджэра 1 і 2, 1982
Отказ системы ускоренного предпускового подогрева двигателя 4D56 - Mitsubishi De
Стройка.Климат-контроль. ИЩУ СХЕМУ ПРОВОДКИ - Mitsubishi Pajero (2G), 3 л, 1995
Главные предохранители схема - Mitsubishi Delica (P35W), 2,5 л, 1994 года электр
Электрические схемы Mitsubishi Pajero 1991-2000 " Схемы предохранителей, электро
Книга - Mitsubishi V6 6G72 / 6G73 / 6G74 / 6A12 / 6A13. ISBN: 5-88850-174-3 AliE
Книга: Mitsubishi Fuso / Fighter (Митсубиси Фусо / Файтер) дизель 1990-1999 г.в.
Схема mitsubishi pajero
электрическая схема кольт/лансер - Mitsubishi Colt III, 1,2 л, 1985 года электро
Как проверить свечи накала на паджеро 4 - фото - АвтоМастер Инфо
Электрическая схема митсубиси паджеро спорт 1 и л200
Tehnical Photo Gallery (Moscow 4x4 Pajero Off-Road Club) :: Электросхемы :: 01_1
электрическая схема кольт/лансер - Mitsubishi Colt III, 1,2 л, 1985 года электро
Схема генератора митсубиси
Избавился от системы Super Quick Glow - Mitsubishi Pajero (2G), 2,5 л, 1991 года