Смотреть видео: Схема проводки ауди а6 с6

ауди а6 с5 2000г паломка абс - DRIVE2
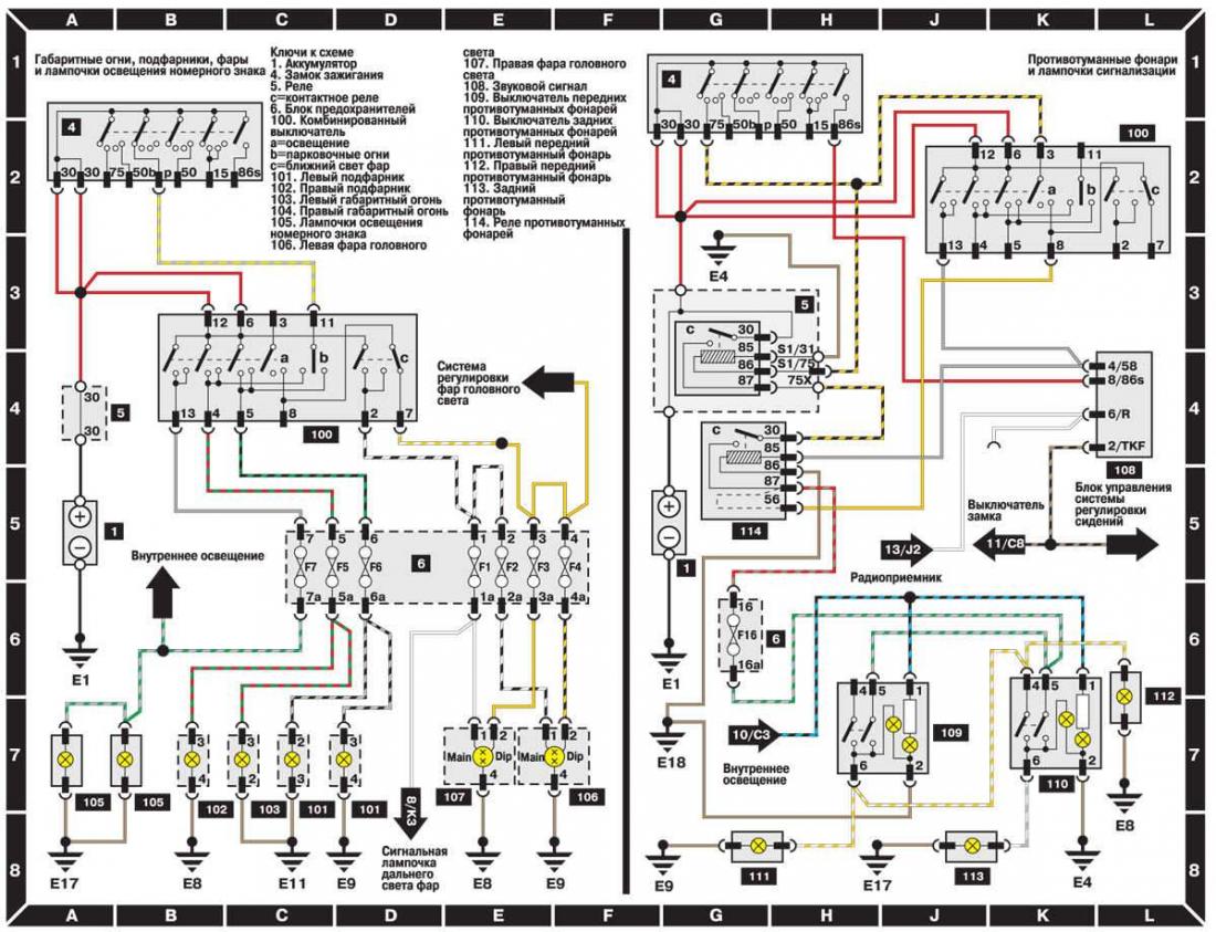
Электрасхемы знешняга асвятлення (Audi А6 С4, 1994-1997 / Электраабсталяванне /
Схемы электрооборудования Audi A6 с 1997г " Схемы предохранителей, электросхемы
Схемы электрооборудования Audi A6 с 1997г " Схемы предохранителей, электросхемы
Купить книгу по ремонту и эксплуатации Audi A6, Avant 1997-2004
Индикация закрытого замка - Audi 100 (C4), 2,8 л, 1992 года электроника DRIVE2
Сістэмы запуску рухавіка, зарадкі акумулятара і гукавога сігналу (Audi А6 С4, 19
Попытка внедрения Круиз-Контроля - Audi A6 (C4), 1,9 л, 1996 года своими руками
Схема подключения дроссельной заслонки ауди а6 с5 - фото - АвтоМастер Инфо
Распиновка приборной панели ауди а6 с5 - фото - АвтоМастер Инфо
Электросхемы ауди 100 45 кузов - Москвич 2141, 2,8 л, 1999 года электроника DRIV
Включение аварийной сигнализации вместе с фонарями заднего хода - Сообщество "DR
Возбуждение генератора - Сообщество "DRIVE2 Audi Club" на DRIVE2
Ауди а6 с5 чертеж фото Shkola-2.ru
Зима не прошла просто так - Audi Coupe (81,85), 1,8 л, 1986 года своими руками D
Электрасхема батарэі, стартара, генератара трохфазнага току і іншае (Audi А6 С5,
Вот и кому верить? Электрическая схема ЦЗ - Audi A6 (C5), 1,8 л, 1999 года элект
Пособие по эксплуатации Audi A6 - купить автокнигу "AUDI А6 / 100 1990-1997 бенз
Схема корректора фар ауди а6 с5 - фото
Пособие по эксплуатации Audi A6 - купить автокнигу "AUDI А6 / 100 1990-1997 бенз
Схемы ауди а6 с5
Электрасхема рэгулятара выключальнікаў асвятлення і прыборнай панэлі, рэгулятара
Фишка климата, сгорает предохранитель вентилятора - Audi A6 Avant (C5), 2,5 л, 1
Схема цепи электропроводки а4б6 - Audi A4 (B6), 2 л, 2001 года электроника DRIVE
Ауди а6 с5 точки подключения сигнализации - фото - АвтоМастер Инфо
Электрасхема ланцуга высокага напружання, шпулькі запальвання, свечак запальванн
Купить VAG 4D0 971 845 E - Кронштейн в Минске
Audi 100 A6 Схемы электрооборудования автомобилей
Электрасхема трымальніка засцерагальніка, фар аўтамабіляў (Audi А6 С5, 1997-2004
Электрическая схема ауди а6 с6 Life-Shina.ru
Электросхема мультимедиа- системы тип 5 Audi A6 C5 - Электросхемы автомобилей
Электрасхема выключальніка святла, пераключальніка перадач на рулявой калонцы зл
Схема цепи электропроводки а4б6 - Audi A4 (B6), 2 л, 2001 года электроника DRIVE
Электрасхема блока кіравання Матронік, рэле паліўнай помпы, лямбда-зонда, электр
Замена дисплея приборки ауди A4B6 - Audi A4 (B6), 1,8 л, 2003 года своими руками
Схемы электрических соединений (Audi А4 1994-2000 гг бензин 1.6 и 1.8) - Audi A4
Схема ауди а6 с6
Схемы электрических соединений (Audi А4 1994-2000 гг бензин 1.6 и 1.8) - Audi A4
Контент tehnik - Страница 12 - Форум автомастеров carmasters.org
Схемы электрооборудования автомобилей Ауди А8 (Audi A8)