Смотреть видео: Схема проверки датчика холла

Проверка и ремонт датчиков Холла - Датчики - Статьи - АВТОЭЛЕКТРИК
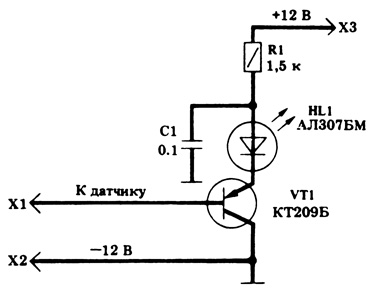
Проверка холла
Kugoo Max speed - общая тема - форум об электросамокатах и моноколесах
Датчик Холла, проверка
ДПДЗ. Часть 2: Ремонтируем оригинал - Jeep Grand Cherokee (WJ), 4 л, 2002 года с
Ignition System with Hall Effect Sender Kiril Mucevski LinkedIn taller Mecanica
Картинки ВЫХОД ДАТЧИКА ХОЛЛА
Назначение и принцип работы системы зажигания ВАЗ 21213, 2108(частично) от автом
Датчики магнитного поля (датчики Холла) A3144
Круиз контроль Renault Sandero 1st generation - Renault Sandero 1G, 1,6 л, 2011
Как проверить дискретный датчик холла Lettering, Power, Bar chart
Замена вакуума трамблера (Что такое трамблер в автомобиле, из чего состоит, прин
Датчик холла приора - КарЛайн.ру
Что такое датчик Холла?
Двухконтурное зажигание. на кулере. - Lada 21053, 1,5 л, 1997 года другое DRIVE2
Пробники для автомобиля (В. Банников, А. Манойло) 1991 Литвинец Э.Н., Коноплева
Датчик холла SS 41 F / SS 49 E / Самокат купить в Москве Хобби и отдых Авито
Датчик Холла - принцип работы, схема подключения, эксплуатация + видео
Как проверить датчик коленвала? - YouTube
Оптическое бесконтактное зажигание на ИЖ Юпитер 5К - DRIVE2
Датчик Холла - принцип работы, схема подключения, эксплуатация + видео
Как проверить датчик холла уаз - 87 фото
Как проверить датчик холла уаз - 87 фото
Харьков. попытка собрать электро эндуро - Страница 5
Как проверить холла Shtampik.com
Hall effect sensor switch wiring diagram - YouTube
Датчик холла ваз 2108: проверка, схема, замена, где находится
Как проверить датчики АБС: ошибки ABS и диагностика
Проверка датчика холла мультиметром Shtampik.com
Схема подключения коммутатора фольксваген - 80 фото