Смотреть видео: Схема принципиальная электрическая телевизора ц 380д

Телевизор своими руками схема
Контент Muromets - Страница 2 - Форум по радиоэлектронике
HORIZONT 29KF21,29KF22 Service Manual download, schematics, eeprom, repair info
Блоки питания импортных телевизоров - Фотография 14 из 117 ВКонтакте
Кора цветочное счастье 2л. Фаско купить с доставкой - интернет магазин Фазенда48
Ответы Mail.ru: на телевизоре электроника 409 Д пропало изображение высокого и н
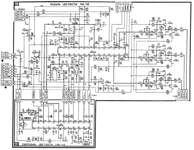
Принципиальные Схемы Телевизоров - tokzamer.ru
Ответы Mail.ru: Помогите подобрать схему на 25-30 элементов, необходимо что бы в
Ответы Mail.ru: Телевизор Горизонт 54 418 нет цвета на PAL
ВСЯКАЯ ВСЯЧИНА. Часть 2 Общие вопросы по сельскохозяйственной технике форум на F
RadioNet :: Просмотр темы - схема Юность Ц404
Схема ТЕЛЕВИЗОР Спектр Ц-280D и C-380D380, СССР 1985 года. купить с доставкой из
Ответы Mail.ru: Принципиальная схема (обозначения)
HORIZONT 63CTV676 SCH Service Manual download, schematics, eeprom, repair info f
Эл схема телевизора
JUNOSTY-406 JUNOSZTY Service Manual download, schematics, eeprom, repair info fo
Срочный ремонт бытовой техники и электроинструмента
У меня есть трансформатор от мр3-3. Можно ли из него сделать блок питания не дел
Принципиальная схема телевизора ЧАЙКА-205 трт5 - покупайте на Auction.ru по выго
HORIZONT CTV678 Service Manual download, schematics, eeprom, repair info for ele
TECHNO TS-2109V CRT TV SCH Service Manual download, schematics, eeprom, repair i
Ответы Mail.ru: Нужна Схема на телевизор Ч/Б
Контент shockmind - Форум по радиоэлектронике
HORIZONT 29E07,29EF07,29EF05,25E06,25EF06 Service Manual download, schematics, e
HORIZONT 55-CTV 11AK30-A4 SCH Service Manual download, schematics, eeprom, repai
Телевизор мара 2д схема - Фотоподборки 1
TCL CHASSIS M28 SUPER ONE SM Service Manual download, schematics, eeprom, repair
Russian HamRadio - Радиотелефоны. Приложение 3 - принципиальные схемы PANASONIC,
HORIZONT CHASSIS 12.7 Service Manual download, schematics, eeprom, repair info f
Телевизоры LG. Модели CF 20/21 F60, CF21/21 F80, CF 14/20/21 К50/52E/X, CF 14/16
Monitor net ru схемы
Схемы - HAM-DMR
Тема: Магнитолы, которые у меня были и сплыли (1/3) - Форум oldaudio.by - oldaud
HORIZONT 29E07 29EF05 25E06 M36 CHASSIS SCH Service Manual download, schematics,
ROLSEN PX20173 C21SR74 62 68 80 SCH Service Manual download, schematics, eeprom,
Телевизор мара 2д схема - Фотоподборки 1
HORIZONT 29E07,29EF07,29EF05,25E06,25EF06 Service Manual download, schematics, e
Russian HamRadio - Радиотелефоны. Приложение 3 - принципиальные схемы PANASONIC,
Телевизоры LG. Модели CF 20/21 F60, CF21/21 F80, CF 14/20/21 К50/52E/X, CF 14/16
Схема платы телевизора