Смотреть видео: Схема приемника прямого преобразования на микросхемах

Приемник прямого преобразования на микросхеме К174ХА2. в 2024 г Принципиальная с
Форум РадиоКот :: Просмотр темы - Мелкие вопросы по радиотехнике
КВ приемник прямого преобразования на диапазоны 10-160м (ТВА120, LM386)
Приемник прямого преобразования 3,5 МГц - Сайт radio-ostrovok! Радио, Радиолюбит
Радиоприём-передача Электронная схема, Радио, Схемотехника
Приемник прямого преобразования на ТА7358. in 2024 Ham radio, Radio, Electronics
Простой приемник для начинающего радиолюбителя. - Форум
ВТОРАЯ ЖИЗНЬ СТАРОГО РАДИО - Приёмники прямого преобразования (ППП).
Схема приемника на любительские КВ диапазоны 10-160м с подавлением помех (SA612A
SSB детектор, балансный смеситель, приёмник прямого преобразования
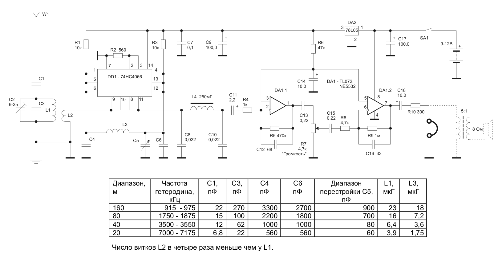
Приемник прямого преобразования на 74HC4066. Передача сигнала, Схемотехника, Рад
Схемы простых КВ приёмников прямого преобразования на транзисторах
Простой приемник прямого преобразования на ИМС SА612А. - Приемники, передатчики,
Доработка, усовершенствование приёмника "Казахстан" - Страница 9 - КВ и УКВ ради
Принципиальная схема самодельного любительского КВ радиоприемника прямого преобр
ВТОРАЯ ЖИЗНЬ СТАРОГО РАДИО - Приёмники прямого преобразования (ППП).
Связь без брака. "Народный коммуникатор первого встречного". : Катастрофы и выжи
КВ радиоприемник для диапазонов 20м, 40м и 80м (SA612, LM386) Инверторы, Принцип
Приёмники. - Фотография 20 из 28 ВКонтакте
Простой усилитель НЧ для приемника прямого преобразования. Синусоида, Радиолюбит
Приемник В.Т. Полякова на К174ХА2 (ТСА440) с варикапами в ГПД - YouTube
Схема простого трансивера Радиолюбительские схемы Радио, Схемотехника, Радиолюби
Приемник на микросхеме К174ХА10 на диапазон 3 МГц. in 2024 Radio
КВ приемник на 80 метров Принципиальная схема, Радио, Электроника
Схема связного приемника на К174ХА2 " S-Led.Ru - Светодиоды и электронные схемы
Супергетеродин своими руками. - Страница 34 - ВТОРАЯ ЖИЗНЬ СТАРОГО РАДИО
Схема приемника прямого преобразования " S-Led.Ru - Светодиоды и электронные схе
Схема SW SSB приемника на диапазон частот 160М (TA7358) Принципиальная схема, Ра
AM/SSB радиоприемник на диапазон 3 МГц. Elektro
Приемник прямого преобразования * HamRadio
Приёмники прямого преобразования (ППП). - Страница 50 - ВТОРАЯ ЖИЗНЬ СТАРОГО РАД
Простой приемник прямого преобразования из доступных ( современных ) деталей - П
Приемник прямого преобразования на микросборке 2ТС613Б. Схемотехника, Радиолюбит
Приемник диапазона 160 метров на микросхемах SA612A
VRTP - Простые приемники для начинающих.
Контент Bellonzo - Форум по радиоэлектронике
SSB Приемник на К174ХА2 или TCA440 - YouTube
КВ-приёмник KARLSON Схемотехника, Ретро радио, Радио
Приемник прямого преобразования на К174УР4. Электроника, Усилитель, Радио
Присавка для пиёмника - Корзина - Форум по радиоэлектронике