Смотреть видео: Схема предохранителей трактора т150 новая кабина

Трактор Т-150К: история, конструкция, фотографии (часть 2) Автокультура CARAKOOM
Принципиальная схема электрооборудования трактора Т-150К " Схемы предохранителей
Эвакуатор-спецавто - Страница 15 из 230 - Специализированная автотехника
Подготовка и пуск двигателя трактора Т-150 и Т-150К ЖЕЛЕЗНЫЙ-КОНЬ.РФ
Электрооборудование и приборы на Т-150
Tractor HTZ T-150. Overview, specifications, instructions, reviews
Электрооборудование 151.48.001-2 Т-150К (Чертеж № 97: список деталей, стоимость
Вопросы по электрике (стартер, генератор, потребители) Т-25/Т-30 форум на Fermer
Где находится предохранитель стартера мтз 82 - фото - АвтоМастер Инфо
Предохранители МТЗ реле с назначением и схемами блоков
Основні рекомендації по експлуатації трактора Т-150 BudTehnika
Электрооборудование и приборы на Т-150К (2004)
Предохранители тракторов
ремонт малой кабины мтз80 МТЗ-50/МТЗ-80/МТЗ-82 форум на Fermer.ru / Стр. 72 из 7
всем привет из за чего могут грется предохранители . причем почти все .тоесть вк
Электрооборудование на Т-130М ЧТЗ в Челябинске официальный интернет-магазин Chtz
Тракторы № 11 - Т-150К - Страница 5 * Форум о журнальных коллекциях Деагостини,
Кабина на Т-150
Схема проводки трактор
Электрооборудование и приборы Т-151К (Чертеж № 74: список деталей, стоимость зап
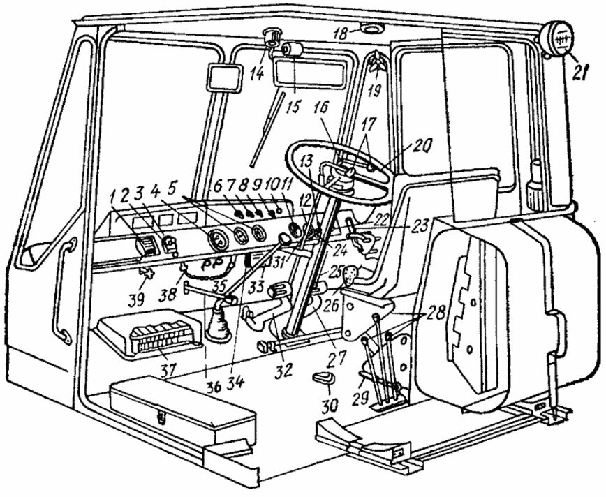
✅ Органы управления трактора т 150 - tractoramtz.ru
Трактор Т-150К фото ЖЕЛЕЗНЫЙ-КОНЬ.РФ
Трактор Т-150К - АГРАРИЙ
Схема электрооборудования трактора Т-150 и Т-150К ЖЕЛЕЗНЫЙ-КОНЬ.РФ
Электропроводка в сборе Т-40М - купить за 3 800 ₽ Интернет-магазин "Агро-Зап"
Схема трактора Т25 электрооборудование трактора Т 25 Opex.ru opex.ru
Щиток приборов трактора К-701 701.38.05.000-1 Щиток приборов трактора К-700А, 70
Схема электрооборудования бульдозера т 170
клуб любителей т-150 Т-150 форум на Fermer.ru / Стр. 25 из 637
Электрооборудование 151.48.001-2 Т-150К (Чертеж № 103: список деталей, стоимость
Схема электрооборудования трактора ЮМЗ-6АЛ " Схемы предохранителей, электросхемы
клуб любителей т-150 Т-150 форум на Fermer.ru / Стр. 25 из 637
Бульдозер ЧЗПТ Т-330 технические характеристики и устройство, двигатель, отзывы
трактор ЮМЗ. Часть 2 ЮМЗ форум на Fermer.ru / Стр. 486 из 753
ПОМОГИТЕ. Нужна электронная книга по трактору Т-25 Fermer.Ru - Фермер.Ру - Главн
Трактор ХТЗ-150К-09-25. Руководство - часть 21
Электрооборудование 151.48.001-2 Т-150К (Чертеж № 103: список деталей, стоимость
Щиток приборов ЛТЗ-55 - купить, цены в интернет-магазине Автопитер
трактор ЮМЗ. Часть 2 ЮМЗ форум на Fermer.ru / Стр. 58 из 753
Мтз 82 предохранители где находятся: найдено 84 изображений