Смотреть видео: Схема подключения обогрева зеркал ваз 2114

Подключение зеркал с подогревом + вольтметр в БСК - Lada 2114, 1,6 л, 2011 года
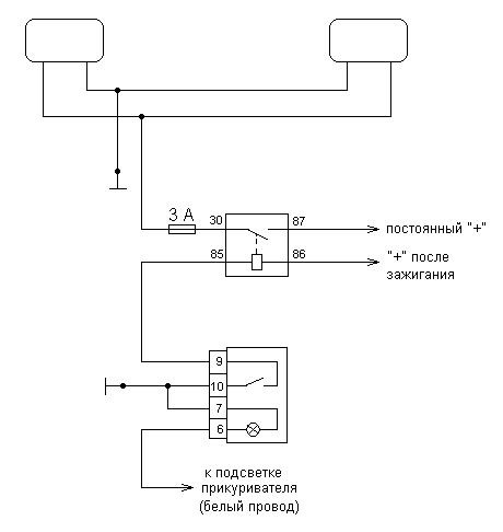
Подогрев зеркал через правильный + - Lada 2114, 1,6 л, 2009 года электроника DRI
Подключение обогрева зеркал! - да забей на :: AUTOLADA.RU
Подогрев зеркал: полное руководство по 4 видам подогрева
PlayGround.ru
Подогрев зеркал. - Lada 2114, 1,6 л, 2012 года электроника DRIVE2
Установка зеркальных элементов с обогревом на зеркала ВАЗ 2114 нового образца -
Адаптированные гранта зеркала - Подключение (схема) - Lada 2114, 1,6 л, 2012 год
Установка электро зеркал на ВАЗ-2114 самостоятельно - DRIVE2
Не работает обогрев заднего стекла, зеркал заднего вида, сидений, причины
Не работает задний обогрев стекла - Lada 2114, 1,6 л, 2006 года поломка DRIVE2
Подключение обогрева зеркал ваз 2114
Подключение обогрева зеркал гранта Kaptur-Russia.ru
Зеркала с подогревом и подсветка двери. - Lada 2115, 1,6 л, 2007 года тюнинг DRI
Подогрев зеркал - Lada 2115, 1,6 л, 2009 года тюнинг DRIVE2
Ваз 2115 не работает подогрев сидений 60 фото - KubZap.ru
Зимний пакет. Часть 4. Обогрев щёток стеклоочистителя - Lada 2114, 1,6 л, 2009 г
Жгут проводов с блоком управления для подключения зеркал Нива 21214 с электропри
Подключение зеркал Ваз 2114. А Техпром Дзен
зеркала с подогревом - Вопрос собственно вот в чем: Хочу поставить зеркальные эл
➁➅ ✍ Подключил обогрев зеркал. - Lada 21074, 1,6 л, 2004 года электроника DRIVE2
Схема подключения зеркал с подогревом и электроприводом на ваз 2115
Электрозеркала - Lada 21043, 1,5 л, 2002 года электроника DRIVE2
Схема подключения подогрева ваз 2114
Схема подогрева зеркал 60 фото - wForm.ru
Волга ГАЗ клуб * Просмотр темы - как поставить зеркала с подогревом
Обогрев зеркал + сигнал не выключенных габаритов - Lada 21093i, 1,5 л, 2004 года
Схема подключения обогрева зеркал ваз 2114
Подключение обогрева зеркал 2114
Схема подключения зеркал ваз 2114
Установка зеркал Политех с обогревом и электро регулировкой - Lada 21099, 1,5 л,
Схема подключения обогрева зеркал ваз 2114
Подключение гранта зеркал. - Lada 2114, 1,6 л, 2009 года тюнинг DRIVE2
Схема подключения зеркал ваз 2114
Подключение обогрева заднего стекла: найдено 88 изображений
№ 60 Зеркальные элементы с подогревом - Lada 21102, 1,5 л, 2000 года аксессуары
Адаптированные гранта зеркала ваз 2114 часть 3 подключение электропакета - Lada
Подключение зеркал Ваз 2114. А Техпром Дзен
Схема подключения обогрева зеркал ваз 2114 59 фото - wForm.ru
Схема подключения зеркал ваз 2114