Смотреть видео: Схема платы dps 126cp

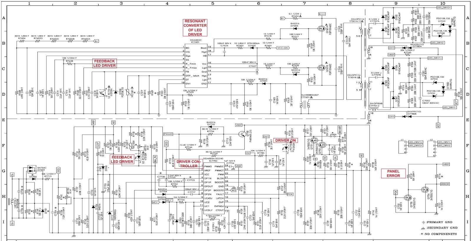
Electro help: Sharp LC40LE811 40 inch LED TV - power board schematic DPS-126CP1A
Electro help: Sharp LC40LE811 40 inch LED TV - power board schematic DPS-126CP1A
Master Electronics Repair !: SHARP LC40LE811 40 INCH LED TV - POWER BOARD SCHEMA
mains - Reason for failed MOSFET and Power Resistor - Electrical Engineering Sta
DELTA DPS 119AP Service Manual download, schematics, eeprom, repair info for ele
DELTA DPS-298CP-2A PSU SCH Service Manual download, schematics, eeprom, repair i
TOSHIBA LE4652I PSU SCH Service Manual download, schematics, eeprom, repair info
BEKO DPS-202CP SCH Service Manual download, schematics, eeprom, repair info for
PHILIPS UPBPSPFSP004 FSP-GROUP FSP160-4PZ01 PSU Service Manual download, schemat
SHARP DELTA DPS-126CP-1 A RUNTKA685WJQZ PSU SCH PCB Service Manual download, sch
DELTA DPS-140SP A SCH Service Manual download, schematics, eeprom, repair info f
DELTA DPS-182BP PSU SCH Service Manual download, schematics, eeprom, repair info
PHILIPS UH7 200WB7 LCD MONITOR POWER-INVERTER Service Manual download, schematic
DELTA ADP30EP REV.B SCH Service Manual download, schematics, eeprom, repair info
DPS-126CP A,DPS-126CP:Sharp RUNTKA682WJQZ Power Supply Board
Схема Delta Electronics DPS-200PB-59 Электронная схема, Принципиальная схема, Сх
台 达 DPS-250GB-4B ATX 电 源 原 理 分 析 与 检 修-基 础 电 子-维 库 电 子 市 场 网
SHARP DELTA DPS-126CP-1 A RUNTKA685WJQZ PSU SCH PCB Service Manual download, sch
Обратноход На Uc3845 - Страница 16 - Импульсные источники питания, инверторы - Ф
DELTA DPS-158EP A PSU Service Manual download, schematics, eeprom, repair info f
Vp 0031dp схема quhwa
Форум РадиоКот * Просмотр темы - Переделка бп АТХ
DELTA ADP30EP REV.B SCH Service Manual download, schematics, eeprom, repair info
ELECTRICO Resources - EasyEDA
dps-126cp 46le810 besleme power tamir onarım sharp Yetkili Servis https://www.lg
Публикации sey - Страница 49 - SoundEX - Клуб любителей хорошего звука
Service manual : Delta DPS-470 AB A 500w DNA1005A.GIF, Компютърно захранване man
Bench Power Supply Schematic
DPS-136BP, 2950339904, DPS-126EP, POWERBOARD - Tv Kartlari
DPS5015 setting in dps-model.h does not work 100% with the latest hardware - Iss