Смотреть видео: Схема печатной платы панели приборов шкода фелиция

Схема электрооборудования Skoda Felicia LX 1,3 карбюратор - Skoda Felicia, 1,3 л
ABS (мадэлі з сакавіка 1995 г.) (Skoda Felicia, 1994-2001) - "Электраабсталяванн
Сістэмы запуску, зарада і кіравання дызельнага рухавіка (Skoda Felicia, 1994-200
Схема тормозной системы шкода фелиция - фото - АвтоМастер Инфо
Замена подсветки приборной панели Skoda Fabia 1 - Skoda Fabia Mk1, 1,4 л, 2002 г
Skoda Felicia I Injector
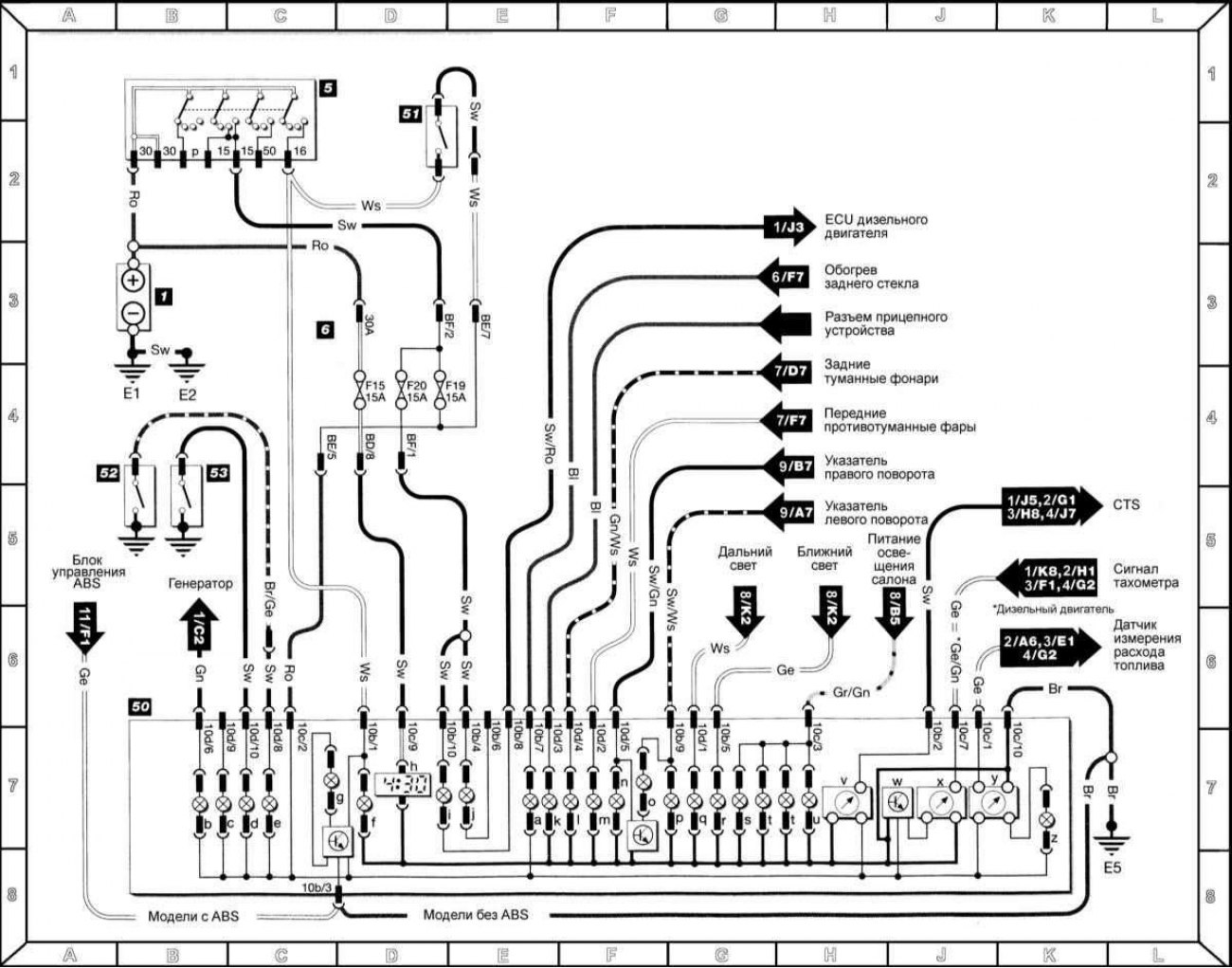
Схемы электрооборудования автомобилей Skoda Felicia " Схемы предохранителей, эле
LED.Начало пересветки приборной панели. - Skoda Octavia A5 Mk2, 1,6 л, 2006 года
Пересвет приборной панели MT - Hyundai Accent (2G), 1,5 л, 2005 года тюнинг DRIV
Плата RGB-подсветки приборки Калина v1.0 (АП) - Lada Калина седан, 1,6 л, 2008 г
Плата пересвета панели Приора/Калина VDO - DRIVE2
Схема электропроводки skoda felicia - Автожурнал ВАЗ2110.ру
Skoda Felicia 1999 1.3MPI (адаптация дроссельной заслонки) - Skoda Felicia - Фор
Ремонт панели приборов - падают все стрелки Шкода Октавия А4
Tablica przyrządów i elementy sterujące (Skoda Felicia, 1994-2001) - "Informacje
Упали все стрелки на приборке - Skoda Octavia A4 Mk1, 1,6 л, 2003 года своими ру
СХЕМА ПРЕДОХРАНИТЕЛЕЙ И РЕЛЕ SKODA FELICIA - Skoda Felicia, 1,3 л, 1996 года наб
Схема электрооборудования Skoda Favorit и Forman " Схемы предохранителей, электр
Схемы электрооборудования Ford Torino 1973 " Схемы предохранителей, электросхемы
Вопросик - Peugeot 405, 1,9 л, 1998 года другое DRIVE2
Схема панели приборов шкоды фабия Идеи для дома, Идеи, Для дома
Плата приборной панели Ауди 80 1,8SF (пробный вариант) - DRIVE2
89. Диалоги о приборке - Audi 100 (C3), 1,8 л, 1986 года электроника DRIVE2
Схемы электрооборудования автомобилей Skoda Felicia " Схемы предохранителей, эле
Продажа оригинальных запчастей для иномарок: купить автозапчасти для Skoda Felic
Проблемы в изменение подсветки приборной панели на Skoda octavia - Skoda Octavia
Магнітол, адзіны замак і ачышчальнікі/амывальнікі лінзаў галаўных фар (Skoda Fel
Выключальнікі панэлі прыбораў і рулявой калонкі (Skoda Felicia, 1994-2001) - "Аг
Ремонт сервопривода v68 - Skoda Rapid (1G), 1,6 л, 2014 года своими руками DRIVE
Поправил яркость подсветки на приборной панели - Skoda Octavia A5 Mk2, 1,6 л, 20
Электросхема приборной панели Skoda Fabia I - Электросхемы автомобилей
Электросхема приборной панели тип 2 BMW X5 E53 - Электросхемы автомобилей
указатель уровня топлива Skoda Felicia - DRIVE2
Instrument cluster (Skoda Felicia, 1994-2001) - "Electrical equipment/Electrical
Куплю панель приборов с тахометром. Инжектор. Москва - Сообщество "Skoda Felicia
Схемы электрооборудования автомобилей Skoda Felicia " Схемы предохранителей, эле
Схема 3 и 4. Комбинация приборов и датчики моделей выпуска до 1985 года (Мазда К
Есть ли гуру по электрике? - Сообщество "Skoda Felicia Club" на DRIVE2
Tablica przyrządów i elementy sterujące (Skoda Felicia, 1994-2001) - "Informacje
Схемы электрооборудования автомобилей Skoda Felicia " Схемы предохранителей, эле