Смотреть видео: Схема контроллера точечной сварки ионистор

Первый тест точечной сварки - Сообщество "Электронные Поделки" на DRIVE2
Контент V_ZnT - Форум по радиоэлектронике
Аппарат точечной сварки
Контент Gomerchik - Форум по радиоэлектронике
Контактная сварка своими руками Главный механик Diagram
Мощная контактная сварка - Сообщество "Электронные Поделки" на DRIVE2
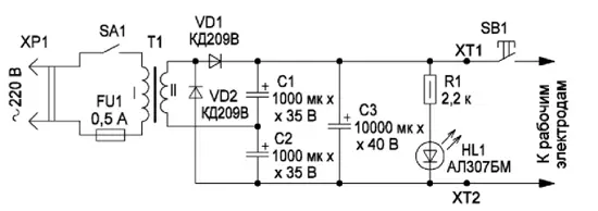
Форум РадиоКот :: Просмотр темы - Блок управления точечной сваркой
Точечная сварка на AVR с трансформатором от микроволновки / AVR / Сообщество Eas
Ответы Mail.ru: Помогите описать схему принципиальную
Споттер своими руками: устройство, характеристики, схема сборки
Контроллер точечной сварки (споттера) - Страница 3 - Изделия и проекты - Форум с
Споттер схема: Споттер своими руками: схемы и устройство - Производство и постав
Форум РадиоКот * Просмотр темы - контактная сварка
Easyelectronics.ru * Просмотр темы - Аппарат точечной сварки на реле и 555-ом та
Схема контактной точечной сварки фото - DelaDom.ru
Малогабаритный сварочный аппарат - RadioRadar
Электротехника: Конденсаторная точечная контактная сварка
РадиоКот :: Секреты классического трансформатора.
Точечная(контактная) сварка своими руками - делаем споттер в домашних условия
Точечная сварка из микроволновки для аккумуляторов 18650 фото, видео - 38rosta.r
Конденсаторный сварочный аппарат для аккумуляторов 2 Схемы Electronic schematics
Точечная сварка
Точечная сварка для литиевых аккумуляторов 18650 своими руками: схемы и готовые
Ответы Mail.ru: Плата точечной сварки.
Точечная сварка для литиевых аккумуляторов 18650 своими руками: схемы и готовые
NY-D05 трансформатор точечной сварки, контроллер с цифровым дисплеем может управ
Электронные компоненты и принадлежности: амперметр трансформатор - купить по выг
Двухимпульсная точечная сварка своими руками SWM-101 100A - YouTube
Панель управления для точечной сварки, контроллер времени и тока, таймер с обнов
Регулируемая плата точечной сварки, регулируемая плата точечной сварки, детали п
Контроллер для точечной сварки своими руками: Сварочный аппарат своими руками дл
Картинки УПРАВЛЕНИЕ ТОЧЕЧНАЯ СВАРКА
Прибор для точечной сварки - Страница 2 - Форум радиолюбителей
Плата управления точечным сварочным аппаратом, Ny-d01, 100 А/40 А, с цифровым ди
РадиоКот :: Таймер для бытовой техники
Точечная сварка своими руками конденсаторная схемы
Споттер своими руками: устройство, характеристики, схема сборки
Simple Welding Bot Feedback - Hackster.io
Схема споттера Электронная схема, Электроника, Электротехника
norton - EasyEDA