Смотреть видео: Схема коммутатора с датчиком холла

Зажигание - УАЗ 3962, 2,4 л, 1996 года электроника DRIVE2
Установка двух контурной системы зажигания. - ИЖ 21251, 1,6 л, 1988 года электро
Высоковольтный генератор для коптильни - DRIVE2
Двухконтурное зажигание ч.2 картинки - Lada 21043, 1,7 л, 2000 года своими рукам
Двухканальное зажигание - СеАЗ 11113 Ока, 0,8 л, 2006 года электроника DRIVE2
Борьба с хлопками на двухконтурном зажигание - Lada 2107, 1,5 л, 1995 года своим
Двухканальное зажигание, бегунок давай до свиданья =)) - ГАЗ 3110, 2,9 л, 1997 г
Замена электропроводки - Alfa Romeo 33, 1,7 л, 1989 года электроника DRIVE2
Двухконтурное зажигание на одном ДХ и двух канальном коммутаторе - Lada 21043, 1
подводное зажигание, попытка номер 2 - УАЗ 469, 2,4 л, 1987 года электроника DRI
Зажигание на двух датчиках Холла: что это, зачем нужно и как поставить на УАЗ? -
Коммутатор зажигания схема - Basanova.ru
Двухконтурная система зажигания или искра инжектора:) - Lada 21099, 1,5 л, 2003
Схема коммутатора ваз 2109 LkbAuto.ru
Двухканальная система зажигания со статическим распределением искры. - Москвич 2
Зажигание на двух датчиках Холла: что это, зачем нужно и как поставить на УАЗ? -
доработка Двухискровой Бесконтактной Системы Зажигания (ДБСЗ) - Lada 21053, 1,6
motoizh.ru - Поиск
Схема контактного зажигания иж - фото - АвтоМастер Инфо
полностью оптономная система зажигания изготовление - DRIVE2
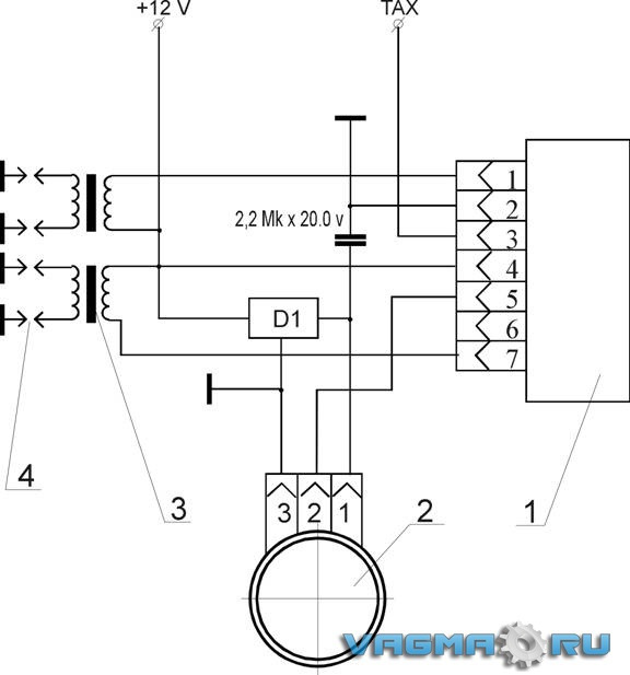
Коммутаторы, датчики Холла, распиновка, схемы, двухконтурное зажигание. - DRIVE2
Ремзона ВАЗ
Публікації председатель - Український Автоклуб Москвич
Колхозный стенд для проверки зажигания.(Часть 1) - ГАЗ 31029, 2,4 л, 1994 года э
Переход с двухконтурного на двухканальное зажигание. - Lada 21093, 1,5 л, 1992 г
Проводка и трамблёр двухконтурного зажигания для одного датчика холла - Lada 210
Бортжурнал Opel Kadett 1.4 papamobilE
103) Двигатель. Часть 2. Система зажигания. - Ford Taunus TC3, 1,6 л, 1981 года
БСЗ с индуктивным датчиком. - motoizh.ru
БСЗ+ФУОЗ как установить Ремонт,Покупка,Продажа Совецких Мотоциклов!!! ВКонтакте
БСЗ+ФУОЗ как установить Ремонт,Покупка,Продажа Совецких Мотоциклов!!! ВКонтакте
Коммутаторы, датчики Холла, распиновка, схемы, двухконтурное зажигание. - DRIVE2
подскажите чем заменить транзисторы, пойдут ли из бп компа, или откуда еще можно
Двухконтурная система зажигания на ВАЗ 2101-06,2108-09,2121 Нива,ЗмЗ 402,Таврия.
Трамблер побежден окончательно и навсегда! Обходной вариант! - Honda Accord (4G)
Схемы 2141 в высоком разрешении и подписью - DRIVE2
Двухконтурная система зажигания, ГОТОВО! - Lada 4x4 3D, 1,6 л, 1982 года тюнинг
Ответы Mail.ru: К какому из проводов, приходящих на катушку зажигания подключать
Трамблер с 2 ДХ от 2108 или "ignition system debug" Продолжение (с пошаговым рук
Божья искра на двух датчиках холла. Схема. - Lada 21093, 1,5 л, 1994 года тюнинг