Смотреть видео: Схема генератора умз 4216

Генератор УМЗ-4213, 420 (Чертеж № 24: список деталей, стоимость запчастей). Ката
Генератор УМЗ-4213 (Евро 3) (Чертеж № 20: список деталей, стоимость запчастей).
Привод водяного насоса ГАЗ 42167 (42167-00, 42167-11 (Euro-3) (газобензиновый))
Привод вентилятора УМЗ-4215 (Чертеж № 21: список деталей, стоимость запчастей).
4216370105001 GAZ КРОНШТЕЙН АГРЕГАТОВ ИЗ ВЧ-50 ДЛЯ ДВИГАТЕЛЕЙ УМЗ 4216-70,-74,42
Привод водяного насоса и вентилятора УМЗ-4216 (Евро 3) - купить, цены в интернет
борьба с термоударом на УМЗ 4216 - ГАЗ Газель, 2,9 л, 2011 года своими руками DR
Купить Двигатель 4216 газель в Барнауле по цене: 55 000 ₽ - частное объявление н
Купить Двигатель в сборе УМЗ 4213 Евро 2 (99 л.с / АИ-92 / инжектор / лепесткова
Знание - сила! - ГАЗ Соболь 4х4, 2,9 л, 2016 года своими руками DRIVE2
Генератор с вакуумным насосом, насос рулевого гидроусилителя, привод навесных аг
Генератор для УМЗ 4216: Изображения и характеристики Советы по выбору autopilot1
Схема подключения генератора умз 4216
Фото ДВИГАТЕЛЬ УМЗ 4216 РЕМНИ
Газопоршневой двигатель ЗМЗ купить в Москве: цена, характеристики - ГЕНМОТОРС
Генератор УМЗ-421 схемы установки и применения запчастей СПЕЦМАШ
Генератор УМЗ-421 (Чертеж № 32: список деталей, стоимость запчастей). Каталог 20
Купить Генератор Газель Next дв. А-274 двухпиновый разъем 120А "Прамо", 5172.377
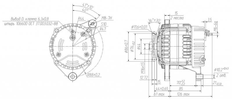
5122-3771-40 Генератор ГАЗ, УАЗ дв. УМЗ-4216 14В 110А шкив поликлиновой 5122.377
Схема охлаждения газель бизнес 4216
Схема электрооборудования автомобиля Соболь
Фотографии ПРИВОДНЫЕ РЕМНИ УМЗ 4216
Инжектируем 417-й. - ГАЗ 21, 2,4 л, 1967 года тюнинг DRIVE2
Электрооборудование автомобиля ГАЗель Бизнес. Автотема
Купить Двигатель А274 EvoTech 2.7 авт. ГАЗель-Next Оригинал в Новосибирске по це
ДВИГАТЕЛЬ УМЗ-4216 "Евро-3" и его исполнения. Каталог деталей и сборочных единиц
Генератор с ВАЗ 2110 140А на УМЗ 4216 - ГАЗ Газель, 7 л, 1995 года тюнинг DRIVE2
Схема ремня газель 4216 - Basanova.ru
Ответы Mail.ru: Газ 3307-3309, чертежи генераторов, стартеров, приборов зажигани
Катушка зажигания умз 4216 евро