Смотреть видео: Схема генератора качающей частоты на микросхеме xr2206

Icl 8038, Tube Icl8038; Röhre Icl 8038 Id44442, Ic - Integra A0E
Контент Borodach - Страница 401 - Форум по радиоэлектронике
Chinese electronics products tested (160 tests): XR2206 function generator kit t
This tremolo effect circuit uses the XR2206 and the TCA730 IC which is designed
Pin auf electronics
Генератор сигналов на микросхеме XR2206 Periodic table, Diagram
Генератор сигналов XR2206, функциональный синусоидальный/прямоугольный генератор
Function Generator with XR2206
Пин на доске Схемы Генераторы, Система зажигания, Электроника
FSK_SINE_SQUARE_TRIANGLE_GENERATOR - Basic_Circuit - Circuit Diagram - SeekIC.co
File:Xr2206-schematic-x3.PNG - Land Boards Wiki
Privat Schub Pumpe xr2206 pcb Der Wind ist stark Gehorsam Metropolitan
Results page 191, about '20 amp battery charger'. Searching circuits at Next.gr
генератор на XR2206 " Проекты для радиолюбителей KOMITART
Arduino - XR-2206 Function Generator Function generator, Arduino, Electronic cir
Микросхемы генераторы сигналов
circuit_XR2206_Function_2 Circuito electrónico, Circuito, Electrónica
Усилитель На Одном Транзисторе До 1 Мгц - Усилители мощности - Форум по радиоэле
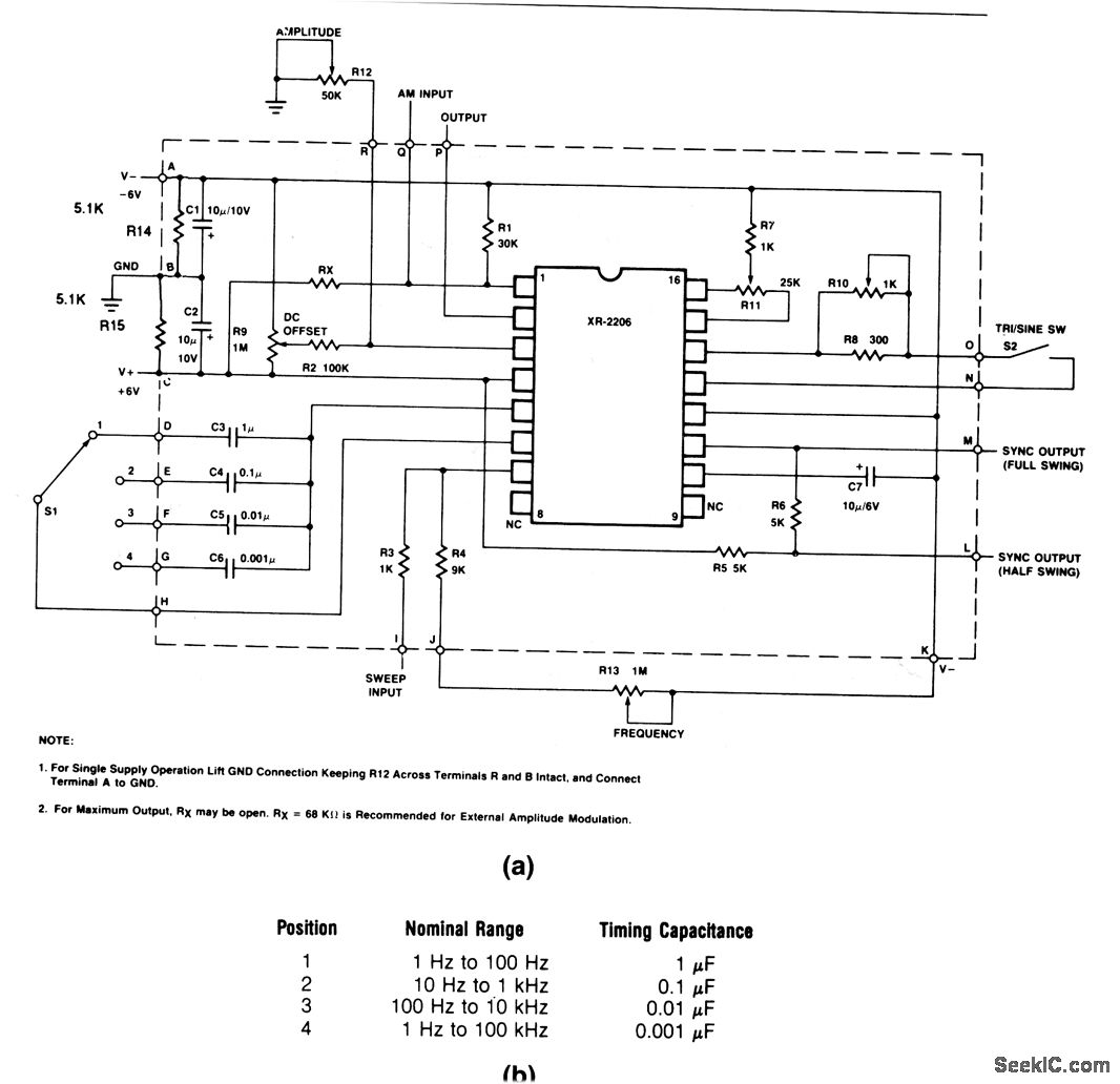
001_Hz_TO_100_kHz - Basic_Circuit - Circuit Diagram - SeekIC.com
Аналоговый функциональный генератор
Circuito generador de ondas con XR2206 Esquemas electrónicos, Electrónica, Circu
Форум РадиоКот * Просмотр темы - Прибор комбинированный (компиляция). Частотомер
Circuit Diagram Signal Generator
Variable function generator Electrónica
XR2206 function generator circuit ElecCircuit.com Function generator, Circuit, F
XR2206 Function Generator Circuit Diagram
Generador de Funciones com EL XR2206 (INS019S)
Electronique - Realisations - Generateur audio 009
Конструктор "Функциональный генератор на микросхеме XR2206"
Конструктор "Функциональный генератор на микросхеме XR2206"
XR2206 Function Generator
Простые схемы для лаборатории радиолюбителя - Страница 61 - Схемотехника для нач
Complete_function_generator - Electrical_Equipment_Circuit - Circuit Diagram - S
Function generator kit
Генератор на xr2206 схема фото
Generador de Funciones com EL XR2206 (INS019S)
Xr2206: найдено 87 изображений
Конструктор "Функциональный генератор на микросхеме XR2206"
Конструктор "Функциональный генератор на микросхеме XR2206"
Electronique - Realisations - Generateur audio 009