Смотреть видео: Схема генератора газ 66

Relay voltage regulator car GAZ-66, GAZ-53
Схема генератора газ 53 60 фото - KubZap.ru
Схема электропроводки ГАЗ 3307, замена проводки своими руками: инструкция, фото
12.3.1. ГАЗ. Эксплуатация, обслуживание и ремонт автомобилей ГАЗ-53А и ГАЗ-66. Р
Схема генератора газ 53 60 фото - KubZap.ru
Генератор и танцы с бубном. - ГАЗ 21, 2,4 л, 1965 года электроника DRIVE2
Техобслуживание и ремонт генератора автомобиля ГАЗ-66, ГАЗ-53
Генератор - Каталог запчастей Газ 66 (каталог 1996 г.) / 111az.ru - магазин авто
Mantenimiento y reparación del generador del automóvil GAZ-66, GAZ-53
Схема генератора газ 53 60 фото - KubZap.ru
Реле стартера газ 66 - КарЛайн.ру
Регулятор напряжения РР132-А на ГАЗ-66, устройство
Схема электропроводки газ 21 Sarma-Auto.ru
Подрулевой переключатель поворотов. - ГАЗ-66, 4,3 л, 1972 года электроника DRIVE
12.8. ГАЗ. Эксплуатация, обслуживание и ремонт автомобилей ГАЗ-53А и ГАЗ-66. Фар
◆ Генератор на ГАЗ-21 ◆ - ГАЗ 21, 2.4 л., 1962 года на DRIVE2
ГАЗ 66 электровентилятор - ГАЗ 66, 4,3 л, 1991 года другое DRIVE2
Электросхема ГАЗ-53А - ГАЗ 69A, 2,4 л, 1972 года электроника DRIVE2
Реле-регулятор - Сайт о старых автомобилях и ретро технике
Более мощный генератор - Форумы на www.gaz21.ru - Страница 17
Замена проводки, ремонт лавок - ГАЗ 69, 2,4 л, 1963 года стайлинг DRIVE2
Генератор. - Онлайн каталог автомобилей ГАЗ на сайте компании Мостат
Установка генератора cummins 5272666 на волгу в замен штатного - ГАЗ 2410, 2,4 л
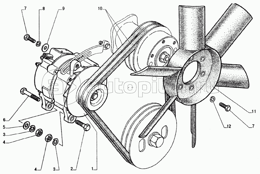
Установка генератора, вентилятор и приводные ремни ГАЗ-33104 Валдай - купить, це
Генератор на ГАЗ-3307
Генератор зил схема подключения
Схема электропроводки газ 66 цветная с описанием фото - SlavShina.ru
Крепление генератора ГАЗ-4301 (Чертеж № 101: список деталей, стоимость запчастей
Генератор газ схема подключения
Схема подключения генератора с шоколадкой газ 58 фото - RusOrgs.ru