Смотреть видео: Схема электронного зажигания бензопилы урал

Контент nik-sh - Страница 7 - Форум по радиоэлектронике
Re: Реанимация Салют-ЭС 2 л.с. -- Форум водномоторников.
Где найти схему зажигания бензопилы "Дружба"?
Ответы Mail.ru: Пожалуйста помогите разобраться в электрической схеме!
Зажигание на мотоблок своими руками фото - DelaDom.ru
Форум РадиоКот * Просмотр темы - Переделка зажигания пилы Урал. Схемы из инета н
магнето МБ1 - Разное - Форум по радиоэлектронике
Re: Вихрь 30+МБ-22+схема № 3 от Лукича -- Форум водномоторников.
Re: Подключаем тиристор BT 136-800 в схему -- Форум водномоторников.
Регулировка зажигания бензопилы урал 2 электрон
Как сделать запуск мотора "Салют-Э" надежным (Моторы / Тюнинг моторов / 1991) -
Неточности в статье "Десять навигаций с "Ветерком-8М"" по ремонту зажигания -- Ф
Контент KriKs-Fx - Форум по радиоэлектронике
Ремонт зажигания бензопилы Урал. Ремонт электронного зажигания бензопил - полезн
Зажигание бензопилы Дружба: регулировка, переделка и ремонт
Самодельное зажигание для бензопилы
Регулировка зажигания бензопилы урал
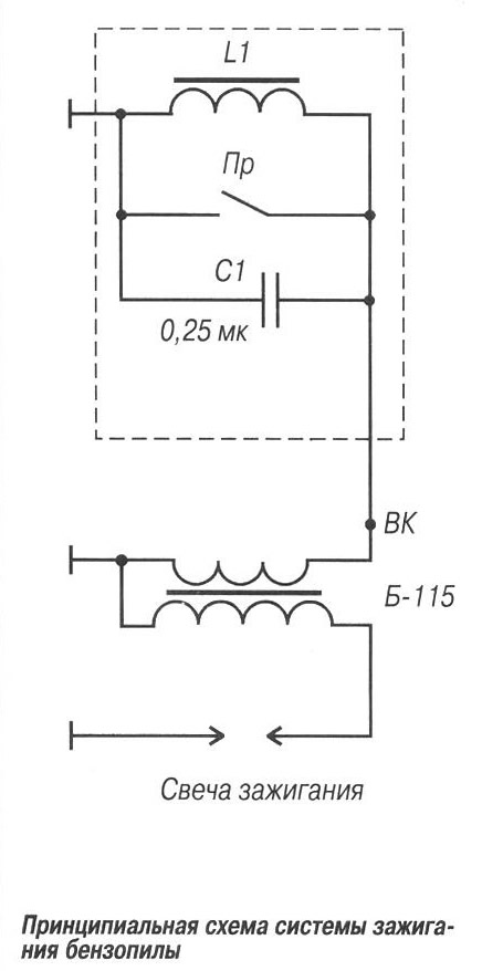
Система зажигания на бензопиле: схема работы, проверка, регулировка
Современные системы зажигания отечественных ПМ (Моторы / Устройство моторов / 19
Диодный мост в схему зажигания., страница 2
Самодельное зажигание для бензопилы
Обзор программно-апаратных решений микропроцессорных систем зажигания, Система з
Модернизация системы зажигания (МБ-1) мотокультиватора "Крот" - фото - Страница
Самодельное зажигание для бензопилы
Контент Okota - Форум ELECTRONIX
Устройство катушки зажигания бензопилы
Система зажигания на бензопиле: схема работы, проверка, регулировка
Из опыта эксплуатации моторов "Салют" и "Спутник" (Консультации / Улучшение мото
Ответы Mail.ru: Бензопила дружба, магнето дает мало тока
Re: Москва-30(25).Электронное зажигание. -- Форум водномоторников.
Сопротивление катушки магнето
Re: Реанимация Салют-ЭС 2 л.с. -- Форум водномоторников.
Форум РадиоКот * Просмотр темы - Переделка зажигания пилы Урал. Схемы из инета н
Файл:Магнето МБ-1 с маховиками.JPG - Вікіпедія
Схема магнето мб 1: Схема магнето мб 1 МК крот - зажигание мотоблока
Ответы Mail.ru: Как работает контактное зажигание Дружбы?
коммутатор с чем его едят! - DRIVE2
Бензопила Дружба: 2, 4, 4М Электрон, инструкция по эксплуатации, технические хар
Регулировка зажигания бензопилы урал 2 электрон
Бензопила Урал-2Т (модификация) Система зажигания, Электроника, Радиолюбитель