Смотреть видео: Схема электронного счетчика электроэнергии

Electric meter in the house, how to change the counter in a private house, usefu
Принцип работы электросчетчика
ЭЛЕКТРОННЫЕ (ЦИФРОВЫЕ) СЧЕТЧИКИ ЭЛЕКТРИЧЕСКОЙ ЭНЕРГИИ - Электрические измерения
Схема подключения однофазного счетчика
"Resolved Energy Meter shunt resistor connections problem... " - card of the use
Обзор и устройство современных счётчиков электроэнергии / Habr
Принцип работы электросчетчика - CormanStroy.ru
Принцип работы электронного счетчика электроэнергии
Электрик/Электромонтер. Ханты-мансийск.: записи сообщества ВКонтакте
Принцип работы и преимущества использования двухтарифного счетчика электроэнерги
NF408 - Цифровой счетчик купить в Мастер Кит. Драйвер, программы, схема, отзывы,
счетчик однофазный эсо-07м: 10 тыс изображений найдено в Яндекс.Картинках Картин
Пульт для электросчетчика схема
Принцип работы электронного счетчика Для расчёта электрической энергии, потребля
Счётное командное устройство
Аспекты конструирования счетчика электроэнергии, связанные с устойчивостью к эле
Прибор для остановки электросчетчика: действенные способы контроля потребления э
Счетчик
Приборы для электрических измерений БЛОГ ЭЛЕКТРОМЕХАНИКА
Принцип работы электронного счетчика электроэнергии
Импорт-замещение для радиолюбителей. Электросчетчик. Меркурий 201. RADIO INFO Дз
Установка и подключение счетчика электроэнергии: как подключить правильно, схемы
экономия электричества в два раза с самозапитом - YouTube
Иллюстрации к патенту 2474825 - Устройство для проверки работы однофазных индукц
Ответы Mail.ru: Что это за схема. Говорят вставляется в розетку.
10.3. Принцип действия и работа электросчетчиков . Профессиональные советы домаш
Контент Рамзес4 - Страница 2 - Форум по радиоэлектронике
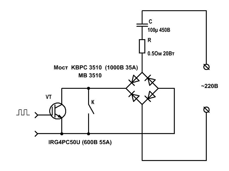
VRTP - Глушилка для электросчётчика
Генератор высокой частоты - враг электросчетчиков Принципиальная схема, Электрон
Вч генератор для остановки электросчетчика - Что делать если счетчик электроэнер