Смотреть видео: Схема блока управления двигателем шевроле круз

Схема Шевроле Круз: проводка
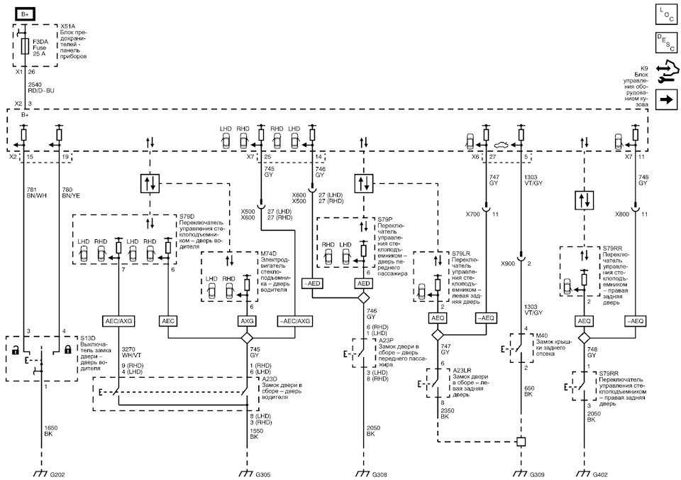
Информация по обслуживанию
Service Information
Схема Шевроле Круз: проводка
Схема Шевроле Круз: проводка
Схема Шевроле Круз: проводка
Схема Шевроле Круз: проводка
Поднимаем градус комфорта. Часть 4 - Установка ДХО "в полнакала" - Chevrolet Cru
Информация по обслуживанию
Схема 34. Монтажный блок в моторном отсеке (Шевроле Круз 1 2008-2016: Электрообо
Схема Шевроле Круз: проводка
Схема Шевроле Круз: проводка
Схема Шевроле Круз: проводка
Service Information
Нет зарядки от генератора - Opel Astra J, 1,4 л, 2012 года поломка DRIVE2
Szerviz információk
Шевроле Круз 1 2008-2016, бензин: Схема 23. Система охлаждения двигателя (Электр
Scheme 25. Engine power system (Chevrolet Cruze 1 2008-2016: Electrical equipmen
Cruze - Страница 8 - Ремонт авто и мото техники, заказ запчастей
Потрошим потолочку! Часть 3 - Выдаю базу по схеме максимальной потолочной провод
Схема 33. Мантажны блок у панэлі прыбораў (Шэўрале Круз 1 2008-2016: Электраабст
Электросхемы Chevrolet Cruze - Электросхемы автомобилей
Что за зверь в катушке зажигания? - Chevrolet Cruze (1G), 1,6 л, 2013 года наблю
Service Information
Схема 32. Фары аўтамабіля (Шэўрале Круз 1 2008-2016: Электраабсталяванне: Электр
Неисправности зажигания шевроле круз - фото - АвтоМастер Инфо
Схема 16. Вонкавае асвятленне аўтамабіля (Шэўрале Круз 1 2008-2016: Электраабста
Электросхема Chevrolet Cruze освещение салона - Электросхемы автомобилей
Информация по обслуживанию
Схема Шевроле Круз: проводка
Кнопки ЦЗ в правильное место. - Chevrolet Cruze Station Wagon, 1,8 л, 2013 года
Схема Шевроле Круз: проводка
Электросхемы Chevrolet Cruze - Электросхемы автомобилей
Информация по обслуживанию
Электросхема Chevrolet Cruze стоп сигналы - Электросхемы автомобилей
Ошибка P0037 - Chevrolet Cruze (1G), 1,6 л, 2011 года своими руками DRIVE2
Электрическая схема шевроле орландо
Электросхемы Chevrolet Cruze - Электросхемы автомобилей
Электросхемы Chevrolet Cruze - Электросхемы автомобилей
Схема Шевроле Круз: проводка