Смотреть видео: Схема блока предохранителей сатурн вуе

Sicherungskasten und Relais Saturn VUE (2005 - 2007)
Saturn VUE Hybrid (2009) - fuse box diagram - Auto Genius
Saturn Vue Блок предохранителей под капотом 2001-2007 арт. 00001233503, цена 3 7
2000 Saturn SL2 Fuse Relay Diagram
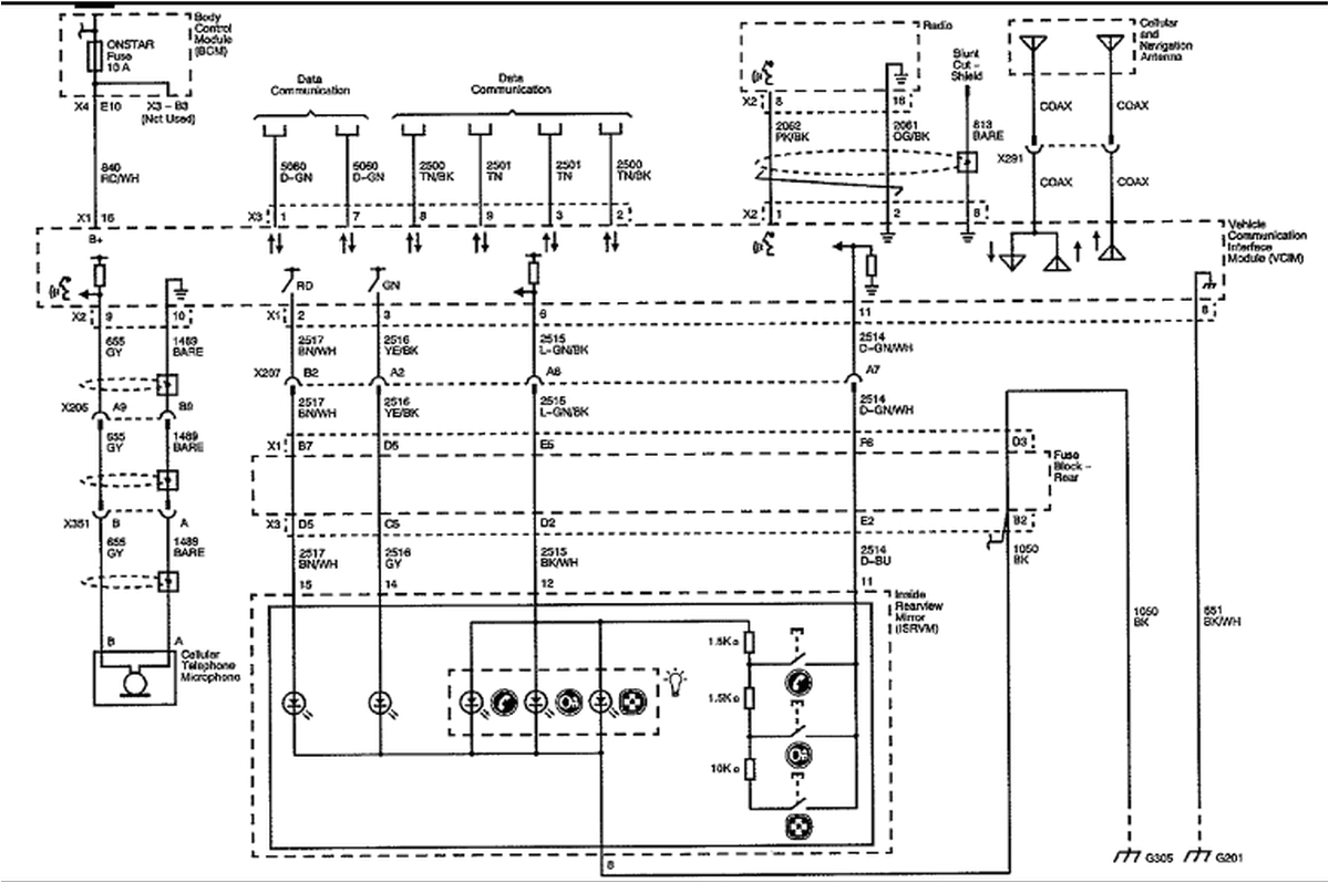
39 2006 saturn vue stereo wiring diagram - Wiring Diagram Info
Схема предохранителей сатурн вуе 2003
Купить Блок предохранителей Saturn Vue 2008 31209 в Бийске по цене: 2 655 ₽ - об
Блок предохранителей Saturn Vue I 2001 - 2007 2003 купить бу в Санкт-Петербурге
Saturn Astra (2008 - 2009) - fuse box diagram - Carknowledge.info
Подключение зеркала заднего вида в блок предохранителей. - Opel Antara, 2,4 л, 2
Saturn ION (2003 - 2004) - fuse box diagram - Carknowledge.info
Блок предохранителей Saturn Vue I 2001 - 2007 2005 купить бу в Санкт-Петербурге
Pontiac G6 Fuse Box Diagrams Pontiac, Fuse box, Diagram
Saturn Vue - L LES RELAIS/TABLEAU DE BORD EPC Online WebAutoCats.com
Все схемы для электропроводки Saturn Vue 2003 модели - Sheme ožičenja za avtomob
2007 Saturn Ion Radio Wiring Diagram 2007 Saturn Vue Radio Wiring Diagram Wire D
Удалено
Saturn VUE (2001 - 2004) - fuse box diagram - Carknowledge.info
Блок предохранителей салонный 2001-2007 - Автозапчасти в Россоши
Схема предохранителей сатурн вуе 2003
Saturn ION (2003 - 2004) - fuse box diagram - Carknowledge.info
Saturn L-Series (2005) - fuses box diagram - Auto Genius
Notwendigkeiten Wachsam Falten saturn air conditioner Groß Tourist Unvermeidlich
Блок предохранителей Saturn Vue 2005 00111957 купить в Москве по цене: 2 700 ₽ -
Схема предохранителей сатурн вуе 2003
2009 Saturn Vue AC Relay & AC Fuse, Blower Motor Fuse - YouTube
Подкапотный блок предохранителей (Блок предохранителей) Saturn VUE купить автоза
Блок предохранителей Saturn VUE, 2006 купить в Липецке Авито
Схема предохранителей сатурн вуе 2003
2002 Saturn Vue Engine Diagram in 2020 Diagram, Saturn, Engineering
Схема предохранителей сатурн вуе 2003
ЛайфХак для блоков предохранителей - Daewoo Leganza, 2 л, 1997 года аксессуары D
Блок предохранителей Saturn Vue I 2001 - 2007 2005 купить бу по цене 19276 ₸ Z33
Saturn Vue 2008-2010, Main Interior Kit, 42 Pcs.
2005 Saturn Ion Wiring Diagram 2006 Saturn Ion Drivers Door Wire Diagram Schema
Rear Window: I Don't Hear the Motor Run When I Push the
Блок предохранителей Saturn Vue Сатурн Вуе 2001-2007 купить б/у 8139528
Схема предохранителей сатурн вуе 2003
Схема предохранителей сатурн вуе 2003
Блок предохранителей Saturn Vue Сатурн Вуе 2001-2007 купить б/у 8195420