Смотреть видео: Схема блока питания lgp3942 14pl1

LGP32-14PL1 схема
Принципиальные схемы блоков питания телевизоров - generatorexperts.ru
Electro help: LGP32-1-13PL1: EAX4905001- for LG32LN545B-CT, LG32LA613 - LED LCD
LG EAX40097901 LGP32-08H PSU Service Manual download, schematics, eeprom, repair
Tv LG 55LM670S non si accende - LG - Goldstar - PLC Forum
EAX65423701 LGP3942-14PL 1 плата питания LG 42LB5610-CD 42-дюймовая плата питани
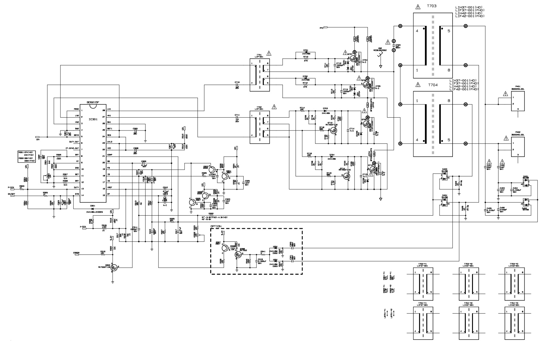
Купить Netzteil power supply PCB: EAX65391401 (3.0) LGP32-14PL1 REV 3.1, цена 2
LG LGP4247L-12LPB EAY62608901 EAX64427101 PLDF-L103A REV.3.3 Service Manual down
Телевизор Samsung UE40H6500T не включается Ремонт Лайфхаки по ремонту электроник
Блок питания телевизора Lg42Lb650v LGP3942-14PL1 Eax65423701(1.9)
Блок питания EAX65423701 (2.0) / LGP3942-14PL1 для телевизора LG 42LB650V купить
LGP32-13PL1 Service Manual - Power Supply Unit - LG
Schematic Diagrams: LGP42-09LF, LGP42-09LH LCD TV Power board schematic using ST
Electro help: PHILIPS 32PFL3403 - SMPS Power Supply Regulator - SCHEMATIC (Circu
Б/У и уценка Блок питания для телевизора EAX65423701 3PCR00439B LGP3942-14PL1 -
LG AIP-0165 L227WGP POWER-INVERTER SCH Service Manual download, schematics, eepr
Решил отремонтировать телевизор LG 32LB580V. Не могу понять, что такое A27RAW и
LG EAX40097901 LGP32-08H PSU Service Manual download, schematics, eeprom, repair
LGP52-08H схема LGP52-08H_EAY4175270 - Все для ремонта электроники
Купить LG 39LY345C-ZA 39" TV Плата Блока питания c кабелем LGP3942-14PL1
Electro help: LG P3237 11SPC1 LCD TV SMPS Circuit Diagram EAX62865601-8
Блок питания на IR2153 - Страница 56 - Импульсные источники питания, инверторы -
LG OEM LGIT PLDC-P015A SCH Service Manual download, schematics, eeprom, repair i
EAX65423701 (2.1), LGP3942-14PL1 блок питания LG 42LB552V-ZA - из категории Комп
EAX65423701 (2.1) REV 2.1 LGP3942-14PL1 Блок питания EAX65423701 (2.1) REV 2.1 L
Блок питания LG EAX65423701 (2.1) LGP3942-14PL1 42LB565V 42LB650V AliExpress
Lgp32 14pl1 схема блок питания
Купить блок питания 42LB561V - ZE EAX65423701 (2.1) LGP3942-14PL1
LGP474950 14PL2 EAX65423801 REV1.0, Service Manual, Repair Schematics
EAX65423701 (2.1) REV 2.1 LGP3942-14PL1 Блок питания EAX65423701 (2.1) REV 2.1 L
LGP474950 14PL2 EAX65423801 REV1.0, Service Manual, Repair Schematics
Zasilacz LG LGP3942-14PL1 EAX65423701 - Sklep, Opinie, Cena w Allegro.pl
Купить LG 39LB650V 39" TV Плата Блока питания c кабелем LGP3942-14PL1
EAX65423701 (2.1) REV 2.1 LGP3942-14PL1 Блок питания EAX65423701 (2.1) REV 2.1 L
Купить LG 39LY345C-ZA 39" TV Плата Блока питания c кабелем LGP3942-14PL1
EAX65391401 3.0 REV 3.1 LGP32-14PL1 PLDC-L306A 3PCR00449D Блок питания EAX653914
Купить в Барнауле EAX65423701(2.0), LGP3942-14PL1 - плата питания ЖК телевизор L
LG-GOLDSTAR VCP-R1010P R1110P Service Manual download, schematics, eeprom, repai
LG OEM LGIT PLDC-P109B SCH Service Manual download, schematics, eeprom, repair i
Купить в Барнауле: EAX65391401(2.8), LGP32-14PL1 - Плата питания ЖК телевизора L