Смотреть видео: Схема блока питания dps

DELTA DPS-140SP A SCH Service Manual download, schematics, eeprom, repair info f
Cхемы компьютерных блоков питания ATX - Diodnik Electronic schematics, Electroni
Power Supply DPS-140SP.pdf Power supply, Power, Pdf
BEKO DPS-202CP SCH Service Manual download, schematics, eeprom, repair info for
DELTA DPS 119AP Service Manual download, schematics, eeprom, repair info for ele
DELTA DPS-298CP-2A PSU SCH Service Manual download, schematics, eeprom, repair i
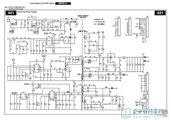
台 达 DPS-250GB-4B ATX 电 源 原 理 分 析 与 检 修-基 础 电 子-维 库 电 子 市 场 网
DELTA ADP30EP REV.B SCH Service Manual download, schematics, eeprom, repair info
SONY 1-857-230-11 DELTA DPS-52EP PSU Service Manual download, schematics, eeprom
Схема Delta Electronics DPS-260-2A Электронная схема, Принципиальная схема, Схем
Sto cercando uno schema a blocchi del potere DPS-140SP
Service manual : Delta DPS-470 AB A 500w DNA1005A.GIF, Компютърно захранване man
TOSHIBA LE4652I PSU SCH Service Manual download, schematics, eeprom, repair info
DELTA EADP-45BF-A PSU SCH Service Manual download, schematics, eeprom, repair in
DELTA DPS-200PP-74A PSU SCH Service Manual download, schematics, eeprom, repair
Attachment browser: Delta DPS-750EB full pinout.jpg by s.nase - RC Groups
DELTA DPS-158EP A PSU Service Manual download, schematics, eeprom, repair info f
DELTA DPS-214AP Service Manual download, schematics, eeprom, repair info for ele
Gps схема электрическая принципиальная схема фото
Купить DPS-750EB A Резервный Блок Питания Intel (Delta) 750Wt ATX Для Корпуса SR
Attachment browser: Delta DPS-600DB PS Full Pinout.JPG by xandrios - RC Groups
DELTA ADP30EP REV.B SCH Service Manual download, schematics, eeprom, repair info
LED TV TOSHIBA 19EL934RB проблема с БП
VRTP - Детали, аналоги, параметры
DELTA DPS-93BP SCH Service Manual download, schematics, eeprom, repair info for
Delta DPS-151AP, Service Manual, Repair Schematics
Delta model: DPS-350MB i IBM DPS-350MB serwerowy brak startu
Ремонт БП от ноутбука - Импульсные источники питания, инверторы - Форум по радио
Dps 130qp схема
DELTA DAC-19M008 ACER AL1916W INVERTER PL SCH Service Manual download, schematic
Схема блок питания dps
DELTA DAC-19M008 ACER AL1916W INVERTER PL SCH Service Manual download, schematic
Electro help: GRUNDIG 32VLE801 DVB-S-SX LCD TV HOW TO ENTER SERVICE MODE - HOTEL
Delta Dps-200Pb-185 B Schematic
Toshiba DPS-245FP схема
power supply - Converting a DPS800 server PSU into a standalone 12V PSU - Electr
DELTA DPS-151AP PSU SCH Service Manual download, schematics, eeprom, repair info
Собираем импульсный БП на микросхеме KA2S0880
DPS-250AP-34 Delta PSU, Service Manual, Repair Schematics
Ответы Mail.ru: Прошу помощи в опознании двух транзисторов Q800 и Q803 в блоке п