Саньенг модель mcd 8301 подключение схема

Саньенг модель mcd 8301 подключение схема
Ssangyong mcd-8301 - купить в Москве, цена 1 200 руб., продано 11 июня 2019 - Ау
Саньенг модель mcd 8301 подключение схема
Распиновка разъемов автомагнитол Toyota, Pioneer, Sony, JVC, Hyundai и других мо
Саньенг модель mcd 8301 подключение схема
Музыка нас связала! - SsangYong Actyon (2G), 2 л, 2013 года автозвук DRIVE2
Саньенг модель mcd 8301 подключение схема
Магнитолка - SsangYong Rexton (1G), 2,3 л, 2007 года автозвук DRIVE2
Саньенг модель mcd 8301 подключение схема
Штатная магнитола - SsangYong Actyon Sports (1G), 2 л, 2008 года автозвук DRIVE2

Саньенг модель mcd 8301 подключение схема
Все по Фен-Шую или заморочки с ГУ - SsangYong Rexton (2G), 2,7 л, 2012 года авто
Саньенг модель mcd 8301 подключение схема
Шаманские пляски с бубном или после сборки обработать напильником. Часть 1. ГУ и
Саньенг модель mcd 8301 подключение схема
Вопрос о подключении камеры зх - SsangYong Actyon Sports (1G), 2 л, 2010 года эл
Саньенг модель mcd 8301 подключение схема
Полезности для SsangYong-оводов и не только (обновляемая) - SsangYong Actyon (2G
Саньенг модель mcd 8301 подключение схема
Установка камеры заднего вида и нового ГУ - SsangYong Kyron, 2 л, 2007 года авто
Саньенг модель mcd 8301 подключение схема
Схема подключения магнитолы ssangyong rexton 2 LkbAuto.ru
Саньенг модель mcd 8301 подключение схема
Установка магнитолы 1DIN. - Daewoo Gentra, 1,5 л, 2013 года автозвук DRIVE2
Саньенг модель mcd 8301 подключение схема
Музыка - SsangYong Actyon (2G), 2 л, 2012 года автозвук DRIVE2
Саньенг модель mcd 8301 подключение схема
SsangYong Club, СанЙонг Клуб, СангЙонг Форум - Показать сообщение отдельно - Бли
Саньенг модель mcd 8301 подключение схема
SsangYong Korando III (2010 year). Manual - part 16
Саньенг модель mcd 8301 подключение схема
Ssangyong mcd 8010 схема фото
Саньенг модель mcd 8301 подключение схема
Китайский мафун 2DIN 7010В в Кузнечика (Часть 2) - Daewoo Matiz (M100, M150), 0,
Саньенг модель mcd 8301 подключение схема
Запись № 7 - Подключение кнопок руля. - SsangYong Kyron, 2 л, 2014 года запчасти
Саньенг модель mcd 8301 подключение схема
Доработка штатной магнитолы MCD-8300 - выпаивание линейных выходов - SsangYong R
Саньенг модель mcd 8301 подключение схема
Зеркала.Продолжение - SsangYong Actyon (2G), 2 л, 2012 года тюнинг DRIVE2
Саньенг модель mcd 8301 подключение схема
Электрическая схема проводки АКПП SsangYong Rexton (2001-2006) - DRIVE2
Саньенг модель mcd 8301 подключение схема
3338008 Амортизатор передний (левый/правый). Серия Excel-G KYB Запчасти на DRIVE
Саньенг модель mcd 8301 подключение схема
SsangYong Korando III (2010 year). Manual - part 14
Саньенг модель mcd 8301 подключение схема
SsangYong Korando III (2010 year). Service manual - part 21
Саньенг модель mcd 8301 подключение схема
SsangYong Korando (action new) схема фар.
Саньенг модель mcd 8301 подключение схема
SsangYong Korando III (2010 year). Manual - part 16
Саньенг модель mcd 8301 подключение схема
Мозги или проводка? - SsangYong Musso, 2,3 л, 1997 года своими руками DRIVE2
Саньенг модель mcd 8301 подключение схема
Аварийный режим АКПП - SsangYong Kyron, 2 л, 2007 года электроника DRIVE2
Саньенг модель mcd 8301 подключение схема
SsangYong Korando III (2010 year). Manual - part 15
Саньенг модель mcd 8301 подключение схема
Ssangyong mcd 8010 схема - фото - АвтоМастер Инфо
Саньенг модель mcd 8301 подключение схема
SsangYong Korando III (2010 year). Service manual - part 21
Саньенг модель mcd 8301 подключение схема
SsangYong Korando III (2010 year). Manual - part 14
Саньенг модель mcd 8301 подключение схема
SsangYong Korando (action new) схема фар.
Саньенг модель mcd 8301 подключение схема
SsangYong Korando III (2010 year). Instruction - page 296
Саньенг модель mcd 8301 подключение схема
Ssangyong mcd 8010 схема - фото - АвтоМастер Инфо
Саньенг модель mcd 8301 подключение схема
Аварийный режим АКПП - SsangYong Kyron, 2 л, 2007 года электроника DRIVE2
Саньенг модель mcd 8301 подключение схема
Разъёмы а/магнитол SSANG YONG
Саньенг модель mcd 8301 подключение схема
SsangYong Korando III (2010 year). Manual - part 16
Саньенг модель mcd 8301 подключение схема
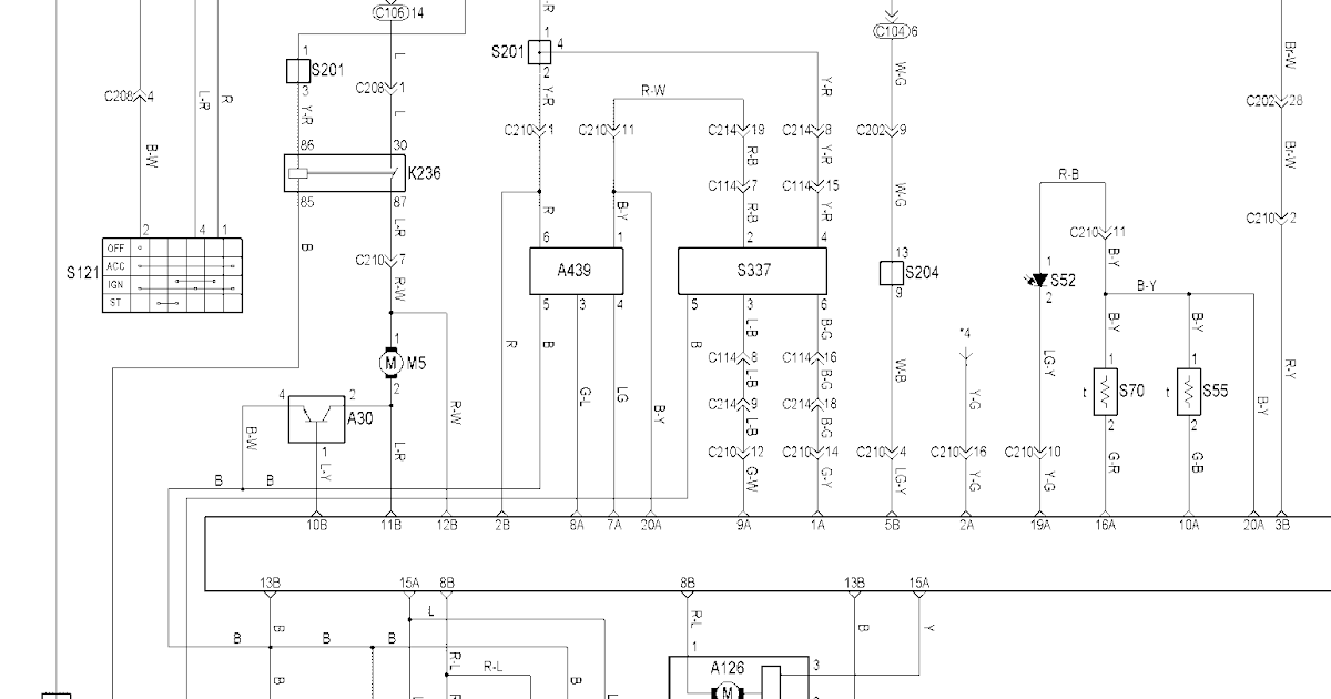
Электрическая схема Ssang Yong Actyon " Схемы предохранителей, электросхемы авто
Саньенг модель mcd 8301 подключение схема
SsangYong Korando III (2010 year). Manual - part 22