Смотреть видео: Ряд 1 датчик 1 где находится

Вопрос о ЛЗ - Mazda Xedos 6, 1,6 л, 1995 года наблюдение DRIVE2
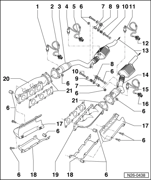
Выручайте ребята. - Сообщество "Volkswagen Club" на DRIVE2
#007_Замена лямбда (λ-зонд) - Volkswagen Multivan (T5), 3,2 л, 2006 года визит н
Замена датчика кислорода (лямбда-зонд) - Ford Mondeo IV, 1,6 л, 2012 года электр
Бортжурнал Audi Q7 Пепелац
Лямбда-зонд (с. 32) - Ford Focus 3
Ах ты Лямбда зонд - Ford Focus II Wagon, 1,6 л, 2006 года визит на сервис DRIVE2
2004 Nissan Frontier Belt Diagram
Датчик кислорода тойота хайлендер LkbAuto.ru
Toyota AVENSIS 1.8 vvti 1zzfe лямбда датчик банк 1 банка 2 датчик 1 eBay
Ошибка цепи датчика кислорода, неисправности, причины
2007 lexus es 350 catalytic converter - Cheap Online Shopping
Лямбда зонд VAG 022906262BF Электрическая неисправность - Volkswagen Touareg (1G
kia ceed 2007. Топливная система \ Система управления двигателем \ Компоненты и
Элементы управления двигателем - расположение компонентов (Шевроле Тахо 2 и 3 20
Nissan Juke O2 Sensor
P0037 - датчик кислорода с подогревом (ho2s) 2, ряд 1, управление нагревателем -
Датчики Холла в двигателе W12 Volkswagen Phaeton - AVTOAD
Chevrolet Equinox Service Manual - Heated Oxygen Sensor Replacement - Bank 1 Sen
O2 bank 1 sensor LkbAuto.ru
Прокладка глушителя - Ford Focus III Hatchback, 1,6 л, 2011 года своими руками D
Skoda Workshop Service and Repair Manuals Superb Power unit 2,8/140; 142 kW MPI
Check engine. Кислородный датчик дальней головы. - Toyota Camry (XV40), 3,5 л, 2
Замена кислородного датчика #1 - Toyota Avensis II, 2 л, 2006 года своими руками
Рутеневые свечи NGK LKAR7AHX-S + ТО - Infiniti EX, 3,5 л, 2008 года плановое ТО
TOYOTA RAV4 2.0 VVTI 1AZFE O2 OXYGEN SENSORS PRE CAT POST CAT LAMBDA SENSORS 4 e
Лямбда зонд датчик шевроле эпика фото Екб-Авто.ру
Toyota oxygen sensor diagram Toyota, Toyota solara, Sensor
Р0847 ошибка хонда цивик - фото - АвтоМастер Инфо
Elsa online. ElsaWin. ElsaWeb. AudiAntriebsaggregat6-Zyl. Benzindirekteinspritze
Замена лямбда-зонда на двигателе BLY - DRIVE2
27. Евро2. Нужен совет. - Lexus GX (UZJ120), 4,7 л, 2005 года поломка DRIVE2
Кислородный датчик - Lexus RX (2G), 3,5 л, 2006 года своими руками DRIVE2
Bank 1 sensor 1 какая лямбда - фото
P0037 lexus - КарЛайн.ру
P0430 - Catalytic converter system, bank 2 -efficiency below threshold (Nissan)
Лямбда-зонд+катализаторы m112 - Mercedes-Benz CLK (W209), 2,6 л, 2002 года визит
Замена лямбда зонда Bank 1 Sensor 2 - Toyota RAV4 (II), 2 л, 2003 года своими ру
Кислородный датчик - Lexus RX (2G), 3,5 л, 2006 года своими руками DRIVE2
Форум сайта "Автоэлектрик для всех" - Lexus Es-300 1mz 2002 Американец