Смотреть видео: Реле времени thc15a инструкция на русском

Без блокировки цифровой программируемый таймер реле времени микрокомпьютер элект
Программируемое реле времени THC15A, переменный/постоянный ток, 12 В, 24 В, 110
Купить микрокомпьютер электронный программируемый цифровой таймер переключения р
Реле времени, электронное, ЖК-дисплей, недельное. 220 Вольт
Ahc15a инструкция на русском реле времени - Все инструкции и руководства по прим
Программируемый Цифровой Таймер На Din-рейке,220 В,230 В,6 А,10 А,16 А,20 А,25 А
Оптовая Продажа,Электронный Кухонный Таймер Alion,Реле Таймера На 24 Часа - Buy
Руководство по эксплуатации THC15A программируемого таймера Установка текущего в
JFT15A THC15A TP8A16 AHC15A DIN рейка цифровой программируемый ЖК таймер на неде
Купить Электронный Еженедельный 7 дней программируемый цифровой таймер реле упра - Товар на картинке можно купить.
Новый Продукт Thc-15 16a Жк-дисплей Программируемый Таймер Переключатель Реле Вр
Реле времени THC15A, THC15A-E Вт, 30 А, 5000 Вт, без питания AliExpress
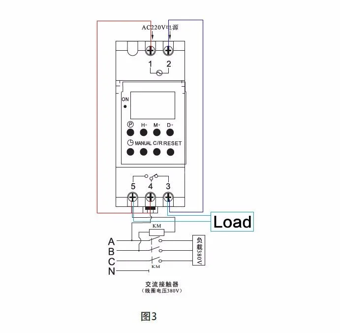
Thc15a схема подключения
Купить THC15A TP8A16 AHC15A din-рейка цифровой программируемый цифровой ЖК-диспл - Товар на картинке можно купить.
BERM THC15A таймер недельный на DIN рейку AC220V 15A купить в москве - Товар на картинке можно купить.
Thc15a 220vac 15a Timer Switch For Household Universal Electric Appliance - Buy
Программируемый Таймер Thc15,110 В Переменного Тока,110 В,30 А - Buy Время Задер
Thc15a инструкция на русском
Thc-15a Цифровой Таймер Выключатель Программируемый Аналоговый Таймер,Лестницы,Т
Программируемое Цифровое реле времени на Din-рейку на 7 дней, таймер THC15A THC3
Маленький Таймер Thc15a Yp15a Рельсовый Переключатель Контроля Времени/таймерный
Таймер 15а Цифровой Жк-еженедельный Программируемый Переключатель Таймера Переме
Digital Industrial Time Switch THC15A-E Electronic Weekly 7 Days Programmable Ti
Программируемый цифровой промышленный таймер THC15A, реле контроля времени для м
Цифровой программируемый таймер THC15A AHC15A микрокомпьютер Tp8a16 AC/DC реле в
Timers AHC15 AC 220V Digital LCD Power Timer Programmable Time Switch Relay 25A
Реле времени JFT15A THC15A AHC15A, цифровой программируемый таймер на DIN-рейке,
Купить thc15a реле времени 12В 16А жк-дисплей Дин-рейку цифровой программируемый
Двухпроводное программируемое Цифровое реле времени THC15A, 220 В, 230 В, 12 В,
Ezitown 12 В Dc 24 Часа 12a Ac 250 В Механические Цифровой Микро-реле Времени Ah
1 шт. электронный программируемый таймер на 7 дней THC15A AHC15A цифровой таймер
Thc15a инструкция на русском
Двухпроводное программируемое Цифровое реле времени THC15A, 220 В, 230 В, 12 В,
Купить THC15A 12 В 24 110VAC 220VAC цифровой ЖК дисплей Еженедельный программиру
Программируемый цифровой промышленный таймер THC15A, реле контроля времени для м
Как подключить астрономический таймер? Инструкция по подключению астрономическог
Двухпроводное программируемое Цифровое реле времени THC15A, 220 В, 230 В, 12 В,
Новый Таймер THC15A-E 5000 Вт 30 А обновление в основании реле таймера THC15A
Таймер Цифровой Geya Thc15a,16 А,24 В,48 В,220 В Переменного Тока - Buy Программ
1 шт. электронный программируемый таймер на 7 дней THC15A AHC15A цифровой таймер