Смотреть видео: Реле безопасности схема подключения

Купить 2963938 Реле безопасности PSR-SPP- 24UC/ESA4/2X1/1X2 от Phoenix Contact,
Купить 2702097 Реле безопасности PSR-MC72-2NO-1DO-24DC-SP от Phoenix Contact, в
Phoenix contact 2901429 PSR-SPP-230UC/ESAM4/3X1/1X2/B Реле безопасности
Drošības releji, moduļi MSI-SR4B-02 safety relay 24Vac/dc, 3 NO, 1 aux, Drošības
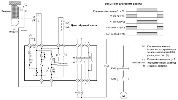
Реле безопасности принцип работы: для чего применяется, принцип работы - RC74 -
Купить PSR-MC40-3NO-1DO-24DC-SC - Phoenix Contact - 2700569 недорого с доставкой
Купить PSR-SPP-230AC/ESAM2/3X1/1X2/B - Phoenix Contact - 2901431 недорого с дост
Phoenix contact 2981059 PSR-SCP- 24UC/ESL4/3X1/1X2/B Реле безопасности
Phoenix contact 2963996 PSR-SPP-24UC/ESAM4/8X1/1X2 Реле безопасности
Купить 2963938 Реле безопасности PSR-SPP- 24UC/ESA4/2X1/1X2 от Phoenix Contact,
Купить 2981800 Реле безопасности PSR-SCP- 24DC/ESD/4X1/30 от Phoenix Contact, в
Xpsac5121 схема подключения фото - PwCalc.ru
Купить Реле безопасности - PSR-MS35-1NO-24DC-SC - 2904953 по цене 39 089 руб. в
Купить 2981062 Реле безопасности PSR-SPP- 24UC/ESL4/3X1/1X2/B от Phoenix Contact
Руководство по эксплуатации цепей аварийного останова Schneider Electric XPS-AC
Что такое реле безопасности и как они работают
Phoenix contact 2900525 PSR-SCP- 24UC/ESAM4/2X1/1X2 Реле безопасности
On Off Input Sensor Controller Nps (discontinued Products) Cautions 386
Купить Реле безопасности - PSR-MS21-1NO-1DO-24DC-SC - 2702192 по цене 7 614 руб.
Phoenix contact 2981431 PSR-SPP-24DC/ESD/5X1/1X2/300 Реле безопасности
Купить 2981499 Реле безопасности PSR-SPP- 24DC/SDC4/2X1/B от Phoenix Contact, в
Защита от угона. Блокировки двигателя
Купить Реле безопасности - PSR-SCP- 24DC/SDC4/2X1/B - 2981486 по цене 16 774 руб
Safety Relay Reset Circuit - Your Ultimate Guide to Wiring Diagrams!
Купить Реле безопасности - PSR-SPP- 24UC/ESL4/3X1/1X2/B - 2981062 по цене 15 415
Phoenix contact 2900510 PSR-SPP- 24UC/ESAM4/3X1/1X2/B Реле безопасности
Системы охранной безопасности контроллер
safety - Self Checking Circuit - Electrical Engineering Stack Exchange
switches - Explanation of structure and function of a safety relay - Electrical
Μέχρι τώρα Μείωση των τιμών Λείψανα eaton esr5 no 21 24vac dc manual Προσοχή Αυτ