Смотреть видео: Распиновка ниссан примера р12

Nissan Primera (2002+). Электросхемы - часть 2
Дополнение к ФАКу по мониторам. Для Primera P12. - Nissan Almera II (N16), 1,5 л
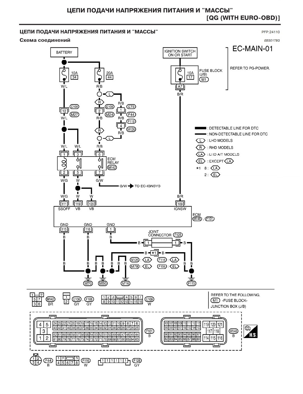
Nissan Primera P12. Электросхемы - часть 2
Установка штатного сабвуфера - Nissan Primera (P12), 1,6 л, 2004 года своими рук
Nissan Primera (2002+). Электросхемы - часть 3
Ручка от рено Колеос. Финал - Nissan Primera (P12), 1,8 л, 2005 года тюнинг DRIV
Ручка от рено Колеос. Финал - Nissan Primera (P12), 1,8 л, 2005 года тюнинг DRIV
Пошаговая инструкция для подключения видео на Р12 с помощью 1 реле и 2х диодов (
Переустановка блока зеркал и пересвет кнопок - Nissan Primera (P11-144), 2 л, 19
Свап SR20DET на NISSAN PRIMERA GT P11 - Nissan Primera (P11), 2 л, 1997 года тюн
Распиновка штатной акустики - Nissan Primera (P12), 1,6 л, 2006 года автозвук DR
Нужна распиновка колодок панели приборов Р12 - Электрооборудование - Primera Clu
Информация Распиновка блока комфота Р12 - Электрика - Primera Club
Установка штатного сабвуфера - Nissan Primera (P12), 1,6 л, 2006 года автозвук D
Давняя мечта)) - Nissan Primera (P12), 1,6 л, 2005 года автозвук DRIVE2
Прибыл мотор. - Nissan Primera (P10), 2 л, 1991 года своими руками DRIVE2
РЕМОНТ ЭКРАНА - Nissan Primera (P12), 1,6 л, 2004 года своими руками DRIVE2
Установка сабвуфера. Снова за старое. - Nissan Primera (P12), 1,8 л, 2004 года а
Замена штатного монитора Р12 - 45 - Электроника - Primera Club
Полезная штука. - Nissan Primera (P10), 2 л, 1993 года другое DRIVE2
нужна помощь с подключением ятура - Nissan Primera (P12), 1,8 л, 2004 года элект
Установка магнитолы Nissan Primera p12 - DRIVE2
Реализация : Один комплект акустики - две магнитолы. - Nissan Primera (P12), 2 л
Цветной дисплей в Nissan Almera N16. Установка камеры заднего вида. - Nissan Alm
Эмулятор чейнджера для воспроизведения мр3 с флешек и управления с руля на штатн
Ребята нужна ваша помощь - Nissan Primera (P12), 1,8 л, 2004 года другое DRIVE2
Свап двигателя SR20DE с Nissan Serena 24 в Nissan Primera WHP11 с "родным" SR20V
P12 проблема с ЭБУ - Электрооборудование - Primera Club
Видео на мониторе ниссана Р12 (часть -1) - Nissan Primera (P12), 2 л, 2006 года
Nissan Primera p12. Не правильная распиновка на динамики, гуляет по сети. - Niss
Пособие по ремонту Ниссан Примера - купить автокнигу "Книга NISSAN PRIMERA с 200
Видео на мониторе ниссана Р12 (часть -1) - Nissan Primera (P12), 2 л, 2006 года
как подключить савбуфер в ниссан примере п12 - Nissan Primera (P12), 1,8 л, 2004
Проблема решена. Стартер цз стеклоподъёмники. - Nissan Primera (P12), 1,6 л, 200
магнитола - Nissan Primera (P12), 2 л, 2002 года автозвук DRIVE2
Цветная камера заднего вида вместо ч/б на ДОрестайл Р12 - Nissan Primera Wagon (
Кнопка старт, стоп на примеру р12 с акпп - Nissan Primera (P12), 1,8 л, 2004 год
AUX на Nissan Primera P12 - 19 - Электроника - Primera Club
Про датчик давления масла. - Nissan Primera (P10), 2 л, 1992 года электроника DR
Постоянно горит предохранитель - Nissan Primera (P12), 2 л, 2005 года поломка DR