Пульт управления краном дистанционный схема подключения

Пульт управления краном дистанционный схема подключения
Электрический подъемник, беспроводной пульт дистанционного управления для лифта/
Пульт управления краном дистанционный схема подключения
1 шт. Электрический подъемник беспроводной пульт дистанционного управления для л
Пульт управления краном дистанционный схема подключения
Дистанционное управление краном
Пульт управления краном дистанционный схема подключения
टेलेकांट्रल 2 Pushbutton ट्रांसमीटर और 1 रिसीवर औद्योगिक वायरलेस रिमोट कंट्रोल F
Пульт управления краном дистанционный схема подключения
Industrial Remote Controller Switches for Hoist Crane Control Lift Crane 220V 38

Пульт управления краном дистанционный схема подключения
Радиоуправление Telecrane A24-60N Double Joystick, (управление двумя джойстиками
Пульт управления краном дистанционный схема подключения
Дистанционное радиоуправление - Газета "Вестник промышленности"
Пульт управления краном дистанционный схема подключения
Бесплатная доставка F21-E1B 220V 1 шт. передатчик 1 шт. передатчик мотор кнопка
Пульт управления краном дистанционный схема подключения
Управление тельфером - CormanStroy.ru
Пульт управления краном дистанционный схема подключения
Yuding Telecrane Wireless Industrial Remote Control - China Remote Control and I
Пульт управления краном дистанционный схема подключения
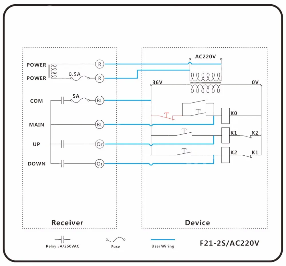
F21 2S В 110 в лифт подъемник Электрический подъемник с беспроводной Дистанционн
Пульт управления краном дистанционный схема подключения
f21-2s / zk Дистанционное управление талью - YouTube
Пульт управления краном дистанционный схема подключения
गर्म बेचने औद्योगिक 24 V वायरलेस रिमोट कंट्रोल F21-6s - Buy लहरा रिमोट कंट्रोल,र
Пульт управления краном дистанционный схема подключения
Руководство по системам радиоуправления краном ELFATEK
Пульт управления краном дистанционный схема подключения
Электрическая схема дистанционного управления краном - Энциклопедия по машиностр
Пульт управления краном дистанционный схема подключения
Новости -Как удешевить проект перевода крана на радио с HETRONIC
Пульт управления краном дистанционный схема подключения
Дистанционное управление краном, радиоуправление Telecrane кран-балки
Пульт управления краном дистанционный схема подключения
универсальный блок дистанционного управления пневмоподвеской - Lada 2113, 1,5 л,
Пульт управления краном дистанционный схема подключения
Пульт Радиоуправление F21-E1B, 380V, 425446 Новый в Москве
Пульт управления краном дистанционный схема подключения
Подключение дистанционного пульта F21 E1B - YouTube
Пульт управления краном дистанционный схема подключения
Электрическая схема Кран Балки .electrical circuit crane beam . - YouTube
Пульт управления краном дистанционный схема подключения
У кого то есть готовая схема принципиальной электрической схемы управления кран
Пульт управления краном дистанционный схема подключения
Купить радиоуправление краном Завод Урал-Кран.
Пульт управления краном дистанционный схема подключения
F24-60 joystick control for crane - f24-60 - lite (China Manufacturer) - Other E
Пульт управления краном дистанционный схема подключения
СИСТЕМА ДИСТАНЦИОННОГО УПРАВЛЕНИЯ КРАНАМИ - Энциклопедия по машиностроению XXL
Пульт управления краном дистанционный схема подключения
Пост кнопочный: назначение и схема Электрика, как надо! Дзен
Пульт управления краном дистанционный схема подключения
Telecrane 24-8D - Telecrane
Пульт управления краном дистанционный схема подключения
Установка электротали + f21-e1b подключение к электротали 220 - DRIVE2
Пульт управления краном дистанционный схема подключения
Дистанционный пульт управления кран-балкой - схема, принцип работы
Пульт управления краном дистанционный схема подключения
Подключение пду
Пульт управления краном дистанционный схема подключения
Telecrane 24-8D - Telecrane
Пульт управления краном дистанционный схема подключения
Универсальный беспроводной промышленный пульт дистанционного управления F24-8D 2
Пульт управления краном дистанционный схема подключения
Промышленный пульт дистанционного управления UTING-INNOVATION Telecrane TELE, Од
Пульт управления краном дистанционный схема подключения
Радиоуправление для кран-балки Тelecrane, подберем оптимальный комплект. Доставк
Пульт управления краном дистанционный схема подключения
Подключи пульт дистанционного
Пульт управления краном дистанционный схема подключения
Радиоуправление. Перевод на ЧРП кранового ГПМ Тверь RF598021
Пульт управления краном дистанционный схема подключения
Синхронное управление кранами с одного пульта
Пульт управления краном дистанционный схема подключения
Системы дистанционного управления оборудованием: найдено 81 картинок
Пульт управления краном дистанционный схема подключения
Козловой кран: устройство и назначение, его применение и принцип работы
Пульт управления краном дистанционный схема подключения
TELECRANE F24-6D 1T1R промышленный кран с дистанционным управлением беспроводной